- 锂电池保护IC的工作原理
- 锂电池保护IC测试电路设计方案
- 新方案的优缺点对比
- 用MOSFET做简单的微电流源
- 采用高精度可变电位器
由于锂电池的体积密度、能量密度高,并有高达4.2V的单节电池电压,因此在手机、PDA和数码相机等便携式电子产品中获得了广泛的应用。为了确保使用的安全性,锂电池在应用中必须有相应的电池管理电路来防止电池的过充电、过放电和过电流。锂电池保护IC超小的封装和很少的外部器件需求使它在单节锂电池保护电路的设计中被广泛采用。
然而,目前无论是正向(独立开发)还是反向(模仿开发)设计的国产锂电池保护IC由于技术、工艺的原因,实际参数通常都与标准参数有较大差别,在正向设计的IC中尤为突出,因此,测试锂电池保护IC的实际工作参数已经成为必要。目前市场上已经出现了专用的锂电池保护板测试仪,但价格普遍偏高,并且测试时必须先将IC焊接在电路板上。因此,本文中设计了一个简单的测试电路,借助普通的电子仪器就可以完成对锂电池保护IC的测试。
锂电池保护IC的工作原理
单节锂电池保护IC的应用电路很简单,只需外接2个电阻、2个电容和2个MOSFET,其典型应用电路如图1所示。

图1锂电池保护IC的典型应用电路
锂电池保护IC测试电路设计

图2锂电池保护IC测试电路
[page]
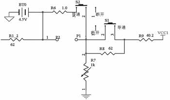
根据锂电池保护IC的工作原理设计的测试电路如图2所示,图3详细说明了图2中模块B的电路。模块A在测试过流保护时为CS引脚提供电压,模拟图1中的CS引脚所探测到的电压。调整模块中的可变电位器可为CS引脚提供可变电源,控制其中的跳变开关可为CS提供突变电压。模块B为电源,模拟为IC提供工作电压。调整电路中的可变电位器R7可为整个电路提供一个可变电压,在测试过充电保护电压和过放电保护电压时使用。控制模块中的开关S1的闭合为测试电路提供一个跳变电源,在测试IC的过充、过放和过流延迟时使用。
跳线端口P1、P2在测试IC工作电流时使用,在测试其他参数时将开关S2导通即可。测试IC工作电流时,将电流表接在P1、P2上,将开关S2断开。模块C是用2个MOSFET做成的微电流源,在测试OD、OC输出高、低电平时向该引脚吸、灌电流,只要MOSFET选择恰当,可以满足测试需要。模块D是2片MOSFET集成芯片,相当于图1中的M1、M2,其中的两个端口在测试MOSFET漏电流时使用,在测试其他参数时要将这两个端口短接。模块E是一个IC插座,该插座用于放置待测IC,最多可以放置4片IC(测试时只能放一片IC),测试完以后可以将IC取出,不留任何痕迹,不影响IC的销售和再次测试。

图3模块B的电路图
在测试电路的设计中,对电阻的选择要慎重。在模块A、B、C中由于有可变电位器的存在,如果其他电阻选择不适当容易造成电路的烧毁,尤其是模块A和B中的可变电位器的选择对测试各种电压的精度影响很大。本电路中两个可变电位器都是1K/10圈的,精度较高。模块C中的MOSFET的选择要注意其工作电流范围,在测试需要用到的电流只有两个级别,一个是零点几个微安,一个是几十微安,因此一般要求能提供微安级以下的电流。另外,电源的稳定度对整个IC测试参数的影响很大,因此,在测试时尽量使用稳定性好的电源。
本设计的特点
本设计有以下三个特点。
●在测试IC过充、过放和过流的延迟时利用开关将电阻短路或开路来实现电路电源的突变,并且利用示波器同时抓电源和OC、OD跳变波形图来测量延迟时间。
●为了实现测试OC、OD高、低电平时向引脚吸、灌电流,本电路用MOSFET做了两个简单的微电流源,选用的MOSFET型号为TN0201T,利用栅级电压控制漏、源级电流,以漏、源级电流为电流源,精度可以达到0.1μA,基本可以满足测试的需要。
●测试过流保护电压时,即测试使OD引脚从高电平跳变为低电平的CS引脚电压。短流保护电压远高于过流保护电压,当电压达到过流保护电压时电路已经发生跳变,OD输出一直为低电平,因此常规方法无法测试出短流保护电压,于是,本文采用了一种间接的近似测试方法。IC对过电流保护的延迟时间大概为几个到十几个毫秒,而短流延迟时间则大概为十几个微秒,因此可以根据过流延迟时间与短流延迟时间的不同来近似测试短流保护电压。此参数使用专用的锂电池保护板测试仪也无法测出。
本测试电路也存在一些不足。一是对IC测试的精度与电源稳定度、电表精度有关,其中,对各种电压测试的精度还与可变电位器的精度有关;二是短流保护电压测得的是近似值。
虽然目前市场上有很多锂电池保护板测试仪,但价格昂贵,并且测试参数固定,不能满足实际测试的需要。在实际的应用中,客户最注重的锂电池保护IC的几个主要参数为:过充、过放和过流保护电压、静态工作电流和断电电流、过充、过放和过流保护延迟,以及OD、OC引脚的输出高、低电平。本文提供的测试方法可以很精确地测出上述参数,已经超出了锂电池保护板测试仪所能测试的参数。因此,在一些对锂电池保护IC参数要求很全面或条件比较受限制的场合,本文提供的测试电路和测试方法是一种较好的选择。
上述测试电路和测试方法已经投入使用,现已成功测试千余片锂电池保护IC。从测试结果来看,除了短流保护电压是近似测试以外,其余参数测试都与专用的测试仪器测出的结果非常吻合;从客户反映情况来看,该测试电路测出的参数准确,能满足客户需要。由于本测试电路没有封装(加外壳),可以根据客户的需要增加适当电路测试出更多参数(如本文中提到的测试MOSFET漏电流大小)。





