-

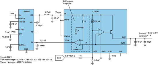
VIOC技术:LDO性能优化与电源管理协同的核心路径
本文作为电压输入至输出控制(VIOC)应用于低压差稳压器(LDO)系列文章的第二部分,在第一部分基础概念之上,深入剖析VIOC系统设计逻辑,详解新一代LDO凭借恒定输入输出电压差所实现的高电源电压抑制比(PSRR)、优化功耗及可靠故障保护等核心性能优势;同时依托LTspice®仿真、演示硬件等参考设计...
2026-01-27
电压输入至输出控制 低压差稳压器 差分放大器 开关稳压器
-

单芯片干翻传统方案!两相升压转换器如何将低压大功率密度拉满?
在电子设备领域,单芯片升压转换器扮演着重要角色,它能将低输入电压转换为高输出电压,且整体方案尺寸紧凑。然而,当面临输出功率需求增加的情况时,电流水平和散热需求也会大幅上升。受内部开关限制,传统单芯片升压转换器往往难以满足这些需求。在此背景下,两相升压转换器应运而生,成为解决这...
2026-01-23
两相升压转换器 单芯片升压IC 交错升压架构 LT8349 便携设备 工业电源
-

60秒低耗除霜:Betterfrost技术重塑汽车除霜逻辑
传统除霜系统依赖内燃机余热、能耗高、效率低的弊端愈发凸显,成为制约电动汽车续航与体验的关键痛点。Betterfrost Technology 公司开发了突破性技术——无需完全融化冰层,仅通过削弱冰与玻璃的界面粘附力即可实现快速除霜。这项融合专有功率算法与高密度电源转换模块的技术,不仅能在60秒内完成汽车...
2026-01-23
Betterfrost 技术 DC-DC 变压器 电动汽车 电源转换
-

VIOC功能赋能LDO:低噪声电源管理系统的设计与优势
在电源管理领域,低压差(LDO)稳压器是保障电子元器件高性能供电的关键,其低噪声特性对精密模拟电路、RF系统及医疗设备等噪声敏感场景至关重要,可提供纯净电源、降低干扰、强化信号完整性。LDO与电压输入至输出控制(VIOC)功能及兼容开关稳压器配合,能构建维持最佳输入输出电压差的系统,显著...
2026-01-23
稳压器 开关稳压器 电源管理 ADI
-

LTC2971驱动的1/4砖电源解决方案:数字化管理与集成优势研究
如今电信和数据通信领域里,高效48V中间总线的应用越来越广泛,标准1/4砖尺寸的热插拔DC-DC转换器也成了主流之选,而集成PMBus接口、带有可靠保护电路的数字化电源管理系统,也慢慢成了行业里的必备要求。以ADI旗下LTC2971电源系统管理器(PSM)为核心研究对象,系统阐释其与1/4砖解决方案的适配机...
2026-01-15
ADI PSM 1/4 砖 数据中心 电源管理 48V
-

双百!100%中国车企全球业务接入阿里云
摘要:AI和汽车行业正在加速融合,未来阿里云全栈AI将支撑全球车企建立领先的技术架构与智能体验。 近日,在2026年新加坡国际车展上,阿里云表示已在汽车行业实现“双百”突破:中国车企不仅在国内市场全部选择了阿里云,在出海业务中,也100%使用了阿里云。
2026-01-13
阿里云
-

算力赋能,打造生命科学云上新范式
某生命科学研究院推出的生命科学数据分析平台,是一款基于云架构、由AI驱动的多组学在线分析平台,以技术为根、数据为翼,为科研工作者提供全过程一站式分析服务,轻松应对组学数据繁复、分析门槛高、项目协作难等挑战。
2026-01-12
云端算力
-

连接器厂家怎么选?2026年最新基于行业报告与客户反馈的终极选型攻略
随着工业4.0深化与新能源革命加速,企业对连接器产品的需求已从基础的电信号导通,全面升级为对高可靠性、极致性能与场景化定制的三重追求。
2026-01-12
连接器
-

泰克双脉冲+双向电源:筑牢氮化镓车载可靠性防线
650V氮化镓车载充电系统成功装车,其高功率密度、轻量化优势适配800V高压平台需求,但车规级可靠性验证仍是攻关重点。测试技术是解锁其应用潜力的核心,本文聚焦核心测试挑战,拆解泰克从器件级到系统级的全链条解决方案,展现测试技术对新能源汽车核心部件可靠应用的保障作用。
2026-01-09
氮化镓 车载充电 新能源汽车 DC 转换器 双脉冲测试
- 噪声中提取真值!瑞盟科技推出MSA2240电流检测芯片赋能多元高端测量场景
- 10MHz高频运行!氮矽科技发布集成驱动GaN芯片,助力电源能效再攀新高
- 失真度仅0.002%!力芯微推出超低内阻、超低失真4PST模拟开关
- 一“芯”双电!圣邦微电子发布双输出电源芯片,简化AFE与音频设计
- 一机适配万端:金升阳推出1200W可编程电源,赋能高端装备制造
- 从CES到CITE:中国科技从“惊艳亮相”迈向“系统引领”
- 22nm工艺+全维安全!芯驰E3650定义高端车规MCU新标杆
- 以统一车辆核心为中枢——S32N7赋能SDV全生命周期创新
- 嵌入式软件版本号管理:四级语义化规则与落地指南
- 从IP到Chiplet:奎芯ONFI接口技术的创新与突破
- 车规与基于V2X的车辆协同主动避撞技术展望
- 数字隔离助力新能源汽车安全隔离的新挑战
- 汽车模块抛负载的解决方案
- 车用连接器的安全创新应用
- Melexis Actuators Business Unit
- Position / Current Sensors - Triaxis Hall



