【导读】高效化和小型化,一直都是功率电源发展的两个方向。同步BUCK在这两个方面的卓越表现,也是在越来越多的场合得到了运用,像锂电池充电、二次砖块电源等等。如图1所示,同步BUCK相较传统BUCK最主要的区别是用MOSFET器件代替了传统的续流二极管,而MOSFET更低的导通损耗也为整个电源系统带来了更高的效率。但是在电池充电和其他大容性负载的场合,拥有更高效率的同步BUCK在电路软起动阶段,会遇到比较大的挑战。甚至在某些恶劣情况下,过大的反向电感电流会导致电感饱和或者下管MOSFET被击穿的风险。

图1 异步BUCK和同步BUCK示意图

图2 同步BUCK软起动阶段反向电感电流示意图
原因是同步BUCK在软起阶段,如果输出端是带电池或者其他大容性负载情况,重启时输出端极易残余一定的电压。而同步BUCK在软起动阶段,其上管驱动信号占空比会从小到大逐周期释放。这就造成每个周期电感电流上升值无法弥补由于残余电压造成的反向电感电流跌路值。再加上同步BUCK天然支持FCCM模式,电感电流会反向不断增大,以至于无法遏制。如图2所示,在这种情况下,过大的反向电感电流会导致电感饱和或者下管过流损坏,对电路造成不可逆的伤害。
为了解决这个问题,最直接有效的方法是在同步BUCK软启动阶段引入二极管仿真模式,让下管MOSFET驱动强制拉低,只让其寄生的反并联二极管参与工作。TI在工业界应用极其广泛的同步BUCK控制器LM5116,就自带这个功能。下图3表明了LM5116内部实现该功能的逻辑图,在LM5116软起动阶段,其通过比较SW和DEMB点电压判断电感电流是否为负值。若电感电流为负值,内置的比较器会主动拉低下管MOSFET驱动信号,以强制同步BUCK进入二极管仿真模式,以保护电路不被过大的负电感电流损坏。这个特性,也让LM5116在市场上广受欢迎。

图3 LM5116内部框图和二级管仿真模式实现图
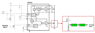
当然,除了上述LM5116自带的集成功能之外,本文也在下面介绍了怎么用分立的方案更灵活地在其他同步BUCK设计中搭建二极管仿真模式以保护下管MOSFET。以半桥驱动LM5102为例,见图4。

图4 基于LM5102/TLV6742/LM2903搭建的分立二极管仿真模式实现方案
TI的半桥驱动器LM5102,以其死区时间可控,双入双出的架构优点,倍受电源设计市场的喜爱。在图4中,利用TLV6742运放搭建下管低边电流信号同向放大电路。当电感电流为一定负值时,超过设定的阈值,会触发比较器LM2903输出电平跳变为高,从而输出关断信号。该关断信号连接到LM5102下管PWM信号输入端的制动MOSFET驱动极,从而拉低LM5102下管输入端信号,以强制让同步BUCK进入二极管仿真模式。
免责声明:本文为转载文章,转载此文目的在于传递更多信息,版权归原作者所有。本文所用视频、图片、文字如涉及作品版权问题,请联系小编进行处理。
推荐阅读:





