【导读】在基于双线数据线供电(PoD) 架构的Home Bus系统中,"交流阻断"电感承担着分离数据信号与直流电源的关键角色。其性能表现直接决定了通信网络的稳定性和可靠性,因此如何精准选型成为系统设计中的重要环节。本文将从工程实践角度出发,详细阐述此类特殊应用场景下的电感筛选标准与系统性评估方法,为构建高性能Home Bus网络提供技术支撑。
摘要
在基于双线数据线供电(PoD) 架构的Home Bus系统中,"交流阻断"电感承担着分离数据信号与直流电源的关键角色。其性能表现直接决定了通信网络的稳定性和可靠性,因此如何精准选型成为系统设计中的重要环节。本文将从工程实践角度出发,详细阐述此类特殊应用场景下的电感筛选标准与系统性评估方法,为构建高性能Home Bus网络提供技术支撑。
引言
在工业自动化和楼宇控制系统的通信网络中,有些节点可能无法接入电源插座,这时就需要一种既能传输数据、又能提供电力的解决方案,用于连接多个电路板,比如一个控制器和一个或多个传感器或执行器板。如果所有电路板都集中安装在同一机箱中,那么实现上述连接会很简单。然而,在典型的控制器-节点网络中,电路板通常相距数米。随着节点间距离的增加和节点数量的增长,布线成本也随之上升,不仅会占据解决方案总成本的很大一部分,还会对系统性能造成显著影响。
一种解决方案是使用四线电缆,一对线用于数据通信,另一对线用于供电。其优点是解决方案相对简单,但缺点是电缆成本和重量会增加。更简洁的解决方案是使用单对导线来同时提供数据和电力,这正是数据线供电(PoD)解决方案的核心理念。
业界已经开发出许多不同的PoD解决方案来满足不同类型最终应用的需求。本应用笔记讨论针对工业通信或楼宇自动化控制系统中常见的专有或临时网络的PoD解决方案。这些解决方案有别于基于以太网或互联网协议(IP)的解决方案,后者通常被称为以太网供电(PoE),而较新的单对以太网(SPE)解决方案则将其称为数据线供电(PoDL)。有关PoE或PoDL解决方案的信息,请参阅ADI的Chronous产品系列。
数据线供电技术
技术概述
数据线供电(PoD)技术使用双线总线同时向网络上连接的设备传输电力和数据。电力感性耦合到双线总线上,而数据则是容性耦合。在PoD方案中,每个节点都需要电感来“阻断”交流数据信号,使其不干扰直流供电。此类电感通常被称为“交流阻断”电感。双线总线和每个节点的收发器之间需要电容来将数据信号耦合到总线上。此类电容通常被称为“交流耦合”电容。
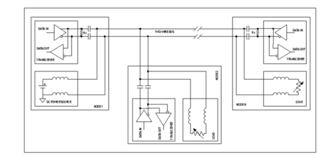
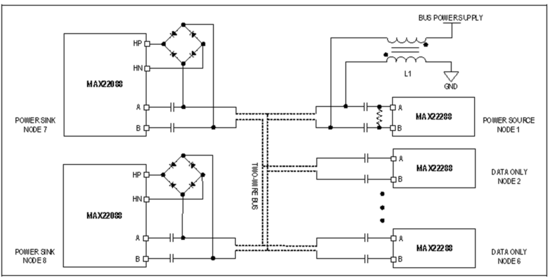
图1显示了使用双线总线的典型多节点PoD网络。这是一个半双工网络,驱动器和接收器使用一对线路,数据可以在任一方向上传输,但不能在两个方向同时传输。任意节点可以在任何给定时间于总线上传输数据,所有其他节点可以接收数据。“总线”是一种双线电缆,通常是双绞线或平行线。此电缆具有特性阻抗(Z0)。在图1中,为了实现理想的信号质量,节点1和节点N处安装了端接电阻(RT = Z0)。典型的多节点PoD网络允许一个节点为总线供电,多个节点可以从总线获得电力。在本例中,节点1为总线供电,其他n-1个节点是负载或受电节点。

图1.多节点数据线供电(PoD)网络
在许多工业PoD系统中,工程师采用标准RS-485(或CAN)收发器构建物理层,并实施一些专有方法通过数据线供电。这种收发器已经很成熟,能够在嘈杂的工业环境中稳健地传输数据。系统工程师面临的挑战在于,如何开发出一种既可靠稳健,又具备成本效益,同时占用PCB空间极小的电力传输方法。需要注意的是,“交流阻断”电感的尺寸和成本会因网络数据速率和功率容量的不同而有很大差异。
RS-485是物理层标准(OSI模型的第1层),因此它没有固有的数据链路协议(帧、数据包等)。对于PoD网络,实施的协议软件必须包含某种数据编码方案(如曼彻斯特编码或8b/10b),以消除可能出现的长串0或1,避免通过总线传输电力时因长串0或1而导致直流不平衡。此类编码的一个缺点是需要额外的处理周期,并且可能造成额外的延迟。
采用PoD架构的系统接口往往具有相对较低的数据速率(通常低于5Mbps),能够支持许多节点(64个或更多),并且支持长距离电缆(数百米)。然而,专有通信协议虽然在封闭系统中运行良好,但在其他环境中可能会妨碍设备之间的互操作性。
系统考虑因素
在典型场景中,寻求PoD解决方案的工程师通常会关注以下需求:
• 电力传输(供电节点通常为24V DC,每个受电节点为2W至5W)
• 极性无关,简化现场连接,减少接线错误。
• 数据编码方案应使总线保持直流平衡。
• 尽量减小电感尺寸以节省成本和PCB空间。
• 性能稳健,包括ESD和EFT等瞬态抗扰度。
供电节点与受电节点
最常见的情况是,系统中一个节点是供电节点(图1中的节点1),而网络上的多个节点是受电节点,由供电节点向受电节点供电。为这些不同类型的节点选择“交流阻断”电感时,需要考虑不同的因素。供电节点的电感必须能够向整个网络输送全部功率,这通常要求选用较大尺寸的“交流阻断”电感。受电节点的电感应当进行优化,以支持每个节点的本地功率需求。
电感尺寸
每个节点上的“交流阻断”电感的作用是将交流数据信号与直流电源分开。PoD系统采用的数据速率相对较低,这些电感的大小在毫亨(mH)级别,因此电感体积较大,成本较高。图2显示了PoD系统在不同通道数据速率下所需的电感。

图2.每通道最小电感与频率的关系
当要支持更高电流传输时,电感尺寸会变得更大,这与当下系统持续缩小的趋势形成冲突,可能成为系统设计的一大障碍。
Home Bus系统
Home Bus系统架构概述
Home Bus系统(HBS)是一种流行的PoD解决方案,针对家庭和楼宇自动化应用进行了优化。ADI公司的Home Bus产品系列支持实现高效率、高性能的PoD应用。有关Home Bus标准及其运行原理的更多信息,请参阅Home Bus简介应用笔记。
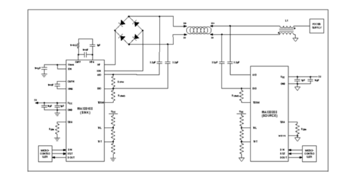
MAX22288收发器专为PoD系统中的供电节点而设计,供电节点需要外部“交流阻断”电感来供电。MAX22088收发器则集成了“交流阻断”电感,因而能够在PoD系统中的受电节点上使用,无需外部“交流阻断”电感。
图3显示了一个双节点Home Bus网络,其中一个节点使用MAX22288,充当供电节点;另一个节点使用MAX22088,充当受电节点。本应用笔记将讨论如何为供电节点选择电感,如图3中的L1所示。请注意,受电节点不需要外部电感,因为MAX22088集成了有源电感电路以简化系统设计、减少PCB空间并节省成本。

图3.典型的双节点Home Bus系统
总线端接
Home Bus标准规定了不同通信距离对应的总线负载电阻,如表1所示。总线负载电阻是双线总线上维持所有驱动器和接收器的最小差模电压所必需的最小电阻(最大负载)。在实际应用中,负载电阻很大程度上由收发器处的端接电阻(RT)决定。为了在总线上获得理想信号质量,端接电阻应与电缆的特性阻抗(Z0)相匹配。
表1.Home Bus负载电阻

*如果使用特性阻抗(Z0)不同的电缆,则应调整端接电阻(RT)以匹配应用中实际电缆的特性阻抗。
MAX22288和MAX22088具有动态电缆端接、可配置接收器阈值和发送驱动器摆率等特性,可确保获得更好的信号质量和灵活的设计。有关这些特性的详细信息,请参阅MAX22288数据手册。
总线电感
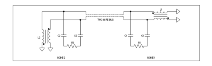
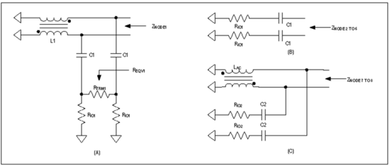
总线的总负载阻抗(ZBUS)是总线看到的端接电阻(RT)、电感(ZL)和电容(ZC)的组合,它必须大于表1所示的最小总线负载电阻。图4显示了双节点Home Bus网络的简化等效模型,每个节点都使用MAX22288,节点1向总线供电,节点2从总线获得电力。

图4.双节点Home Bus网络的简化等效模型
要计算总线总阻抗,应考虑总线上的所有元件,按照下式计算ZBUS:
![]()
请注意,L1、C1和R1是节点1的元件值,f是数据速率(单位为赫兹):
●交流阻断电感L1,其阻抗ZL1 = 2π x f x L1
●交流耦合电容C1,其阻抗ZC1 = 1/(2π x f x C1)
●以及端接电阻R1
同样,L2、C2和R2是节点2的元件值。
假设系统设计参数如下:
●端接电阻R1 = R2 = 1kΩ,Home Bus收发器节点为高阻抗
●交流耦合电容C1 = C2 = 22μF
●数据速率为10kbps,或f = 5kHz
总线的总阻抗(ZBUS)必须至少为100Ω,以满足Home Bus的负载要求。
![]()
在双节点网络中,供应的总功率等于输送的总功率。因此,假设电感L1 = L2,求解ZL:
![]()
在10kpbs数据速率下,所需电感L1、L2为:
![]()
表2显示了典型的双节点Home Bus应用中所需的最小总电感。
表2.所需总线总电感与数据速率的关系
![]()
注:假设ZBUS = 100Ω
如果受电节点使用MAX22088收发器,则可以利用MAX22088集成的“有源电感”向该节点输送电力。此有源电感可调,并且可利用MAX22088数据手册“有源电感”部分所示的公式针对不同总线条件进行优化。
请注意,由于MAX22088有源电路的实现方式,MAX22088的瞬态响应与标准差模电感不同。此外,为了支持动态电缆端接,建议增加电感值,以补偿连接动态端接的情况下总线上阻抗的突然损失。欲了解更多信息,请参阅MAX22088数据手册中的“动态电缆端接”部分。在有多个连接节点的更复杂系统中,电感值会发生变化。针对不同节点数的多节点配置中的每个节点,图5提供了所需总线电感的估计值。

图5.多节点Home Bus网络中每个节点所需的总线电感
在使用长电缆的通信系统中,电缆两端的端接对于减少反射和提高信号质量非常重要。务必仅端接最远的两个节点;否则,总线负荷会显著增加。对于更高速度的应用,所需的电感会降低。不过,增加电感不会对运行产生不利影响。
电感选择
选择配合MAX22288供电节点使用的“交流阻断”电感,对于确保多节点网络可靠运行至关重要。双线总线需要两个电感,或者说一对电感。
电感对根据其在电路中的连接方式,可配置为不同的模式。最常见的两种配置是差模和共模。在差模配置中,电流沿一个方向流过一个电感,并沿相反方向通过另一个电感返回,从而完成循环。在共模配置中,电流沿同一方向流过两个电感。这些配置有不同的用途。
差模配置会阻碍差模信号通过,但允许共模信号通过。对于差模信号,磁通沿相反方向通过电感,相互抵消,因此允许差分信号通过扼流圈。
共模配置在共模信号通过时变为高阻抗,在差模信号通过时变为低阻抗。图6显示两个电感排列成双线共模扼流圈。共模信号产生的磁通方向相同,因此会阻碍共模信号。

图6.共模扼流圈的工作原理
在Home Bus应用中,数据以差分方式通过双线总线传输,“交流阻断电感”(实际上是一对电感)必须配置为对这些差模数据信号呈现高阻抗。差模电感会阻碍这些差模数据信号;因此,“交流阻断”电感在运行时需要提供差模电感。
图7显示,当供电节点中的电感对(图3中L1)配置为差模时,通信正常(左),但当该电感对配置为共模时,波形异常(右)。

图7.“交流阻断”电感必须采用差模配置
为Home Bus应用选择差模“交流阻断”电感时,必须满足以下条件:
电感对的匝数比必须为1:1。这是为了实现平衡操作:数据信号方向相反,但幅度对称。
饱和电流必须高于总线上的最大工作电流。一旦磁芯饱和,电感就会显著减小。
电感对至少须提供所需的最小差模电感。请参阅总线电感部分以确定需要多大的电感。
电感对的直流电阻(DCR)必须非常低,通常应小于10Ω。低DCR可降低直流电传输的电压损失,提升网络的整体效率。
建议自谐振频率至少为数据速率的10倍,以确保电感对在正常条件下以“电感”方式运行。
电感方案
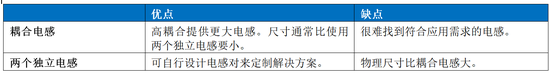
在Home Bus应用中,ADI公司建议使用耦合电感或两个独立电感作为“交流阻断”电感。

不建议使用变压器或共模扼流圈作为“交流阻断”电感。
使用耦合电感
建议将差模耦合电感配合Home Bus系统使用。不同供应商对这类耦合电感有不同的叫法,例如功率电感、扼流圈,甚至变压器。耦合电感是一组通过公共磁芯耦合的电感,其耦合系数(k)接近于1。k越接近1,磁耦合越好,泄漏越少。传统上,耦合电感用于电力电子电路,例如反激式转换器电路。虽然其直流电阻和额定电流可能满足Home Bus应用要求,但电感值通常小于几百微亨(μH)。要在Home Bus应用中使用耦合电感,须选择具有足够电感值的电感,并注意其测试条件。电感数据手册中的规格通常是在针对非Home Bus应用的条件下标定的。因此,建议按照测量差模电感部分中的步骤,在目标工作条件下测量并标定差模电感。
使用两个独立电感
可以使用两个单独的电感在PCB上创建自己的“耦合电感”。采用此方案时请遵循如下两条规则:
规则1:两个电感应尽可能相互靠近放置,以减少磁通泄漏。
规则2:以差模配置将其配对。放置两个单独电感,使得在差模信号通过时,磁通沿相同方向产生。
下面的例子使用两个8.3mH线圈电感创建一个电感对,通过它们的磁芯加上其间的空间实现耦合。

图8.两个独立电感的组合及其配置图示:(A)差模连接,(B)PCB上,(C)差模信号通过时的磁场
规则1:两个电感应尽可能相互靠近放置,以减少磁通泄漏。
当两个电感“耦合”时,电感对的总电感大于L1 + L2(L1和L2的串联组合)。总电感LTOTAL = L1 + L2 + 2M,其中M是L1和L2磁耦合所产生的互感。互感M = k x √(L1xL2),其中k是介于0和1之间的耦合系数。k=1表示磁通漏泄为零,L1和L2之间100%磁耦合。图8(C)中的红线表示两个电感之间的磁耦合;两个电感位置越近,耦合越理想,泄漏越小,因此互感M越大。
耦合系数k = 1时,如图8(A)所示配置的两个8.3mH电感的最终差模电感为L1 + L2 + 2k x √(L1 x L2) = 33.2mH。实际上,耦合系数k始终小于1。当这两个电感相距1mm时,测得的差模电感为25.8mH。电感减小是由磁通泄漏造成的。互感M = 0.5 x (25.8mH - 8.3mH x 2) = 4.6mH,表明耦合系数k = M/√(L1 x L2) = 4.6mH/8.3mH = 0.55。
当这两个电感相距1cm时,最终差模电感进一步减小,实测值为19.3mH。耦合系数降至0.33。
当这两个电感相距10cm时,测得的差模电感为16.6mH,与两个独立电感串联连接且无任何磁耦合的情况相同。这意味着磁耦合太弱,无法产生任何有意义的互感。
规则2:以差模配置将其配对。放置两个单独电感,使得在差模信号通过时,磁通沿相同方向产生。
当耦合对采用共模配置时,两个电感的磁通在差模信号通过时,沿相同方向产生并相互抵消,如图9所示。总电感LTOTAL减小,小于L1和L2的串联组合。

图9.(A)共模连接,(B)PCB上,(C)差模信号通过时的磁场
当两个电感采用差模配置(如图8(B)所示)且相距1cm时,测得的差模电感为20.3mH,大于两个独立电感的串联组合16.6mH。磁通相加,使得最终耦合电感更大。
当两个电感采用共模配置(如图9(B)所示)且相距1cm时,测得的差模电感为14.7mH,小于16.6mH。磁通相互抵消,使得最终耦合的差模电感减小。
在图10和图11中,两个Home Bus节点以50kbps的速率进行通信,使用两个独立电感创建“交流阻断”电感对。从表2可知,在50kbps数据速率下,所需的总线总电感为0.8mH。图10显示,当使用两个390μH电感来实现780μH的总电感(小于所需的最小总线电感)时,接收器波形发生失真。电感对负载200mA电流,这进一步降低了总线上的总有效电感。图11显示,当电感对由两个3.9mH电感构成以实现大于所需最小值的总线电感时,相同工作条件下的总线波形干净无失真。

图10.50kbps总线波形,使用两个390µH独立电感作为“交流阻断”电感对

图11.50kbps总线波形,使用两个3.9mH独立电感作为“交流阻断”电感对
使用变压器
电力变压器用于在初级侧和次级侧之间升压或降压。在Home Bus应用中使用变压器时,应注意以下要求:
确保匝数比为1:1。大多数变压器的匝数比通常不是1:1。初级侧和次级侧通常具有不同的交流电压。
测量差模电感,因为数据手册中往往不会给出线圈电感。
变压器通常尺寸庞大,需要占据巨大的空间。
使用共模扼流圈
共模扼流圈用于滤除共模噪声。大多数共模扼流圈不适合Home Bus应用,原因如下:
●差模电感比共模电感小得多。
●共模扼流圈的额定电流相对较小,其典型工作频率通常远高于Home Bus应用使用的数据速率。
测量差模电感
大多数电感的数据手册未提供Home Bus应用所用数据速率和偏置电流条件下的差模电感信息。通常,鉴定所选电感对的最简单方法是使用LCR表测定其特性。在应用的数据速率和偏置电流下测量差模电感和相位时,应注意以下几点:
●理想电感具有+90°相位,意味着其电流落后于其电压90°。
●当电感磁芯饱和时,电感值会迅速下降。数据手册中有时会给出滚降率。
●每个电感都有一个自谐振频率,该值通常随直流偏置电流而变化。
使用LCR表是标定所选电感的最简单方法。图12显示了使用LCR表测量差模电感的典型设置。表3展示了在实验室中使用Instek LCR-6300仪表进行测量的四个例子,并列出了它们在200kbps数据速率和200mA负载电流的Home Bus应用中的性能。

图12.使用LCR表测量差模电感
表3.使用LCR表进行特性分析和波形测量

根据表2,200kbps条件下所需的总线最小总电感为200μH。Wurth共模电力线扼流圈(产品型号7446323004)无法提供所需的最小差模电感,因此总线波形发生失真。
设计示例
示例1:57.6kbps的双节点网络
考虑一个以57.6kbps数据速率运行的双节点Home Bus网络,如图3所示。图13为简化的等效模型。供电节点通过“交流阻断”电感L1向总线供应100mA电流,而MAX22088通过其集成的“有源电感”从总线获取电力。在此示例中,元件针对57.6kbps数据速率进行了优化,选择Wurth Electronics, Inc. 的100mH耦合电感(产品型号750318652)作为“交流阻断”电感L1。

图13.双节点网络等效模型
为了确定此耦合电感能否用于该应用,计算总线上的总阻抗ZBUS = ZL1 || (ZC1+ RIO1) || (ZC1 + RIO1) || ZLAC || (ZC2 + REQV + ZC2),其中:
L1 = 138mH(20kHz、100mA偏置电流条件下,来自基准特性测试)
LAC = 22.4mH(使用MAX22088数据手册中的公式)
静态端接电阻RTRM2 = 1kΩ
MAX22288 AIO/BIO输入阻抗RIO1 = 30kΩ(典型值)
MAX22088 AIO/BIO输入阻抗RIO2 = 10kΩ(典型值)
REQV = 952Ω,由下式得出:1/REQV = 1/(2 x RIO2) + 1/RTRM2
耦合电容 = 2.2μF
数据速率 = 57.6kbps,或f0 = 28.8kHz
所以,
ZL1 = 2π x f0 x L1 = 25kΩ
ZLAC = 2π x f0 x LAC = 4kΩ
ZC1 = ZC2 = 1/(2π x f0 x 2.2μF) = 2.5Ω
ZC1 + RIO1 = 30kΩ
ZC2 + REQV + ZC2 = 957Ω
因此,ZBUS = ZL1 || (ZC1+RIO1) || (ZC1 + RIO1) || ZLAC || (ZC2 + REQV + ZC2) = 25kΩ || 30kΩ || 30kΩ|| 4kΩ || 957Ω = 713Ω,大于所需的最小总线端接电阻100Ω。
MAX22088和MAX22888评估套件均使用了该Wurth耦合电感,它支持57.6kbps的Home Bus应用。
示例2:200kbps的8节点网络
在此示例中,考虑一个以200kbps速率运行的8节点Home Bus系统,如图14所示。L1是供电节点中的“交流阻断”电感,为总线提供总计250mA的电流。我们需要确定是否能够使用Wurth Electronics, Inc.的耦合电感(产品型号744851102)。

图14.简化的8节点Home Bus系统
总线上的总阻抗ZBUS = ZNODE1 || ZNODE2 || ZNODE3 || ZNODE4 || ZNODE5 ||ZNODE6 || ZNODE7 || ZNODE8,其中:
ZNODE1是节点1(供电节点)的总阻抗。
ZNODE2至ZNODE6是节点2至6(纯数据节点)的总阻抗。
ZNODE7和ZNODE8是节点7和8(受电节点)的总阻抗。

图15.(A)节点1(供电节点)、(B)节点2至6(纯数据节点)和(C)节点7至8(受电节点)的等效电路
考虑供电节点及其等效电路,如图15(A)所示,ZNODE1 = ZL1 || (ZC1 + REQV1 + ZC1),其中:
L1 = 358μH(100kHz、250mA偏置电流条件下,来自基准特性测试)
静态端接电阻RTRM1 = 1kΩ
MAX22288 AIO/BIO输入阻抗RIO1 = 30kΩ(典型值)
REQV1 = 983.6Ω,由下式得出:1/REQV1 = 1/(2*RIO1) + 1/RTRM1
耦合电容 = 1μF
数据速率 = 200kbps,或f0 = 100kHz
所以,
ZL1 = 2π x f0 x L1 = 225Ω
ZC1 = 1/(2π x f0 x 1μF) = 1.6Ω
ZC1 + REQV1 + ZC1 = 987Ω
因此,ZNODE1 = 225Ω || 987Ω = 183Ω。
考虑纯数据节点及其等效电路,如图15(B)所示,ZNODE2-6 = (ZC1 + RIO1) || (ZC1 + RIO1),其中:
MAX22288 AIO/BIO输入阻抗RIO1 = 30kΩ(典型值)
ZC1 = 1/(2π x f0 x 1μF) = 1.6Ω
因此,ZNODE2-6 = (30kΩ + 1.6Ω) || (30kΩ + 1.6Ω) = 15kΩ。
考虑受电节点及其等效电路,如图15(C)所示,ZNODE7-8 = ZLAC || (ZC2 + RIO2) || (ZC2 + RIO2),其中:
LAC7 = 35mH(50mA负载电流下,使用MAX22088数据手册中的公式)
LAC8 = 16mH(200mA负载电流下,使用MAX22088数据手册中的公式)
MAX22088 AIO/BIO输入阻抗RIO1 = 10kΩ(典型值)
所以,
ZLAC7 = 2π x f0 x LAC7 = 22kΩ
ZLAC8 = 2π x f0 x LAC8 = 10kΩ
ZC2 = 1/(2π x f0 x 1μF) = 1.6Ω
因此,ZNODE7 = 22kΩ || (10kΩ + 1.6Ω) || (10kΩ + 1.6Ω) = 4kΩ,ZNODE8 = 10kΩ || (10kΩ + 1.6Ω) || (10kΩ + 1.6Ω) = 3.3kΩ。
总线上的总阻抗ZBUS = ZNODE1 || ZNODE2 || ZNODE3 || ZNODE4 || ZNODE5 || ZNODE6 || ZNODE7 || ZNODE8 = 183Ω || (15kΩ / 5) || 4kΩ || 3.3kΩ = 157Ω,大于所需的最小总线端接电阻100Ω。图16显示了节点1(供电节点)处的总线波形。

图16.节点1(供电节点)处的总线波形
结语
本应用笔记阐述了为Home Bus系统选择合适“交流阻断”电感的标准。建议使用“耦合电感”或配置为“电感对”的两个独立电感。务必根据实际应用条件,采用本应用笔记中讨论的标准和方法,在试验台上确定所选的“交流阻断”电感是否合格。
本应用笔记还提供了示例和基准测量结果,以帮助读者为Home Bus应用选择合适的电感。
参考文献
MAX22088数据手册和MAX22088评估套件
MAX22288数据手册和MAX22288评估套件
Home Bus简介,Home Bus简介 | ADI公司
电感供应商:
• Wurth Electronics, Inc.,www.we-online.com
• Sumida Corporation,https://www.sumida.com
©2024 Analog Devices, Inc.保留所有权利。所有商标和注册商标均属各自所有人所有。One Analog Way, Wilmington, MA 01887-2356, U.S.A.
推荐阅读:








