【导读】随着集成电路的逐渐开发,集成电路测试仪从最开始的小规模集成电路逐渐发展到中规模、大规模甚至超大规模集成电路。集成电路测试仪分为三大类别:模拟与混合信号电路测试仪、数字集成电路测试仪、验证系统、在线测试系统、存储器测试仪等。目前,智能、简单快捷、低成本的集成电路测试仪是市场上的热门。
在高等学校的电子实验教学中,经常要用到如模数转换器(ADC)、数模转换器(DAC)、555集成定时电路、3524开关电源控制器等中规模集成电路。由于学生通常是初次接触使用芯片,经常会由于操作不当造成电路芯片的损伤或损坏,而表面上却无法作出正确的判断。在这种情况下,非常需要有适当的集成电路的测试仪,用于测试、判断芯片的好坏。而市面上又没有合适的测试仪可供选购。因此,本文设计制作了可用于一些特定的中规模电路的测试仪。根据具体的需要选取了ADC0809、DAC0832、LM555、WC3524等几种芯片作为测试对象,并设计了相应的专门测试仪。
测试仪结构
测试仪的结构示意框图如图1所示。该测试仪器的控制器采用了Atmel公司的八位单片机89C55,用于完成界面管理和自动检测控制功能。其中采用了Maxim公司的MAX197高精度的A/D转换器来完成模拟信号的测试。下面分别介绍各类器件的测试原理和方法。

图1:测试仪结构框图
一、测试原理和测试电路
测试一个器件的功能或特性参数,通常采取该器件的典型应用电路,把功能体现出来,把参数值直接或间接地反映出来。
1、LM555定时电路的测试
集成定时电路LM555的应用非常广,其测试电路如图2所示。这是一个典型的定时电路接法,用于测试内部的2个比较器和RS触发器是否正常,同时可以测试控制电压是否正常。

图2:LM555的测试电路
2、模数转换器ADC0809的测试
模数转换器ADC0809的测试电路图如图3所示。根据测试电路,ADC0809的8个通道输入同样的模拟量,该模拟量同样也输送给MAX197。控制器选择ADC0809的1个模拟通道,并发出启动转换信号,使ADC0809开始转换,然后控制MAX197也开始转换。等待转换结束,分别读取两者的转换结果,并进行数值比较,根据误差限确定器件功能是否正常。改变通道继续测试,直到8个通道测试完毕,显示其结果。

图3:ADC0809测试电路
[page]
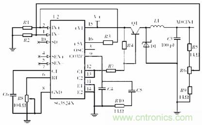
3、SG3524的测试
SG3524内部方框图如图4所示。输入直流电源UIN从15脚进入后分2路:一路作为放大器、比较器、振荡器以及逻辑电路和控制电路的电源;另一路作为基准电压源,产生+5 V基准电压输出到16引脚,作为外部电压基准。在振荡器部分的引脚7和引脚6上外接定时电容CT和定时电阻RT,得到所需的振荡频率。SG3524测试原理图如图5所示,连接成一个典型的降压型开关电源电路,利用误差放大器构成电压负反馈。通过改变取样比例系数就可以改变输出电压,单片机通过测取引脚3上的脉冲频率,通过MAX197测取输出端的电压,即可判断SG3524芯片的好坏。测试中暂时没有考虑过流保护功能的测试。

图4:SG3524内部方框图

图5:SG3524测试原理图
4、DAC0832的测试
D/A转换器DAC0832是8位二进制数模转换器,8个数字量输入端分别为DI7~DI0,其中DI7为MSB,DI0为LSB。它的模拟量输出端为电流输出IOUT1和IOUT2,当输入的数字量最大时,IOUT1端输出的电流最大;当输入的数字量为零时,输出电流最小。IOUT2端的电流输出情况正好相反。这两个端子可以和外部的运算放大器相接实现电流/电压的变换。此芯片内部还有1个反馈电阻,可以作为外部运算放大器的反馈电阻,DAC0832 测试原理图如图6所示。芯片内有两级输入寄存器,使之具备双缓冲、单缓冲和直通3种输入方式,以适于各种电路的需要,例如要求多路D/A异步输入、同步转换等。
t
图6:DAC0832测试原理图
二、操作和软件结构
测试仪的基本工作流程是:接通电源后,电源指示灯亮,表明电源工作正常,显示器显示等待测试信息,表明可以开始测试操作。由按键1选择所要测试的芯片,显示光标停留的芯片型号表示是当前待测芯片。每按1次选择键,光标指向下一个型号,不断地按键可以循环选择。当光标移到所要测试的芯片时,按下确定键2,接下来由单片机控制,开始自动测试该芯片,此时对应该芯片的指示灯亮;然后由外部电路或单片机给待测芯片一定的模拟或数字输入量,经过每个芯片的测试电路后,通过MAX197进行处理(或直接送到单片机),与单片机中预存的标准值进行比较。如果测试值在标准值附近的一定范围内,则芯片正常,测试指示灯常亮,液晶显示器显示OK;否则,芯片出错,测试指示灯闪烁,液晶显示器显示BAD。此芯片测试完毕,按下复位键3,即回到初始状态,可以进行下一轮测试。软件流程图如图7所示。

图7:软件流程图
结语:经过测试证明,该方案设计准确率达到90%以上,测试结果非常理想。
相关阅读:
解析:基于运算放大器的性能测试仪的设计过程
技术控:教你接地电阻测试仪的测量方法
如何用一只无缓冲CMOS六反相器做出测试仪器?




