中心议题:
- 安森美面向不同电源与不同应用的LED解决方案介绍
解决方案:
- AC-DC LED照明解决方案
- 功率高于50 W的AC-DC LED照明应用
- 8 W-25 W AC-DC LED照明应用
- DC-DC LED照明方案
- LED手电筒驱动方案
LED照明的应用已经从传统的便携产品背光拓展至室内照明、室外照明及手电筒等应用。根据驱动电源的不同,LED照明通常可以划分为交流-直流(AC-DC) LED照明、直流-直流(DC-DC) LED照明电源以及电池供电的LED手电筒等不同类型,LED灯具及其功率也各不相同,如3 W PAR16、3×2 W PAR20、10 W/15 W PAR30、15 W/22 W PAR38、1 W G13、3 W GU10、1 W MR11、3 W MR16、3 W/9 W/15 W嵌灯、1 W LED阅读灯等。
AC-DC LED照明解决方案
安森美半导体在AC-DC电源供电的LED照明应用,提供各种离线控制器及功率因数校正(PFC)控制器,并配合隔离及非隔离要求提供不同的LED应用方案。
在交流线路电压与LED之间没有物理电气连接的隔离应用中,常见的拓扑结构有反激(Flyback)、正激(Forward)及双电感加单电容(LLC)半桥谐振。不同拓扑结构适合于不同的功率范围或是用于满足特别的设计要求。例如, 反激拓扑结构是小于100 W的中低功率应用的标准选择,而LLC半桥拓扑结构是高能效的首选。

图1:不同功率范围的隔离型拓扑结构。
AC-DC LED照明应用中,小功率的LED应用通常以恒流(CC)来驱动,而恒压(CV)功能是在输出开路的情况下作为保护功能。大功率的LED应用可能需要在电路中增加功率因数校正(PFC),其中的AC-DC转换与LED驱动两部分电路既可能采用整体式(integral)配置,即两者融合在一起,均位于照明灯具内,也可以采用分布式(distributed)配置,从而简化安全考虑,并增加系统灵活性。
从应用的具体功率范围来看,AC-DC LED照明应用主要包括:
- 1 W-8 W:G13/GU10/PAR16/PAR20照明
- 8W -25 W:PAR30/PAR38照明
- 50 W-150 W:区域照明
- 100 W-300 W:区域照明
1) 1 W-8 W AC-DC LED照明应用
这类应用要求的输入电压为90至264 Vac,能效达80%,同时提供短路保护、过压保护等保护特性,并提供350 mA、700 mA恒流,应用领域包括G13、GU10、PAR16、PAR20及嵌灯(downlight)等。
这类应用中可以采用安森美半导体的NCP1015自供电单片开关稳压器。这器件集成了固定频率(65/100/130 kHz)电流模式控制器和700 V的高压MOSFET,提供构建强固的低成本电源所需的全部特性,如软启动、频率抖动、短路保护、跳周期、最大峰值电流设定点及动态自供电功能(无需辅助绕组)等。图1显示的是NCP1015在隔离型1 W-8 W范围AC-DC LED照明应用的电路示意图。指得一提的是,NCP1015同样可用于非隔离型(电路中不含高频变压器)1 W-8 W范围的AC-DC LED照明应用,电路中可以采用抽头(tapped)电感来提高MOSFET工作的占空比,并改善系统能效及电路性能。

图2:安森美半导体8 W LED驱动应用电路示电图(输入电压为85至264 Vac)[page]
2) 8 W-25 W AC-DC LED照明应用
美国能源部(DOE)“能源之星”(ENERGYSTAR™)固态照明(SSL)规范中规定任何功率等级皆须强制提供功率因数校正(PFC)。这标准适用于一系列特定产品,如嵌灯、橱柜灯及台灯,其中,住宅应用的LED驱动器功率因数须大于0.7,而商业应用中则须大于0.9。但这标准属于自愿性标准,即可以选择不遵从或是遵从。
相应地,在8 W-25 W AC-DC LED照明应用中,我们考虑两种情况,一种是应用没有功率因数要求,即不需采用PFC控制器,另一种是要求采用PFC控制器。在不需要PFC的应用中,我们假定输入电压规格为90~132 Vac或180~264Vac(或通用输入),能效达85%,提供短路保护及开路保护等保护特性,输出电流为350 mA、700 mA及1 A恒流,相应地可以采用安森美半导体的NCP1028或NCP1351。其中,NCP1028是一款增强型单片开关稳压器,适用于在通用主电源输入的应用中提供数瓦至15 W的输出功率。NCP1028的导通阻抗比NCP101x更低,提供800 mA峰值电流,具备NCP101x的诸多特性,此外还提供过功率保护、内置斜坡补偿及输入欠压保护等特性。NCP1351则是一款固定导通时间、可变关闭时间脉宽调制(PWM)控制器,适用于成本至关重要的低功率离线反激开关电源应用。这器件支持频率反走,还具有闩锁输入、自然的频率抖动、负电流感测及扩展的电源电压范围等特性。图3显示的是90至264 Vac输入条件下基于NCP1351的8 W-25 W LED照明方案。

图3:基于NCP1351的8 W至25 W AC-DC LED照明应用电路示意图。

图4:基于NCP1607/8 PFC控制器的8 W-25 W AC-DC LED照明应用示意图。
需要PFC的8 W-25 W AC-DC LED照明应用中,假定输入电压规格为90至264 Vac,功率因数高于0.9,能效达80%,提供短路及过功率保护,输出电流同样有350 mA、700 mA和1 A等不同选择。在这类应用中,可以采用安森美半导体的NCP1607或NCP1608 PFC控制器。NCP1607是一款高性价比的临界导电模式(CrM) PFC控制器。这器件与业界标准引脚对引脚兼容,简化工程师的设计。可调节的过压保护(OVP)及环路开路保护等功能也增强了设计灵活性及强固性。图4展示的是NCP1607/NCP1608在85至135 Vac或185至264 Vac输入条件下的LED照明应用方案。 [page]
3) 功率高于50 W的AC-DC LED照明应用
功率高于50 W的AC-DC LED应用广泛用于街道照明及大功率区域照明,可以采用不同的LED方案,用于50 W-150 W或100W -200 W的功率范围。假定其输入电压规格为90至264 Vac,功率因数高于0.95,能效达85%,提供短路及过压保护,及350 mA、700 mA和1 A的恒流输出。
此类应用可以采用下述不同方案,适合不同应用要求:
- NCP1652:改进型单段式PFC
- NCP1607/8+NCP1377:临界导电模式PFC+准谐振电流模式PWM
- NCP1607/8+NCP1396:临界导电模式PFC+高性能半桥LLC PWM
- NCP1901:最新型单段式PFC(PFC+半桥谐振)

图5:基于NCP1652单段式PFC控制器的50 W-150 W AC-DC LED方案
例如,在50 W-150 W的AC-DC LED应用中,既可以采用NCP1652这样的改进型单段式PFC控制器,也可以结合采用NCP1607/8 PFC控制器及NCP1377准谐振(QR)模式PWM控制器。其中,NCP1377结合了真正的电流模式调制器和退磁检测器,确保任何负载/线路条件下提供完整的CrM工作,并确保最低的漏电压开关(准谐振工作)。NCP1652驱动带有可编程死区时间的信号,支持有源钳位或同步整流,提供优化的能效。这器件还具有输入欠压保护、过压保护、过流保护等保护特性,支持频率抖动、跳周期及临界导电模式(CrM)/不连续导电模式(DCM)工作。基于NCP1652、采用85至135 Vac或185至264 Vac输入的50 W-150 W AC-DC LED方案的示意图如图5所示。
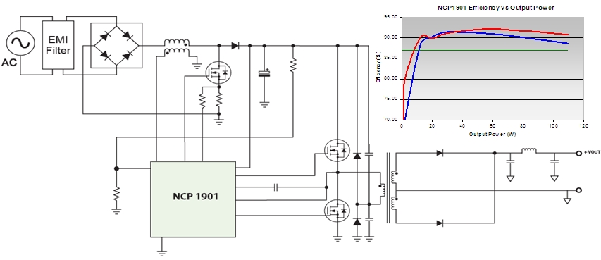
50 W以上功率的AC-DC LED照明应用如果需要更高能效的LED电源,则需要高能效的LED照明拓扑结构,往往从反激式拓扑结构转向谐振半桥拓扑结构,以充分发挥零电压开关(ZVS)技术的优势。NCP1396及NCP1901均是安森美半导体开发的LED电源用高能效谐振模式半桥方案。图6显示的是基于NCP1901的最新型半桥谐振+PFC LED方案,输入电压为90至264 Vac,功率100 W至200 W,其中半桥段工作在固定频率以及固定占空比,用于降低开关损耗。

图6:基于NCP1901的100W-200 W AC-DC LED照明方案[page]
DC-DC LED照明方案
采用DC-DC电源供电的LED照明应用中,常见具体应用包括1 W-3 W MR11/MR16降压LED灯泡、1 W-20 W升压LED驱动器和20 W-60 W大功率LED驱动器。
其中,在1 W-3 W DC-DC LED照明应用中,可以采用安森美半导体的CAT4201降压LED驱动器,这器件兼容于12 V及24 V系统,提供达350 mA的LED驱动电流,能够在24 V系统中驱动7个串联的LED,能效高达94%。这器件采用专利的开关控制架构,帮助降低系统成本,支持CrM工作并提升能效。CAT4201还提供限流、热保护及LED开路保护等全面的保护特性。
而在功率范围达1 W-20 W的DC-DC升压LED应用中,可以采用安森美半导体的NCP3065/6或NCV3065/6(汽车应用版本)降压、升压、单端初级电感转换器(SEPIC)及逆变多模LED驱动器,并选择其中的升压配置模式。另外,功率范围达20 W-60 W的DC-DC升压LED应用中可以采用安森美半导体的NCP1034同步降压PWM控制器。

图7:基于NCP1421及NCP1529的LED手电筒升压和降压方案。
LED手电筒驱动方案
手电筒DC-DC LED照明方案包括升压型及降压型两种。1 W-3 W的升压型DC-DC LED手电筒应用中可以采用带真关闭功能的NCP1421升压DC-DC转换器,而1 W-3 W的降压LED手电筒应用中可以采用NCP1529低压降压转换器,二者的应用示意图见图7。




