【导读】在使用热敏电阻、RTD或其它阻性温度传感器的精密温度测量应用中,必须注意避免传感器在激励电流作用下自热所引起的误差。但在一些应用中,自热效应也能发挥积极作用。下述设计理念理应有效,但尚未经过全面测试。
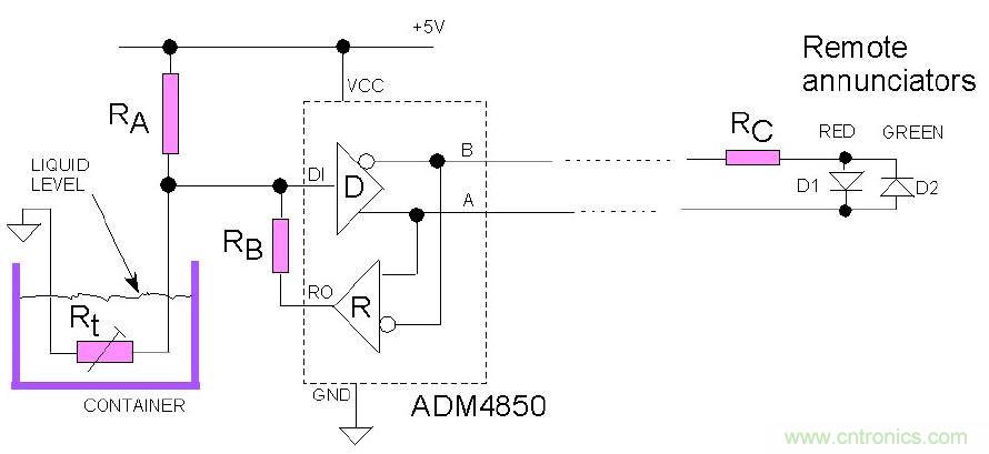
热敏电阻采用电压源驱动时会发热。如果将其浸入冷却液体中,只要液体温度保持相对恒定,则热敏电阻的温度(因而其电阻)将保持相对恒定。但是,如果液位下降,致使热敏电阻暴露在外,则液体的散热效应将消失,热敏电阻的温度将上升,其电阻(对于正温度系数元件)将增大。低成本、半双工差分线路收发器 ADM4850 很容易检测出这一情况,并予以提示。当电平提醒信号必须传输至LED等远程报警器时,差分输出将十分有用。该收发器主要用于多点数据通信,因此其输出端提供短路保护、热关断和压摆率限制(用于降低电磁辐射)特性。
我们想知道容器中的液体何时高于或低于特定液位。如图1所示,将一个热敏电阻置于此液位。浸没后,该热敏电阻的电阻相对较低。适当选择比值Rt/RA,使驱动器输入端的电压可视为逻辑0。当没有液体覆盖热敏电阻时,输入电压迅速升高,超过输入阈值电压,因而可视为逻辑1。如果需要迟滞功能,可以将接收器输出端通过电阻RB连接到驱动器输入端。

图1. 利用热敏电阻检测液位何时高于或低于预设阈值。
该电路能否可靠工作,取决于输入阈值稳定性(数据手册并未规定),以及越过临界液位时Rt和RA所产生的电压偏移。ADM4850(许多批产品、4.75V至5.25V电源电压、–40°C至+85°C温度范围)的特性数据显示:1.15 V及以下的输入电压将被视为逻辑0,1.42 V及以上的电压将被视为逻辑1。本应用建议使用EPCOS型D1010陶瓷PTC热敏电阻,它主要用作液位传感器,其电阻能够密切跟踪周围介质的热导率变化。一旦达到阈值温度,此类热敏电阻的R/T曲线会急剧上升。它采用不锈钢外壳,能够抵御恶劣环境中的燃油、溶剂和其它液体腐蚀。
RA值取决于液体和周围空气的温度。最差情况是液体热而空气冷。由D1010数据手册可知,当液体温度高达+50°C且空气温度低至–25°C时,RA标准值909Ω是很好的选择。室温下且无激励时,D1010样片的电阻测量结果约为149Ω。
工业应用中,某些故障可能会使RA或Rt暴露于破坏性高压下。对于这种情况,可以考虑使用ADM4850的隔离版本收发器 ADM2483 . 这款半双工差分总线收发器集成电气隔离,可耐受1分钟2.5 kV均方根电压。驱动该器件的热端需要使用隔离电源。
推荐阅读:






