【导读】尽管有关电动交通的大部分讨论一直围绕于无人驾驶汽车及其在拥堵道路上安全导航的能力,但开发和部署紧凑、高效的充电基础设施是此类汽车达到较高普及率的一项重要前提。
尽管有关电动交通的大部分讨论一直围绕于无人驾驶汽车及其在拥堵道路上安全导航的能力,但开发和部署紧凑、高效的充电基础设施是此类汽车达到较高普及率的一项重要前提。
在未来,对电动汽车充电桩存在需求的将不仅包括大都会及周边公路,还包括居民区。充电桩的相关计费系统也需要达到一定的复杂程度和安全水平——必须能够对每辆电动汽车进行正确的识别,才能对各种用电情况进行正确的计费。
另外一个重要方面是充电连接装置的标准化。目前,一些组织(例如,CharIN)不仅致力于对连接装置,还致力于对电动汽车与充电桩通信时遵循的通信协议实施标准化。
由于电网运营商必须设法应对峰值需求,而要实现电动汽车的全面部署,需要有大量电力对电动汽车进行充电。因此,负荷平衡将是一大挑战。然而,解决方案就隐藏于问题本身。在电力需求峰值期间,可将一些电池已充满但仅用于短途行驶的电动汽车的多余电能馈入电网中(前提是保留下班回家所需的足够电能)。
在汽车革命一开始,公路上的电动汽车的数量多于内燃机汽车。然而,随着电子起动器的发明,内燃机驱动型汽车成为主流,电动汽车则逐渐消失。1972年的石油危机,以及20世纪90年代出现的加州零排放法规等事件,重新点燃了人们对电动汽车的兴趣,但历史表明,电动汽车一直未能进入大众市场。
近年来,在出现新电池技术、全球对环境问题高度关注,以及客户需要替代化石燃料的清洁能源的背景下,电动交通技术再次成为一项具有可行性的技术。
目前,电动汽车(EV)在每次充电后一般能行驶数百千米的里程,因此,让电动汽车行驶一整天,是具有现实可能性的。尽管如此,人们对使用电动汽车进行长途行驶的相关里程问题的担忧,仍然是阻碍客户采用新技术的一个障碍。同样,那些没有专用充电设施或者甚至无法确保有持续电力供应的潜在客户,仍然希望能确保在可接受的时间段内对电动汽车进行充电。
目前,公共区域中安装的充电桩的输出功率一般在50千瓦以内。虽然功率已相当大,但假设电动汽车每100千米的耗电量为25千瓦时,则要让电动汽车再行驶100千米,需要充电半小时。同样,将100千瓦时的电池充满,需要充电两个多小时,而许多用户认为此充电时间太长。
对于高速公路上的充电桩,人们希望它们能在几分钟而非几小时内完成充电。人们对能够增加充电里程的大功率电池,以及对缩短充电耗时的需求,催生了功率高达350千瓦的新一代充电桩。
除了能够实现对电动汽车进行快速充电之外,这些新设计还将促进目前正在进行的电动公交与电动货车充电技术的研发。电动公交与电动货车的电池容量预期需要达到250-400千瓦时左右,才能在每次充电后确保汽车行驶合理的里程,而理想的充电耗时不超过一小时。
高功率充电桩的设计包含多项挑战,尤其是充电系统的效率(因为可供额外冷却的空间有限)。要达到350千瓦的输出功率和97%的效率,会产生约10千瓦的损耗,这使得热管理成为一项挑战。当电流高达500A时,功率路径中的每个半导体都会造成系统损耗。对于IGBT等双极器件,其正向电压决定了静态损耗,而MOSFET等单极器件的损耗则主要由通道电阻决定。
考虑到电流较大,不同器件通常并联使用,以提高其容量。IGBT无法显著提高效率,但与MOSFET并联运行时,可减小通道电阻,从而提高效率。因此,碳化硅(SiC)MOSFET是此应用的理想选择。
设计一种基于子单元(各子单元功率在15到30千瓦之间)并联的模块化充电桩结构,是确保充电桩可根据市场需求和技术趋势进行升级的关键。未来的设计目标将是,在不增大尺寸的前提下,将子单元功率提高到60千瓦左右,从而将目前的功率密度提高到两倍以上。
常见的充电桩设计由一个输入级(包含线路滤波器)和PFC级、一条直流链路,以及一个基于变压器的直流-直流转换器(电隔离)组成,类似于图1所示。

图1:直流充电桩供电段最基本的结构框图
这种基本设计存在若干缺陷——例如,由于设计中缺少对直流电压的控制,因此,方波电流会对电网造成干扰。然而,在这种简单的设计中,组件数量有限,因而成本较低。图2显示了一种更高级的、被普遍采用的解决方案。

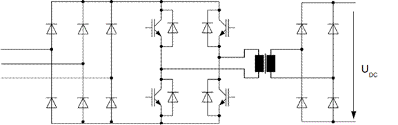
图2:直流充电供电级(包括Vienna整流器和串联LLC)
在此拓扑中,输入端的Vienna整流器引入正弦栅极电流,并控制升压模式的直流链路电压。此外,可选择闭锁电压较低的关键半导体,也就是用650 V器件替换简单设计结构中的1200 V器件,从而提高效率。将硬开关设计更改为使用谐振直流-直流转换器作为输出级,可进一步减小损耗。
当然,效率的提升是有代价的。安装的半导体的数量越多,栅极驱动器的设计就越复杂,隔离电源的数量就越多——这一点仍然是此设计的一个缺陷,需要予以考虑。此外,控制算法也有些复杂,导致设计难度提高。
近年来出现了基于宽带隙材料的高压MOSFET,让我们可在不牺牲效率的前提下降低充电桩结构的复杂性。图3显示了一种使用单个构件与半桥拓扑的充电桩:

图3:在半桥拓扑中将碳化硅MOSFET用作构件的供电段
图3中的蓝色阴影方框代表英飞凌的FF11MR12W1M1_B11——一种Easy1B功率模块,包含1200 V碳化硅MOSFET并采用半桥配置,通道电阻(25°C)低至11毫欧。当无需采用电流隔离时,半桥可以降压-升压模式运行。不同模块交错并联,以便应对更高的功率水平。
将MOSFET用作有源前端,使得此设计结构可作为PFC级运行,并在本质上实现向电网回馈电能的能力。此方案兼具组件数量少、效率最高的优点,同时尽可能地降低了系统复杂程度。此外,在此方案中,我们可选择将充电桩整合到“汽车到电网”(V2G)应用中,或者,整合到“汽车到住宅”(V2H)应用中。
由于在基于MOSFET的设计结构中,开关频率较高,因此,输入滤波器组件的尺寸可缩减,使得设计更紧凑。同步整流等技术可减少损耗,从而减少热管理任务。
随着电动汽车充电市场的发展,预期未来将有许多来自不同背景的新参与者进入该市场,并且这些新参与者都将需要获得不同水平和类型的支持。作为英飞凌的首选经销合作伙伴,并且凭借自身以市场为导向的组织结构、高度专业的技术支持,以及派驻现场的应用工程师,EBV已具备相当实力,为满足各类客户的需求提供支持。
(来源:中电网,作者:Martin Schulz;Karl Lehnhoff)
免责声明:本文为转载文章,转载此文目的在于传递更多信息,版权归原作者所有。本文所用视频、图片、文字如涉及作品版权问题,请联系小编进行处理。
推荐阅读:




