【导读】随着无线电力传输技术在消费类电子产品中的日益普及,工业和医疗行业也把关注焦点转移至这项技术及其固有优势。在如 WLAN 和蓝牙(Bluetooth)等各项无线技术的推动下,通信接口日益向无线化发展,无线电力传输技术也成为一种相应的选择。
1.简介
随着无线电力传输技术在消费类电子产品中的日益普及,工业和医疗行业也把关注焦点转移至这项技术及其固有优势。在如 WLAN 和蓝牙(Bluetooth)等各项无线技术的推动下,通信接口日益向无线化发展,无线电力传输技术也成为一种相应的选择。采用一些全新的方案,不仅能带来明显的技术优势,还能为新的工业设计开辟更多可能性。这项技术提供了许多新的概念,特别是在需要对抗腐蚀性清洁剂、严重污染和高机械应力等恶劣环境的工业领域,例如 ATEX、医药、建筑机械等。比如,它可以替代昂贵且易损的集电环或触点。另一个应用领域是必须满足增强或双重绝缘等特殊要求的变压器。
本应用说明旨在阐述使用电路技术可以轻松实现数百瓦甚至更高规格的无线电力传输解决方案,同时无需使用软件或控制器。

图 1:Würth Elektronik 无线充电线圈。
2.ZVS 振荡器(差模谐振转换器)
本应用说明中使用经典的谐振转换器作为时钟电路。
该振荡器提供诸多优势:
●独立振荡,只需一个直流电源
●电流和电压曲线非常接近正弦曲线
●无需有源器件和软件
●可在 1 W - 200 W 范围内灵活扩展
●MOSFET 开关接近过零点
●可扩展,以适配多种不同的电压/电流
2.1.基本电路/原理图:

图 2:基本谐振转换器电路。
图2所示的基本电路为发送侧,包括发送线圈 LP。接收侧可以采用相同的基本电路(见第3.1章)。
2.2.功能
谐振转换器通常以恒定的工作频率工作,该工作频率由 LC 并联谐振电路的谐振频率确定。一旦向电路施加直流电压,它就会基于 MOSFET 器件容差开始振荡。较短时间内,两个 MOSFET 中的一个的导电性会略微超过另一个。两个 MOSFET 栅极的正反馈和导电性较差的 MOSFET 的相反漏极会产生 180° 相移。因此,这两个 MOSFET 总是异相驱动,永远不能同时导通。两个 MOSFET 交替将两个并联谐振电路两端交替接地,使谐振电路周期性充电。

该电路拓扑结构的另一个特点是电压始终接近过零点,这意味着 MOSFET 的开关损耗极低。该开关拓扑结构的缺点则在于,谐振电路中流通的无功电流会导致空闲状态下的功耗相对较高。因此,理想情况下,谐振转换器应该只在加负载下运行。同时应考虑谐振电路的频率会随接收侧的耦合系数而变化。这是由于接收侧的反射阻抗影响发射侧的磁化电感而导致,因为两侧为并联。随着发送侧磁化电感的下降,耦合系数降低,导致频率上升。
图 1 中的基本电路可以在 3.3 V 至 230 V 以上的电压下运行,具体取决于所用器件。当输入电压高于 20 V 时,必须注意接触保护,因为谐振电路中的电压已经高于 SELV(额定安全低电压)阈值 50 VAC/120 VDC π 倍或以上。

图 3:发射线圈的电压用蓝色和红色显示。栅极电压用黄色和绿色显示。
(这些电压曲线测量以电路接地端 GND 为参考;Vin = 20 V;Pout = 100 W;优化的栅极驱动,参见应用示例)
实际上,整个无线电力传输电路的效率可能超过 90%。这很难得,因为通过气隙产生的耦合损耗已计入,并且输入端可获得稳定的直流电压。气隙在 4-10 mm 范围内时,效率均可保持稳定。磁场中很大一部分未耦合至接收侧的能量会返回“谐振槽路”。根据具体应用,最大距离可达18 mm,但耦合系数和 EMC 方面会有所牺牲。
发射侧的电路同样可用于接收侧,而谐振转换器用作同步整流器。此处需要考虑,接收侧的谐振频率应与发射侧的谐振频率非常接近。这样还可以产生最大的“吸收电路效应”。C 和 L 并联连接意味着次级侧作为类似于负载的恒定电流源,这可以显著提高电路的整体效率。此外,电容器还可补偿无线电源线圈的杂散电感。如果电路构建得当(即......),则接收器可以将能量反馈给发射器(即负载处采用 Linear Technology 的“理想”二极管)。

图 4:发射线圈电压(不以电路 GND 为参考;Vin = 20 V/Pout = 100 W)。

图 5:发送侧输入供电的反射纹波和噪声 (Vin = 20 V/Pout = 100 W)可使用低 ESR 聚合物和陶瓷电容器降低电压纹波。
使用更小的 MOSFET 代替肖特基二极管驱动栅极,或使用双极推挽电路(参见应用示例),可以提高效率。
对于超过 20 V 的电源电压,可以使用电容分压器来驱动 MOSFET 栅极或DC/DC转换器(如高效紧凑的Würth Elektronik MagI³C 电源模块)作为辅助电压源(参见第 3 节中的应用示例)。
同样,在接收侧,也可以用经典的桥式整流器代替谐振转换器。其优点包括更高的输出电压、更低的成本、更小的空间,但二极管损耗会导致效率降低。
负载频率一般不应超过 150 kHz,否则并联电容器、发射和接收线圈的损耗会过高。此外,150 kHz 以下的 EMC 限值也更高(例如 CISPR15 EN55015 9 kHz - 30 MHz)。105-140 kHz 是迄今为止进行的所有试验权衡之下得到的最佳频率范围。根据目前已获批准的感应电力传输频带(100-205 kHz),此频率范围可以确保您处于一个安全的频率范围之内。
如果最终产品将在多个国家/地区上市,则应事先确定各个国家/地区的法规以及允许的频段,以缩短开发阶段的时间。

图 6:6.5 mm 气隙测量电路 (Vin = 20 VDC;Pout = 100 W)。

图 7:6.5 mm 气隙测量电路 (Vin = 20 VDC;Pout = 100 W)。

图 8:Pout = 100 W(Vin = 20 V) 的电路/线圈的温升(上侧 = 滤波器 + 电容器)。

图 9:Pout = 100 W (Vin = 20 V) 的电路/线圈的温升(下侧 = MOSFET + 栅极驱动)。
2.2.1无线电力变压器的 EMC 特性
通过各种无线电力应用传输电力时,遵守 EMC 限值要求并非易事。挑战在于,发射和接收线圈就像一个耦合系数不佳且气隙极大的变压器,这会导致线圈附近产生很高的杂散电磁场。EMC 测量表明,从基波频谱到 80 MHz 的频率范围内都可能发生宽频干扰。如果将测量的干扰水平保持在限值以下(并留有一定的余量),则可认为干扰场强度也能保持在限值以下。总体而言,EN55022 B 类等限值可能成为开发中不容低估的挑战。

图 10:干扰电压测量中的频谱示例(9 kHz - 30 MHz/B 类限值)。


图 11:针对共模和差模干扰源的抑制措施。
由于 E 场(杂散场)是导致 WPT 应用中 EMC 问题的主要原因,因此必须采取适当的措施:
A.为减少涡流,应在 WPT 线圈(特别是发射线圈)下设置朝向电路的带槽金属平面(例如覆铜 PCB)。该电路必须通过一个电容(例如1-100 nF/2000 V WE-CSMH)接地或连接至电路外壳。这样可以将大部分 E 场短路到电源,不再通过地面传播。
B.使用足够的金属屏蔽和/或吸收材料 (WE-FAS/WE-FSFS) 屏蔽发射和接收线圈及其驱动。
C.如果漏电流允许,可使用 Y 电容(最大 2x4.7 nF)降低宽频干扰电平 (WE-CSSA)。
D.为滤除低频范围 (50 kHz – 5 MHz) 内的共模干扰源,根据具体工作电压和电流,可使用以下电流补偿(共模)扼流圈系列:WE-CMB/WE-CMBNC/WE-UCF/WE-SL/WE-FC
E.为滤除高频范围 (5 MHz – 100 MHz) 内的共模干扰源,根据具体工作电压和电流,可使用以下电流补偿扼流圈系列:WE-CMB NiZn/WE-CMBNC/WE-SL5HC/WE-SCC
F.根据具体工作电压,以下可抑制差模干扰的电容器系列可连接在 +/- L/N 之间:WE-FTXX/WE-CSGP
G.由于整个电路中的交流电流非常高,根据具体应用,紧凑的低电感 PCB 布局对于成功克服 EMC 问题至关重要。功率级器件和谐振电路应紧邻布置,并使用大片覆铜区域(多边形)与低电感连接。

图 12:由于最大可允许漏电流的限制而无法使用 Y 电容接地的设置示例(例如医疗设备、手持设备、ATEX)。
在开发期间,通常建议与有资质的 EMC 实验室展开合作,以便测量整个设计过程中的性能。在大规模投产后进行更改常常会产生更高的费用和额外的工作量(电磁场强度限值)。
2.2.2 发射和接收线圈
为了找到合适的无线电力传输线圈,首先应考虑以下几个方面:
§线圈中的预期最大电流(无功额定电流)是多少?
§最大可允许的封装尺寸(长/宽/高)是多少?
为避免线圈出现不必要的饱和或过热,应始终预留 30% 的安全缓冲。如果可以装入多个线圈,应使用电感最高的线圈,这样谐振电路的电容器就可以更小。此外,这一措施还可以降低谐振电路中产生的无功电流。降低谐振电路中的电流可以减少自热,改善 EMC 特性。

发射和接收线圈的封装尺寸相同时可实现最佳耦合,因此建议尺寸比为 1:1。WE-WPCC 系列器件(例如760 308 102 142(53 mm x 53 mm)、760 308 100 143(ø 50 mm)、760 308 100 110(ø 50 mm))专为高功率应用开发,可用作发射和接收线圈。它们的特点是Rdc值非常低,Q 值非常高,同时饱和电流 IR非常高。
2.2.3.并联电容器
由于并联谐振电路中流通的电流较高,因此并非所有电容器技术都适合此项目。根据具体应用,只有三种不同的类型可供选择:MKP(例如WE-FTXX)(WE-FTBP)、NP0 (例如WE-CSGP)或 FKP。这些电容器类型的损耗系数较低,因此能够维持高交流电流而不会过热。然而,根据谐振转换器的具体功率,通过并联多个电容器来分散电流和自热也非常普遍。应当注意避免让任何一个电容器的温度超过 85°C。由于X7R、X5R、MKS 等电容器的损耗系数较高(尤其是介电损耗),因此他们不适合用于谐振转换器。考虑到封装尺寸、成本和需最大限度降低谐振电路中的无功电流,应选择尽可能低的电容。此处的限制因素是转换器的最大工作频率以及发射和接收线圈的电感水平。电压稳定性应至少为 π Vin,此外再预留20% 的安全储备。还必须考虑到,频率低于 5 kHz 时,MKP 电容器的最大允许VACrms电压会显著下降。
电容器损耗系数 (%):DF = 2•π•f•ESRcap•C•100
2.2.4.滤波电感器
两个滤波电感器将“AC”谐振电路与电源适度分离。同时,它们还可用作恒定电流源和滤波元件。容许的负载电流必须适应电路的最大额定电流。务必使用带有气隙和高品质因子的经典功率电感器(例如WE-HCI;WE-PD;WE-LHMI)。其额定电感至少应比 WPT 线圈的电感高 5 倍,以便将足够的能量重新加载到谐振电路中。如果输入/输出纹波仍然太高,可以增加滤波电感器或电容器的值。也可以减小滤波器器件的 ESR,同样可减小纹波。扁平线功率电感器 (WE-HCF/WE-HCI) 有利于在高电流下保持尽可能低的交流和直流损耗。由于这些电感器必须不断将高交流电流重新加载到谐振电路,因此磁芯材料的磁滞和涡流损耗会产生相当高的自热。所需的电感水平与滤波电容器的电容直接相关。更多信息请参见第2.2.7节。

2.2.5MOSFET
选择合适的 N-MOSFET 主要取决于电源电压的大小。例如,如果只有 5 V,则必须使用逻辑电平类型,以便可靠地驱动栅极。由于大多数功率 MOSFET 的最大栅极电压为 +/- 20 V,因此在电源电压高于 20 VDC时,必须采取相应措施对栅极加以保护。可以使用接地的稳压二极管或电容分压器,将栅极电压保持在最佳范围内。此外还必须注意,栅极电压不能太低,否则谐振转换器中的 MOSFET 会滞留在线性放大器工作模式,导致电路进入闩锁状态。这通常会导致两个 MOSFET 中的一个过热。此外,必须注意防止高于电源电压 π 倍的电压过冲。例如,在 20 Vcc下,MOSFET 必须承受至少 63 V 的漏源电压,此时应使用 100 V_DS 类型。电路的效率在很大程度上取决于 MOSFET 的“导通”电阻 (Rdson) 和栅极电荷(总栅极电荷)的大小。此处必须做出权衡,因为 MOSFET 的Rdson较低时,总栅极电荷通常较高。

2.2.6.二极管和上拉电阻器
由于必须相对快速地为 MOSFET 充电,因此栅极的充放电会快速产生较大电流。这些充电/放电电流必须通过上拉电阻和二极管,由此产生的损耗不可小视。因此,必须适当选择这些器件的最大允许功率损耗 (Pv) 和载流能力。同样,二极管必须具有与 MOSFET 相同的电压稳定性。此外,也可以使用 MOSFET 的体二极管替代经典二极管或肖特基。根据具体型号,它们可在高温下表现出优势特性,这些特性通常会在数据表中注明。反向恢复损耗也不应被低估,必须加以考虑。
上拉电阻器/二极管功率损耗:Pv = (U diode•I) + (I2•R pull-up)
2.2.7输入和输出电容器
这些电容器与功率电感器结合使用,主要是作为滤波器。当谐振频率低于 200 kHz 时,电容必须相应地增加。试验表明,根据具体应用和使用的功率电感器,电容数值预计在 10 到 1000 μF之间。LC 滤波器产生的 -6 dB 切断频率应为谐振电路频率的大约 1/10。理论上,衰减预计为 40 dB/dec。考虑到寄生元件效应,实际的衰减值应为 30 dB/dec。根据具体使用的滤波器线圈,可以在直流电流上叠加一个较高的交流电流分量。如果电流过高,可使用铝聚合物电容器代替铝电解电容器以承受大交流电流。低 ESR 的聚合物和陶瓷电容器还可提供显著减小反射电压纹波振幅的可能性。更小的电压纹波意味着 EMC 干扰测量中的干扰电平也更低。使用铝电解质电容器和聚合物或陶瓷电容器(例如WCAP-PTHR/WCAP-PSLC)并联可以达到最佳效果。

2.3.谐振转换器的缺点
在实践中,此电路拓扑结构必须考虑两个因素,以防止 MOSFET 出现闩锁情况。
1.切换时发射器的供电
如果在电路的瞬态振荡期间,电源不能提供足够的电流,两个 MOSFET 中的一个可能会滞留在线性放大模式,输入电压将永久短路接地。这会导致 MOSFET 过热,造成永久性损坏。此外还应注意,输入滤波电容器的规格不宜过大,否则可能会由于电源的充电电容更大,进一步加剧这种“闩锁”效应。
实践中,将电容器和谐振电路在电路其余部分之前连接到工作电压,可以避免这种效应。然后可以通过光耦合器或晶体管切换 MOSFET 的栅极。也可以通过切换延后于电源的独立电压源(例如Würth Elektronik MagI³C 电源模块)来驱动栅极。
2.接收侧到发射侧的反射阻抗
考虑到接收侧较大的负载跃升或两个线圈耦合系数的突然变化,反射阻抗可能会导致发射侧的磁化电感部分发生短路。反之,这又可能导致振荡中断并使电路进入“闩锁”状态。

为了应对这种情况,可以利用另一个并联电容器(频率比发射器高 10-20%),稍微降低接收器谐振电路的频率。或者,可以将另一个电感(功率电感器)并联连接到与传输路径没有磁耦合的发射线圈。该并联电感必须等于或小于发射线圈的磁化电感。该并联电感在 ZVS 过程中存储能量,有助于在不利的负载瞬变情况下保持振荡。

在首批原型阶段,必须在可能的情况下测试所有可能的负载情况,以确保设计可靠,功能适当。
2.4.WPT 线圈环境优化
如果 WPT 线圈固定在金属上,可能由于杂散磁场引起的感应涡流而导致感应损耗。此外,附近的金属(例如 PCB 上的铜)可能会被动加热。电路也可能会受到强杂散磁场的影响。随着 WPT 线圈间隔的增加,这种效应会增强。
适当的应对措施包括增加线圈与 PCB/金属的距离,以及使用高渗透性铁氧体箔,例如WE-FSFS。这样,磁通量会得到明确控制,不会转化成热量。同时也可以增加耦合系数,从而提高效率。这种自粘柔性铁氧体箔有多种尺寸和厚度可供选择。

图 13:WE-FSFS 型号374 006(µ'' 是损耗的实部,µ'''' 是损耗的虚部)。
3.应用示例
3.1.简单的接收电路

图 14:采用肖特基二极管和抗纹波电流铝聚合物 SMD 电容器的桥式整流电路。该接收电路的输出功率约为 20 W,具体取决于冷却表面。
3.2.标准谐振转换器(发射器和接收器最高约 10 W)

图 15:用于最高 10 W 的简单发射器/接收器谐振器电路示例。应对所有发射器实施输入电流监测。这可以防止功率 FET 热过载。如果振荡在运行期间未能正常启动或发生故障,其中一个功率 FET 将由 GND 永久控制,从而导致高温损坏。逻辑电平 FET 只能在电源电压低于 9 V 时使用。
请注意:电压高于 50 VAC/120 VDC 时,请采取预防措施和接触防护!
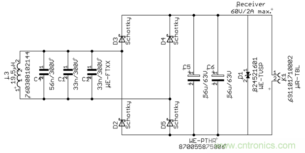
3.3.修改后的接收电路示例(最高约 50 W)

图 16:用功率肖特基二极管代替滤波电感器,可通过接收器的双重整流提高输出电压;需要输出滤波器 (C7/C8/L1);为了给栅极供电,借助于 LDO/降压转换器,可以从 L1 处的高直流电压产生一个低电压,这样就可以从设计中移除分压器和10个二极管。此电路只能在接收侧使用,最高可达 50 W。如果不使用逻辑电平 FET,则栅极电源电压至少需要 9 V 才能实现安全可靠的传输。
请注意:电压高于 50 VAC/120 VDC 时,请采取预防措施和接触防护!
3.4.推挽式栅极控制示例(发射器和接收器最高约 100 W)

图 17:通过栅极的推挽切换而不是半正弦来控制功率 MOSFET 栅极;该电路可用于发射侧和接收侧。借助 LDO 或 WE 电源模块 (171 012 401),可以从工作电压产生 8-10 V 辅助电压。输入端务必设置过流切断。如果振荡在运行期间未能正常启动或发生故障,其中一个功率 FET 将永久连接到 GND,从而发生高温损坏。逻辑电平 FET 只能在电源电压低于 9 V 时使用。
请注意:电压高于 50 VAC/120 VDC 时,请采取预防措施和接触防护!
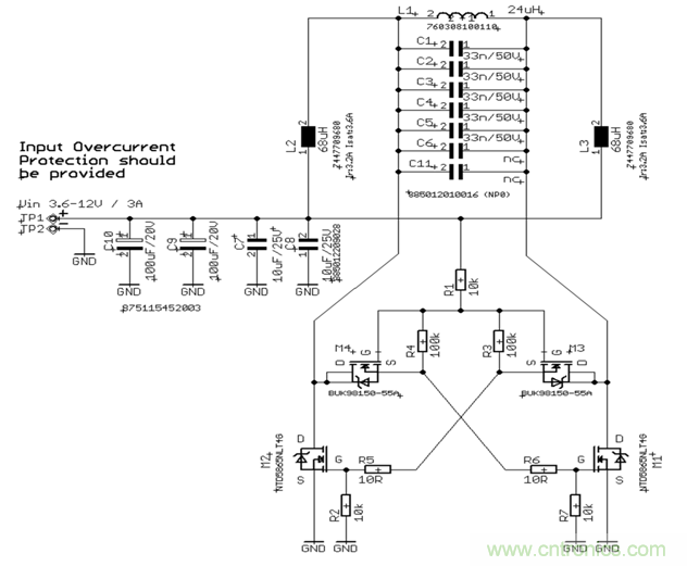
3.5.推挽式栅极控制示例(发射器和接收器最高约 60 W)

图 18:通过栅极的推挽切换而不是半正弦来控制功率 MOSFET 栅极;该电路可用于发射侧和接收侧。借助 LDO 或 WE 电源模块 (171 012 401),可以从工作电压产生 8-10 V 辅助电压。输入端务必设置过流切断。如果振荡在运行期间未能正常启动或发生故障,其中一个功率 FET 将永久连接到 GND,从而发生高温损坏。逻辑电平 FET 只能在电源电压低于 9 V 时使用。
请注意:电压高于 50 VAC/120 VDC 时,请采取预防措施和接触防护!
3.6.推挽式栅极控制示例(发射器和接收器最高约 30 W)

图 19:通过栅极的推挽切换而不是半正弦来控制功率 MOSFET 栅极;该电路可用于发射侧和接收侧。借助 LDO 或 WE 电源模块 (171 012 401),可以从工作电压产生 8-10 V 辅助电压。输入端务必设置过流切断。如果振荡在运行期间未能正常启动或发生故障,其中一个功率 FET 将永久连接到 GND,从而发生高温损坏。逻辑电平 FET 只能在电源电压低于 9 V 时使用。
请注意:电压高于 50 VAC/120 VDC 时,请采取预防措施和接触防护!
3.7.双谐振转换器应用(最高 20 V/8 A)

图 20:发射器和接收器约 100 W。
3.8.带中心抽头的谐振转换器应用(最高 30 W)

图 21:中心抽头线圈的谐振转换器。该电路的优点是只需要一个滤波线圈。由于采用中心抽头,频率增加两倍,电压振幅减小。这样可以使用更小的滤波线圈。此外,具有两个重叠线圈的阵列也比较容易控制。使用 LDO 或 WE Magic 电源模块 (171 012 401),可以从工作电压产生 8-10 V 辅助电压。
请注意:电压高于 50 VAC/120 VDC 时,请采取预防措施和接触防护!

图 22:线圈阵列 (760 308 104 119) 发送器/接收器 3.9 应用示例的结构。
4.总结
该谐振转换器非常灵活,可满足许多不同应用的要求,目前是最有效的数百瓦级无线能量传输方式。如果应用需求在安全性、通/断、充电状态监测等方面有所增加,硬件开发人员可将该电路作为基础电路进行扩展。也可使用具有有源调节的经典 H 桥电路替代谐振转换器拓扑结构作为基础电路。在任何情况下,都应在开发的早期阶段对首批原型进行 EMC 测量。
要实现高效率、最紧凑的封装和良好的 EMC 特性,主要取决于时钟电路以及发射和接收线圈。除了产品种类繁多之外,Würth Elektronik 提供的线圈还具有同类封装中的最高品质因子,这可以获得更高的电感值,从而缩小电容器的封装尺寸。
此外,高功率产品只使用 HF 绞合线(交流损耗低)和高质量铁氧体材料(磁导率高)。这意味着最终产品可以达到最高效率和最佳的 EMC 性能。
相关Elektor杂志文章链接
5.Digikey应用示例物料清单

重要说明
基于我们目前的知识和经验获得的应用信息仅可作为一般性信息,并非伍尔特电子集团有限公司对产品是否适合客户应用的担保。应用信息可能会随时更改,恕不另行通知。未经书面同意,不得复制或拷贝本文档及其部分内容。伍尔特电子集团有限公司及其合作伙伴和子公司(在下文中一起称为“WE”)不负责提供任何类型的与应用相关的支持。客户可以在其自己的应用和设计中获得 WE 的支持和产品建议。WE 产品在特定设计中的适用性和使用始终由客户全权负责。基于此,客户应负责启动必要的调查,并且确定具有产品规格书所述之特定产品特性的设备是否已获得批准并且适合用于相应的客户应用。
技术数据会在产品的最新数据表中规定。因此,客户必须使用数据表,并注意确保数据表为最新版本。客户必须严格遵守产品特定的注释和警告。WE 保留对其产品进行校正、修改、新增、改进和其他修订的权利。
此处不授予任何类型的许可和其他权利,尤其是专利、实用新型、标志、版权或其他商业保护权利,亦不暗示有任何义务授予此类权利。WE 发布的有关第三方产品或服务的信息不构成 WE 授予使用此类产品或服务的许可,也不构成 WE 为其提供担保或背书。
WE 产品不允许用于注重安全的应用,以及由于产品故障会导致严重人身伤害或死亡的应用。此外,WE 产品不能用于军事技术、航空航天、核控制、海军、运输(机动车辆、火车或船舶控制)、交通控制装置、民防、医疗技术、公共信息网络等领域的设计或应用。客户必须在规划阶段(设计阶段)开始前将此类使用的意图告知Würth Elektronik。对于具有严格安全要求且电子元器件的故障或失效可能会危及人员生命及肢体安全的客户应用,客户必须确保其具有与其应用的安全和法律后果相关的必要专业知识。客户确认并同意,尽管 WE 提供了所有与应用相关的信息和支持,客户仍须对与其产品以及在此类注重安全的应用中使用 WE 产品有关的所有法律、法定和安全要求全权负责。客户应负责赔偿在此类注重安全的应用中所导致的所有索赔并免除Würth Elektronik 的任何损害。
免责声明:本文为转载文章,转载此文目的在于传递更多信息,版权归原作者所有。本文所用视频、图片、文字如涉及作品版权问题,请电话或者邮箱联系小编进行侵删。





