【导读】FCS5717E作为一款与FP5207核心性能、封装规格高度匹配的异步升压DC-DC控制器,实现无需修改PCB的无缝替换,全面适配原FP5207的手持便携设备、充电器等应用场景。其不仅在封装、参数范围、功能保护机制上与FP5207完全对齐,保障替代无压力,更具备更宽输入电压、更高反馈精度等优势,外围配置可直接复用原方案,替换成本极低,为相关方案升级与成本优化提供优质选择。
核心参数全面覆盖FP5207需求,替代无压力:输入电压范围2.7V~36V,不仅覆盖FP5207的工作电压区间,还支持低至2.7V的启动电压,适配单节锂电池及宽压场景;开关频率100KHz~1MHz可调,与FP5207频率范围一致,外部RT电阻取值19.2KΩ~192KΩ(浮空默认180KHz),调节方式相同;反馈电压1.2V(精度±1%),通过FB引脚分压电阻设定输出电压,调节逻辑与FP5207一致,可复用类似分压电阻选型思路;关断电流3.5μA,低功耗表现贴近FP5207,待机对电池续航影响小。
功能与保护机制和FP5207完全对齐:采用电流模式PWM控制,轻载自动切换至跳周模式(PSM)提升效率,与FP5207工作逻辑一致;内置软启动功能,避免启动电流尖峰;输入欠压保护(2.6V阈值,0.1V滞回)、开关管过流保护(通过CS引脚外接电阻设定)、150℃过温保护(30℃滞回),保护体系完整覆盖FP5207的核心防护需求;需驱动外部NMOS,EXT引脚提供栅极驱动信号,驱动方式与FP5207相同,外部MOS选型可复用原方案。
相比FP5207,CS5717E输入电压范围更宽(36V最高输入),反馈电压精度更高(±1%),适用场景更灵活。外围配置可直接复用FP5207方案,电感、电容、分压电阻等无需重新选型,替换成本极低,是FP5207的高性价比替代选择。
一、CS5717的特性
2.7V~36V输入电压范围
100KHz至1MHz的可调频率
±1%反馈基准电压
3.5μA关断电源电流
开关管过流保护OCP
输入欠压保护UVP
过温保护OTP
二、CS5717的应用信息

1、典型应用图

2、引脚排列及定义

3、功能框图

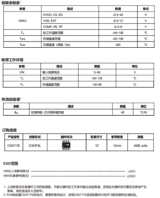
4、基础参数

总结
FCS5717E凭借与FP5207完全一致的封装规格、核心参数、功能逻辑及保护机制,实现了“零PCB改动、零外围重新选型”的无缝替代,大幅降低了方案替换的技术门槛与成本。同时,其更宽的输入电压范围、更高的反馈电压精度等进阶优势,进一步拓展了应用灵活性,提升了方案可靠性。无论是存量FP5207方案的升级迭代,还是新方案的成本控制需求,FCS5717E都以高性价比的核心优势,成为FP5207替代的优选之选。





