【导读】无线解说器通常用于工厂、博物馆等室外空旷的场所。安放好无线发射模块后控制发射范围,听众到达地点后将自动几首各个地点发送的无线编码信号,经解码后将语音播放出来。下面请看小编为大家详解技术原理及具体实例。
本实例是以STM32F103系列单片机作为核心处理器,利用VS1003芯片进行音频解码的一种无线解说器。通过对触摸显示屏的操作,实现手持部分和终端部分二者的无线通讯。系统采用大容量的SD卡作为存储部分,通过SPI将VS1003B与SD卡的数据与STM32进行交互通信。本解说器在播放时没有出现理论上的断续情况,音质较好,占用的软硬件资源也较少,为后续的扩展留下了很大空间。
1 系统总体构成
系统主要器件包括TFT触摸屏、STM32F103RCT6微控制器、SD卡、语音解码芯片VS1003、扬声器。STM32F103RCT6微控制器为系统终端的控制核心,通过它与手持式设备之间进行无线串口通讯,读取SD卡中的音频文件,控制VS1003解码读取的数据,实现声音的播放与控制,该系统主体结构如图1所示。

图1 系统设计框图
2 硬件电路控制2.1 TFT触摸屏控制电路
单片机芯片STM32F103RCT6工作在8MHz时钟下,RTC工作在32.768kHz时钟下。单片机PA3、PA5、PA6、PA7、与SD卡SD_CS、SPI1_SCK、SPI1_MISO、SPI1_MOSI相连,采用SPI通讯。显示屏接口采用并行总线方式(数据总线D[7:0]、地址总线A[1:0]、片选/CS、读/RD、写/WR),直接与单片机引脚相连,如图2所示。

图2 TFT触摸屏与单片机连接控制原理图
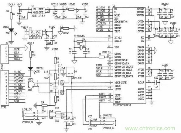
[page] 2.2 VS1003音频解码控制电路
语音解码芯片VS1003可解码MP3(MPEG 1&2音频层III)(CBR+VBR+ABR)、WMA 4.0/4.1/7/8/9的所有配置文件(5.384kbit/s的)、WAV(PCM+IMAADPCM)、MIDI/SP—MIDI文件,对话筒输入或线路输入的音频信号进行IMA ADPCM编码,内含高性能片上立体声数模转换器,两声道间无相位差。

图3 音频解码电路原理图
VS1003通过7根引脚(VS RST、VS DREQ、VS_MISO、VS_MOSI、VS_SCK、VS_XDCS、VS_XCS)与主控芯片相连,如图3所示。需要播放音频文件时,首先应复位VS1003(包括硬复位和软复位),让其回到原始状态,准备解码下一个音频文件。接着需配置VS1003相关寄存器,包括VS1003的模式寄存器(MODE)、时钟寄存器(CLOCKF)等。最后向VS1003里写入数据。VS1003会自动识别它所支持的音频格式并进行播放。[page]
3 软件控制设计
3.1 手持设备控制流程
对手持式设备进行软件控制编程时,第一步使用需要对系统时钟进行初始化,需要对外部高速时钟使能,中断向量表配置,锁相环配置等过程。这样系统才能正确执行相关程序。接下来对串口进行初始化,本设计使用的串口一,需要对GPIOA进行初始化,并配置其复用功能,将TXD引脚设置成复用延迟输出,RXD配置成浮空输入。下面设置USAT的波特率、传输字长、有无奇偶校验、数据流控制、收发模式、中断优先级、中断服务函数等。

图4 手持设备控制程序流程图
手持设备上的TFT初始化以后,就可显示初始化界面,接着等待终端设备发送数据显示,手持设备在完成各种初始化工作后与终端设备进行握手连接,握手成功之后便能显示终端设备上发送过来的信息,握手失败后就不停尝试着与终端设备进行握手,直到握手成功。触摸屏点击后进行软件判断得到点击的坐标值,并将坐标值传送至终端设备。3.2 终端设备程序流程图
终端设备开机后需要设置无线单片机的初始值,初始值为包括解说区域的坐标代码,因此在游览干道旁需每隔约25m设置一个终端,当游人在游览干道上行进,身上的手持设备就可随时和道路旁放置的无线终端相互交换信息,播放需要的解说词。
因此终端流程最开始对所需要的外设进行初始化,确认初始化无误以后进入正弦波测试,如有初始化不成功的程序将不能进入下一个流程。在正弦波测试完之后确定终端设备上的外设运行良好,将SD卡中的音频文件信息解码出来,并发送出去,此时进入串口监控状态,时刻监控串口信息,当收到播放指令时即在SD卡中寻找对应的信息,并从SD卡中将数据读取出来,发送至VS1003进行解码,在播放过程中如接收到新的串口数据,再进行判断,是停止还是暂停或者其他命令,然后执行相应的命令。

图5 终端设备程序流程图
相关阅读:
电路分享:一款无线气体测试系统硬件电路设计
重磅推荐:黑白循迹小车的电路设计
智能家电的无线数据传输电路设计





