- 新的应用需求为PFC提出更高要求
- 介绍两种新的PFC拓扑——交错式PFC和无桥PFC
解决方案:
- 交错式PFC
交错式PFC采用的150 W的PFC就比300 W的PFC更易于设计,便于采用模块化的方案
两个DCM PFC就像一个CCM PFC转换器,简化电磁干扰(EMI)滤波,并减小输入电流有效值
采用两个较小PFC的设计能够支持厚度低至10 mm的超薄型液晶电视设计,且能效极高 - 无桥PFC
传统的无桥PFC可以提高能效但存在问题,如EMI
Ivo Barbi无桥升压PFC架构不需要特定的PFC控制器,具有增强的热性能,且负相总是接地,解决了EMI问题
功率因数校正(PFC)是电源设计人员面临的重要任务。根据IEC61000-3-2谐波标准中的D类规定,功率在75W以上的个人计算机和电视机等电子系统的电源要进行功率因数校正。
根据输入电流控制原理的不同,PFC可以分为不同的类型,如临界导电模式(CrM)、不连续导电模式(DCM)、连续导电模式(CCM)和频率钳位临界导电模式(FCCrM)等。CrM的的主要特征是电流有效值(RMS)大,开关频率不固定,常用于需要简单控制方案的照明和交流适配器等低功率应用,典型解决方案如安森美半导体NCP1606;DCM的主要特征是电流有效值最高,线圈电感较低及稳定性最佳,常见于中低功率应用;CCM的主要特征是总是硬开关,电感值最大,电流有效值最小,在较高功率(>300 W)应用中特别受到青睐,典型解决方案如安森美半导体NCP1654;FCCrM的主要特征是电流有效值大,频率被限制,线圈电感较小,在中等功率条件下具有极高能效,典型解决方案如安森美半导体NCP1605。
值得一提的是,FCCrM可以视作带有频率钳位功能(由振荡器设定)的临界导电模式,综合了CrM和DCM的优点:DCM限制最大开关频率,而CrM降低最大电流应力。总的来看,FCCrM解决方案似乎拥有最高的能效。
新的应用需求为PFC提出更高要求
一些新的应用需求推动着业界开发新的PFC技术。这其中颇为受人瞩目的就是新兴的能效标准要求计算机ATX电源具有越来越高的能效。例如,80 PLUS银级标准(等同于“能源之星”5.0版计算机电源标准及CSCI标准第三阶段目标)要求,到2010年6月,多路输出ATX电源在20%、50%和100%负载条件的能效分别达到85%、88%和85%,详见表1所示。
要提高ATX电源能效,以满足最新能效标准的更高要求,重要的是以系统性的途径来分析功率损耗来源,并针对性地降低功率损耗。通常而言,我们可以将ATX电源分为PFC段、主开关电源段和次转换器段。以常见的75%能效ATX电源为例,据测算,PFC段的损耗要占总损耗的40%。因此,将PFC段的能效提至最高,有利于实现更高的系统总能效。这就需要优化PFC控制器及其工作模式与其它元器件的选择。

表1:80 PLUS等能效标准对多路输出ATX电源的能效要求
此外,液晶电视市场近年来高速发展,而纤薄型设计则为液晶电视提供特别的卖点,受到消费者的青睐。最新的液晶电视设计更是趋向于将厚度降至10 mm以下,这就使元器件高度受到严格限制,设计人员必须尽可能采用更小型的元器件,并降低安装高度。PFC段同样受到这方面的制约,值得一提的是,缩小PFC段元器件能够帮助系统降低高度。
在这些背景下,一些新的PFC拓扑结构已经开始涌现和应用。其中尤以交错式PFC和无桥PFC为典型。我们将探讨这两种新PFC拓扑结构的特征、解决方案及性能测试结果。
交错式PFC的优势及解决方案
交错式PFC的主要想法是在原本放置单个较大功率PFC的地方并行放置两个功率为一半的较小功率的PFC,参见图1。这两个较小功率PFC以180°的相移交替工作,它们在输入端或输出端累加时,每相电流纹波的主要部分将抵消。虽然交错式PFC使用较多的元器件,但其好处也很明显,如150 W的PFC就比300 W的PFC更易于设计,便于采用模块化的方案,且两个DCM PFC就像一个CCM PFC转换器,这就简化电磁干扰(EMI)滤波,并减小输入电流有效值。特别是采用两个较小PFC的设计能够支持厚度低至10 mm的超薄型液晶电视设计,且能效极高。

图1:采用两颗NCP1601 PFC控制器实现的交错式PFC架构的功能框图。
交错式PFC有两种具体实现方案:一为主/从(Master/Slave)方案,一为独立相位(Independent Phases)方案。主/从方案指主分支自由工作,而从分支相对于主分支180°相移工作。主/从方案的主要挑战在于保持在CrM工作模式(没有CCM模式,没有死区)。
独立相位方案指每个相位都恰当地工作在CrM或FCCrM模式,而两个分支相互配合以设定180°相移。独立相位方案的主要挑战是保持准确的相移。安森美半导体的双NCP1601交错式PFC方案是一种独特的FCCrM方案,适合输入电压范围较宽的应用。在这种方案中,2颗NCP1601驱动2个独立的PFC分支,这2个分支具有相同的导通时间因而具有相同的开关周期,它们同步但彼此独立工作,从而保证DCM工作模式(零电流检测),没有CCM工作风险,且在满载时两个分支都进入CrM工作模式。

图2:安森美半导体双NCP1601交错式PFC方案在不同负载范围下的能效。
对基于安森美半导体NCP1601交错式PFC方案的宽输入范围、300 W PFC预转换器进行的测试显示,这解决方案在很宽的负载范围内(从20%到100%)、90 Vrms电压条件下实现95%的能效,如图2所示。
无桥PFC的优势及解决方案
传统有源PFC中,交流输入经过EMI滤波后会经过二极管桥整流器,但在整流过程中存在功率耗散,其中既包括前端整流桥中两个二极管导通压降带来的损耗,也包括升压转换器中功率开关管或续流二极管的导通损耗。据测算,在低压市电应用(@90 Vrms)中,二极管桥会浪费大约2%的能效。有鉴于此,近年来业界提出了无桥PFC拓扑结构。实际上,如果去掉二极管整流桥,由此带来的能效提升效果很明显。这种PFC电路采用1只电感、两只功率MOSFET和两只快恢复二极管组成。
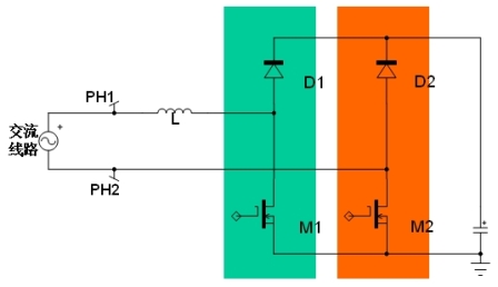
对于工频交流输入的正负半周期而言,这种无桥升压电路可以等效为两个电源电压相反的升压电路的组合。其中左边的蓝色方框是PH1为高电平、MOSFET开关管M2关闭时的开关单元,右边的橙色方框是PH2为高电平、MOSFET开关管M1关闭时的开关单元。当PH1为高电平、PH2为低电平时,电路工作在正半周期,这时M2相当于体二极管(body diode),PH2通过M2接地;而当PH1为低电平、PH2为高电平时,电路工作在负半周期,这时M1相当于体二极管,PH1通过M1接地。

图3:传统的无桥PFC结构示意图。
相对于传统PFC段而言,这种无桥PFC节省了由二极管整流桥导致的损耗,但不工作MOSFET的体二极管传递线圈电流。最终,这种结构消除了线路电流通道中一个二极管的压降,提升了能效。但实际上,这种架构也存在几处不便,因为交流线路电压不像传统PFC那样对地参考,而是相对于PFC段接地而浮动,这就需要特定的PFC控制器来感测交流输入电压,而这种结构中的简单电路并不能完成这项任务。这种架构也不能方便地监测线圈电流。 此外,EMI滤波也是一个主要问题。
图4是Ivo Barbi无桥升压PFC架构的新颖解决方案,这种方案中没有全桥,相反,PFC电路的地通过二极管D1和D2连接至交流线路,且每个端子用于1个PFC段。故这种解决方案可视作2相PFC,其中2个分支并联工作。这种架构也省下了电流通道中的一个二极管,并因此提升了能效。这种2相式架构并不需要特定的PFC控制器,具有增强的热性能,且负相总是接地,解决了EMI问题。

图4:改进的Ivo Barbi无桥升压PFC架构
安森美半导体基于这种架构开发了800 W PFC段的原型。这原型采用NCP1653 PFC控制器及MC33152 MOSFET驱动器。经测试,这原型在90 Vrms、满载、无风扇(机箱打开,室 温)条件下的能效达94%,而在100 Vrms时达95%。在20%负载时能效更接近或超过96%。这种无桥PFC架构将是适合大功率应用的一种高能效解决方案。
总结:
交错式PFC和无桥PFC等新颖拓扑结构的先进PFC技术可用于满足功率大于75 W电源的新趋势,有利于设计厚度低至10 mm以下的超薄型液晶电视,及满足80 PLUS等能效标准越来越高的要求。安森美半导体身为全球领先的高性能、高能效硅解决方案供应商,提供基于NCP1601的交错式PFC和基于NCP1653的无桥PFC等创新解决方案,具有小外形因数,适用于紧凑型设计,并减少PFC段的功率损耗,提供极高的能效,符合严苛的能效标准要求,帮助客户在市场竞争中占据先机。
供稿:安森美半导体
参考资料:
1、安森美半导体,《先进的功率因数校正》,http://www.onsemi.com/pub_link/Collateral/TND344-D.PDF
2、Joël TURCHI,安森美半导体,《800 W无桥PFC段》,http://www.onsemi.com/pub_link/Collateral/AND8392-D.PDF
3、Joël TURCHI,安森美半导体,《交错式PFC段特性》,
http://www.onsemi.com/pub_link/Collateral/AND8355-D.PDF
4、安森美半导体,《液晶电视AC-DC电源架构》,http://www.onsemi.com/pub_link/Collateral/TND353-D.PDF





