中心议题:
- 新的电流采样方法
- 基于新的电流采样方法的均流原理
- 常用均流方法的分析比较
- 新的均流方案
解决方案:
- 对各路RC网络C上电压进行均压
在大功率DC/DC开关电源中,为了获得更大的功率,特别是为了得到大电流时,经常采用N个单元并联的方法。多个单元并联具有高可靠性,并能实现电路模块标准化等优点。然而在并联中遇到的主要问题就是电流不均,特别在加重负载时,会引起较为严重的后果。普通的均流方法是采取独立的PWM控制器的各个模块,通过电流采样反馈到PWM控制器的引脚FB或者引脚COMP,即反馈运放的输入或者输出脚来凋节输出电压,从而达到均流的目的。显然,电流采样是一个关键问题:用电阻采样,损耗比较大,电流放大后畸变比较大;用电流传感器成本高;用电流互感器采样不是很方便,同时会使电流失真。本文提出了一种新型的、方便的、无损的电流采样方法,并在这种电流检测方法的基础上实现了并联系统的均流。
1 一种新的电流采样方法
如前所述,在均流系统中一些传统的电流采样力法都或多或少有些缺点。而本文提出的这种新的电流采样力法,既简单方便,又没有损耗。
下面以图1所示的Buck电路为例,说明这种新的电流检测方法的原理和应用。

图1 简单电流检测电路
电流检测电路由一个简单的RC网络组成,没流过L的电流为iL,流过C的电流为ic,L两端的电压为vL,输出电压为vo上电压为vc,则有
vL+iLR1+vo=vc+iCR (1)
对式(1)在一个开关周期求平均值得
VL+ILR1+Vo=VC+ICR (2)
式中:VL是电感上的电压在一个开关周期的平均值,显然VL=0;Vo为输出电压平均值;IL电感电流平均值,等于负载电流ILoad;Ic是电容在一个开关周期内充放电电流的平均值,显然Ic=0;R1为电感的等效串联电阻(ESR)。
于是式(2)可化为
ILR1+Vo=VC (3)
IL="ILoad"=(VC-Vo)/R1 (4)
所以,要检测负载电流及电感电流的大小,只要检测RC网络电容上的电压的大小就行了,这种方法可以很方便、简易、没有损耗地对电流进行采样。
2 基于新的电流采样方法的均流原理
以两路并联Buck电路为例,如图2所示。

图2 用RC网络简易检测电流
由式(3)知,
VC1=IL1R1+Vo
VC2=IL2R2+Vo
式中:Vc1、Vc2分别为C1和C2上电压的平均值;IL1、IL2分别是L-和L2流过电流的平均值,亦即两路输出电流平均值;R1及R2是滤波电感的等效串联电阻,当在工艺上设计并联电源每路输出电感基本上一样时,可以认为R1=R2。因此,要控制两路电流均流,即要求IL1=IL2,于是,只要控制Vc1=Vc2就行了。所以,电容C1及C2上的电压Vc1和Vc2可以代表两路电流IL1及IL2大小,可用来进行均流控制。
[page]
这样,便可得到如图3所示的控制框图,

图3 两路Buck并联均流系统框图
3 常用均流方法的分析比较
开关电源并联系统常用的均流方法有以下几种。
输出阻抗法:即Droop(下垂,倾斜)法,调节开关变换器的外特性倾斜度(即调节输出阻抗),以达到并联模块接近均流的日的。这种方法是一种简单的大致均流的方法,精度比较低。
主从法:适用于电流型控制的并联开关电源系统中。这种均流系统中有电压控制和电流控制,形成双闭环控制系统。这种方法要求每个模块问有通讯,所以使系统复杂化,并且当主模块失效时,整个电源系统便不能工作。
平均值均流法:每个并联模块的电流放大器输出端接一个相同的电阻到一条公共母线上,形成平均值母线。当某模块电压比母线电压高时,输出电压下降,反之亦然。
最大值均流法:和平均值均流法相似,区别只是每路电流通过一个二极管连到一条公共母线上。这种方法其实质是一种“民主均流”方法,电流最大的那个模块自动成为主模块,其他模块为从模块,从而“自动主从控制”。
平均值均流和最大值均流法的均流母线断开或者开路都不会影响各个电源模块独立工作,并且是自动均流方法,均流精度比较高。
图4为常见均流方法的原理图。如果均流母线是并联模块电流的平均值,则是平均值均流法;如果是并联模块电流的最大值,则是最大值均流法;如果均流母线是并联模块中的主模块的电流,则就是主从均流法。但是,在这些均流方法中,每个模块都需要有一套独立的PWM控制环。

图4 常用的均流方法 [page]
4 新的均流方案
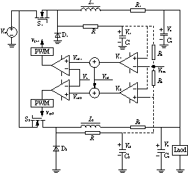
本文提出的方案是基于前所述的每路加一个简单的RC网络检测其分配的电流大小。电容C两端的电压平均值就可以表征这路模块的电流大小,所以,对系统进行均流控制就是对各路RC网络C上电压进行均压。其均流原理图如图5所示。

图5 并联两路Buck电路的均流系统
图5中Vbus为均流母线电压;Vref为输出电压参考值;Vs为输出电压的采样值。
其工作原理和过程如下:
通过检测RC网络中C两端的电压,作为电流信号,几路电流信号(本例只有两路)通过一个相同的电阻就得到了平均值均流母线,平均值均流母线电压值与负载有关,表征负载电流的大小。然后将每路采样来的电流信号与母线电压比较,得到误差信号,去修正输出电压参考信号,从而对PWM控制器的占空比输出进行微调,达到均流和稳压的目的。
5 实测结果
样机是一台DC5V输入,2V/40A输出的4路Buck并联的开关电源,工作频率为200 kHz,带上满载进行测量每一路电流输出,均流效果好,误差在2%以下,电源输出稳定。当输出电流越大,即大功率并联的电源系统中,均流效果越好。
6 结语
本文通过对常用的电流检测方法与均流控制的分析研究,提出了用一个RC网络检测电源输出电流的方法,并在这种电流检测方法的基础上给出了一种简单的并联系统均流的方案。这种方案使电流检测很方便,能高效率、低成本、简单、方便地实现并联系统的均流。





