中心议题:
- DC-DC 升压型开关电源的低压启动电路设计
解决方案:
- DC-DC 升压型开关电源的主振荡器的设计
- DC-DC 升压型开关电源的辅助振荡器的设计
各种便携式电子产品, 如照相机、摄像机、手机、笔记本电脑、多媒体播放器等都需要DC-DC 变换器等电源管理芯片。这类便携式设备一般使用电池供电, 总能量有限, 因此, 电源芯片需要最大限度地降低工作电压,延长电池的使用寿命。传统DC-DC 的工作电压一般都在1. 0 V 以上, 本文设计了一种DC-DC 升压型开关电源的低压启动电路, 启动电压降低至0. 8 V,该电路采用两个在不同电源电压范围内工作频率较稳定的振荡器电路, 利用电压检测模块进行合理的切换, 解决了低输入电压下电路无法正常工作的问题, 并在0. 5μm CMOS 工艺库( VthN = 0. 72 V, VthP = -0. 97 V) 下仿真。仿真结果表明, 在0. 8 V 低输入电压时, 通过此升压型开关电源, 可以将VDD升高至3. 3 V。
1 电路整体示意图
DC-DC 升压型开关电源在低输入电压下工作, 利用控制电路导通和关断功率管, 在功率管导通时, 电感储存能量; 当功率管关断时, 电感释放能量, 对输出电容充电, 输出电压升高。当输入电源低至1. 0 V 以下, 如果DC-DC 芯片的驱动电压取自输入电源, 芯片内部电路就不能正常工作, DC-DC 便无法启动; 如果DC-DC 芯片的驱动电压取自输出电压, 同样, 芯片根本无法启动及进行任何升压动作。本文针对输入电源电压变化范围较大, 在考虑商业成本的情况下, 设计了2 个振荡器电路:主振荡器和辅助振荡器。辅助振荡器靠输入电压供电,0. 8 V 即能起振, 在V DD升至1. 9 V 以前控制功率管的导通与关断, 使V DD逐步抬升。主振荡器靠输出电压即VDD供电, 在VDD升至1. 9 V 以后以一个较稳定的频率工作, 抬升并维持输出电压。电路的整体示意图如图1所示。该电路包括主振荡器、辅助振荡器以及它们的切换电路、带隙基准电路、PWM 比较器、过压保护电路、过流保护电路等。

图1 DC-DC 升压型开关电源芯片的整体示意图[page]
2 主振荡器的设计
本文所设计的主振荡器采用如图2 所示的环形振荡器结构。VC1, VC2 分别为过压保护电路, PWM 比较器的输出信号, MP10和MP11 为带隙基准提供的镜像电流, 合理的控制镜像电流和电容C1 , C2 的大小, 即能够使主振荡器在1. 9~ 8 V 的V DD区间输出350 kHz 左右较稳定的振荡频率。

图2 主振荡器电路
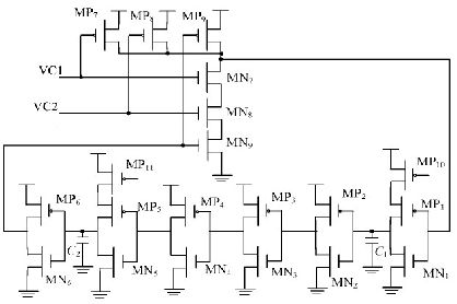
3 辅助振荡器的设计
辅助振荡器电路采用环形振荡器结构, 它利用亚阈值导通的原理, 使得起振电压降至0. 8 V, 但是这个辅助振荡器在0. 8~ 1. 9 V 的VDD区间里频率变化很大, 会在电路启动阶段造成很大的浪涌电流, 造成系统的不稳定。
设计的辅助振荡器克服了以上缺点, 既保证了在0. 8 V 起振, 又避免了振荡频率变化过大, 但是, 在辅助振荡器关断之后由于工艺偏差可能会在R, S端出现不确定状态, 导致功耗过大, 并造成后续电路不能正常工作。本文在此基础上加以改进, 增加M17 管, M18管, 所设计的辅助振荡器如图3 所示。

图3 辅助振荡器电路[page]
图3 中, M1~ M13 是低输入电压偏置电流电路, 这个电路的主要功能是在低输入电压下产生一个恒定的纳安级的偏置电流。这一不随电源电压变化的偏置电流将为图3 所示的辅助振荡器提供偏置。M8 ~ M13为启动电路, M3 , M4 都工作在亚阈值区:

联立式(1) ~ 式(4),可以得到:

式中: K = (W/ L ) M4 / ( W/ L ) M3 ,通过式(5) 可以发现,偏置电流I M1 , I M2与输入电源无关。
恒流源I I 和I 4 对电容C1 充放电, 该振荡器的核心模块是两个比较器, M21 , M22 组成COMP1, 该比较器阈值较高, 为M22 管的导通阈值, 记为V H = V th。M22 ,M23 , M24 , M25 , M26 , R2 组成COMP2, 该比较器阈值较低, 记为VL :

因为M26管的电流很小, 宽长比很大, 故:
![]()
SE 为辅助振荡器切换信号, SEB 为SE 的反信号。当V DD低于1. 9 V 时, SE 为高电平, M17 , M18 都截止, 不影响R, S 触发器的翻转, 辅助振荡器工作, 开关S1 断开, S2 闭合; 当VDD 高于1. 9 V 时, SE 为低电平, 辅助振荡器关断, 开关S1 闭合, S2 断开, M17 , M18 都导通, R=1, S= 0, AU XCLK 被锁定为高电平, 既减小了功耗, 也避免了辅助振荡器关断之后R, S 端出现不确定状态。
[page]
4 电路整体仿真结果与分析
整体电路在0. 5μm CMOS 工艺库( V thN= 0. 72 V,VthP = - 0. 97 V) 下仿真, 仿真条件为VIN = 0. 8 V, 仿真结果如图4 所示。

图4 两个振荡器的切换
从图4 可以看出, 电路启动后, 首先辅助振荡器V( aux clk) 起振, V DD逐渐升高, 升高至1. 4 V 时, 主振荡器V( mainclk) 起振, 但此时只有辅助振荡信号通过开关S2 传到功率管的栅极, 当VDD升高至1. 9 V 时, 辅助振荡器关掉, 主振荡器信号通过开关S1 传到功率管的栅极, VDD继续升高至设定的输出电压3. 3 V 以后,由反馈电路控制主振荡器的开启与关断, 来维持这一输出电压。
5 结 语
本文针对输入电源电压变化范围较大, 设计了两种结构不同的振荡器, 其在在不同电源电压范围内工作的频率较稳定, 并利用电压检测模块进行合理的切换, 解决了低输入电压下电路无法启动的问题, 是一款适用于商业开发的DC-DC 升压型开关电源。





