【导读】在电池管理系统(BMS)设计中,均衡能力直接决定着电池包的性能上限与寿命终点。传统被动均衡方案因能量耗散与效率问题,已难以满足高能量密度电池组的管理需求。本文旨在深入剖析几种主流主动均衡技术的优势与局限,并探讨如何通过创新的拓扑融合思路,构建一种在复杂度与效能间取得最佳平衡的实用解决方案。文章将进一步论证,在大型电池系统中,电池包(PACK)之间的系统级均衡与电芯(Cell)之间的单元级均衡具有同等重要的战略意义,共同构成了完整的高效能量管理闭环。
摘要
在电池管理系统(BMS)设计中,均衡能力直接决定着电池包的性能上限与寿命终点。传统被动均衡方案因能量耗散与效率问题,已难以满足高能量密度电池组的管理需求。本文旨在深入剖析几种主流主动均衡技术的优势与局限,并探讨如何通过创新的拓扑融合思路,构建一种在复杂度与效能间取得最佳平衡的实用解决方案。文章将进一步论证,在大型电池系统中,电池包(PACK)之间的系统级均衡与电芯(Cell)之间的单元级均衡具有同等重要的战略意义,共同构成了完整的高效能量管理闭环。
引言
主动均衡设计的简洁与高效,绝非华而不实的宣传噱头。本文将审视并介绍目前市场上广泛采用的几种主动均衡解决方案。我们将分析每种方法的优缺点,目的是整合它们的优势,形成一种更具实用性、更能实现简洁与高效设计的解决方案。最后,我们将强调,尽管大多数现有主动均衡设计主要关注电芯之间的均衡,但电池包之间的均衡同样重要,不容忽视。
市场上现有的几种主动均衡解决方案
本系列文章的第一部分讨论了主动均衡在电池管理系统(BMS)中的重要性。事实上,市面上早已存在多种主动均衡解决方案。这里将重点介绍图1展示的三种常见主动均衡解决方案。限于篇幅,这里无法探讨所有可用解决方案,但本文介绍的三种方案极具代表性。这三种主动均衡解决方案分别基于反激、多电感和开关电容,利用了电路中广泛使用的三种储能元件:变压器、电感和电容。表1总结了这三种主动均衡解决方案的工作原理及优缺点。
图1.三种最具代表性的主动均衡解决方案架构:反激式(左)、多电感(中)和开关电容(右)
表1.三种主动均衡解决方案的工作原理和优缺点比较
简化主动均衡:更巧妙的设计方法
如上文所述,传统的主动均衡解决方案要么复杂昂贵,要么简单经济但效率低下。本文探讨的关键问题是如何在确保主动均衡设计足够简洁的同时,维持出色的效率。
重新评估主动均衡的设计要求
得益于日益先进的电池制造技术和严格的质量控制流程,单体电芯的性能,尤其是规格相同且来自同一制造商的电芯的性能,通常高度一致。然而,单体电芯通常不会直接出售给电动汽车(EV)或储能系统(ESS)市场中的终端用户。相反,专业电池包制造商会将多个规格相同的新电芯组装成中高压电池包,然后将其出售给电动汽车和储能系统制造商这样的终端用户。
由此不难明白,对于新组装的电池包,内部的电芯应具有相似且一致的性能。但需要注意的是,在新电池包首次使用之前,电池包中各个电芯的电压和荷电状态(SOC)未必一致。这是因为,新制造的电池不一定会在生产出来后就立即组装成电池包。此外,在电池包完成组装后,产品运送到终端用户并投入实际使用之前,也会需要一些时间。
在长时间的储存或运输期间,无论是对于单体电芯还是组装好的电池包,电芯之间的电压和SOC不均衡很容易发生。这个问题并不少见。新的(或相对较新的)电池包经过长时间储存或运输后,如果出现不均衡迹象,并不一定表明电芯性能不匹配。事实上,这些电芯仍可能具有非常相似的特性。务必注意,性能相似并必然意味着电压或SOC水平相似,尤其是在经过长时间储存或运输之后。
因此,对于已储存或运输较长时间的电池包或电芯,在投入使用之前,一般建议进行主动或被动均衡处理。
除了储存和运输场景之外,还有一个需要注意的情况:随着电池包运行时间的延长及充放电循环次数的增加,单体电芯之间的性能差异可能较电池包组装初期有所扩大。
随着储能系统容量的持续增长,单体电芯的容量现在已达到320 Ah、600 Ah,甚至1000 Ah。其中,320 Ah代表以前的主流容量,600 Ah正成为当前标准容量,而1000 Ah被视为未来方向,有些制造商已经实现1000 Ah高容量电芯的量产能力。
对于不具备主动均衡能力或仅使用被动均衡的大容量电池包,电芯之间的初始微小不均衡随着时间的推移,可能会逐渐演变为显著的不匹配,原因是均衡能力有限,而且长期充放电循环会带来累积效应。最终,这种电芯不匹配可能导致电池包在实际运行过程中出现显著的容量损失和安全风险(例如过充和过放)。
主动均衡的两个关键作用
电池包内电芯不匹配问题几乎无法避免,主动均衡因此成为改善性能的必要手段,可实现如下两大功能:
1. 预防功能:在没有显著不匹配的电池包中,电芯状况良好,性能差异极小。在这种情况下,主动均衡的工作量相对较轻。如果将主动均衡比作监测电芯健康状况的医生,那么它只需定期对电芯进行检查即可。这种简单的监测有助于防止或延迟性能差异的放大,使电芯不匹配的可能性最小化,并有效延长电池包的使用寿命。
2. 纠正功能:在已经存在较弱或不健康电芯的电池包中,主动均衡可利用灵活性、大均衡电流和快速均衡特性,在较弱、不健康和表现良好的电芯之间重新分配电荷。由此可以有效延长受电芯不匹配影响的电池包的使用寿命,确保电池包安全稳定地运行,同时降低过充和过放的风险。更重要的是,电芯不匹配对电池包容量损失的影响被尽可能降低。在此阶段,主动均衡如同外科医生,努力缓解电芯不匹配问题并延长电池包的使用寿命。
为何要简化设计?具体如何实现?
既然上述三种主流的主动均衡解决方案已经在市场上得到广泛应用,为什么还要继续进一步简化主动均衡设计?原因在于,虽然这三种解决方案(及其他未介绍的方法)都已成熟且有效,但它们仍然存在相当大的改进潜力。
本文的主要目标是分析过去的解决方案,综合利用各种主流方法的优势,形成一种更具实用性、更能实现简洁与高效设计的解决方案。
例如,反激式隔离主动均衡架构的特点是效率高,特别是需要在非相邻电芯之间进行均衡时,这种架构的性能明显优于其他方法。另一方面,基于多电感和开关电容的主动均衡方法在均衡相邻电芯时表现出色,控制逻辑更简单,运行稳定且性能强大。
总之,如果期望简化后的解决方案能够实现高均衡效率,则应优先考虑基于反激的均衡电路架构。然而,基于反激的均衡电路通常需要变压器,而使用大量变压器会导致成本增加、系统体积增大,控制逻辑变得更加复杂。因此,当追求简化设计时,务必在保持高效率的同时,尽量减少变压器的数量。对此,容易想到的一个思路是让电池包内的所有电芯共享同一反激电路和变压器。
但是,仅仅简化硬件和减少变压器数量还不够。控制逻辑和运行策略的简化也同样重要。主动均衡是一种系统级解决方案,设计人员不仅需要考虑使用哪些IC和元件来实现能量传输(属于硬件设计),还必须密切关注均衡策略,即主动均衡算法的设计(属于系统软件设计)。
一般而言,电池均衡算法的设计取决于所支持的硬件架构。因此,在简化均衡硬件设计的同时降低算法设计的复杂度,仍然是一个必须解决的关键挑战。
一种经过简化的主动均衡设计
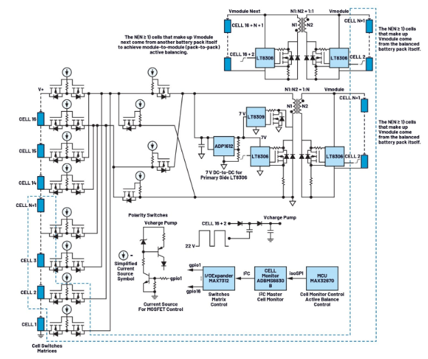
基于上文讨论的概念,本文提出了一种简单而高效的主动均衡解决方案,如图2所示。这种设计具有一个16电芯的电池包,利用两个独立的反激电路和两个变压器:一个用于电芯之间的均衡,另一个用于电池包之间的均衡。
在电芯间均衡部分,所有16个电芯共享一个基于反激的主动均衡电源电路。通过开关矩阵选择性地将均衡电路连接到不同电芯,实现对相同硬件资源的分时利用。这种设计既简单又精巧,避免了不必要的复杂性,同时保持了高效率和稳健的性能。因此,这种方法在主动均衡系统设计中表现出显著的优势。
此外,这种解决方案支持单体电芯之间和多个电池包之间的双向均衡,显著增强了跨电池包均衡的有效性。常规解决方案往往依赖外部独立电源(如单独的12 V或24 V电池)来支持电芯间甚至电池包间的均衡,但这种设计则不同,它完全利用电池包内部的能量实现均衡。这样不仅提高了系统整体效率,还减少了硬件和软件设计的复杂度。
关于简化的均衡算法设计,将在本系列文章的第三部分详细讨论。然而,这种算法有如下两个关键原则:
1. 在电池包内实现真正的双向电芯间均衡会导致设计过于复杂,因此这种算法依赖中间充电缓冲区来实现间接均衡。具体而言,电池包内的n个相邻电芯被指定为缓冲区。然后通过两步流程实现均衡:电芯到缓冲区放电,随后是缓冲区到电芯充电,从而有效模拟单体电芯之间的双向电荷转移。
2. 在电芯到缓冲区放电期间,源电芯的能量均匀分配到n个缓冲电芯中。而在缓冲区到电芯充电期间,目标电芯所需的能量均匀地从n个缓冲电芯中获取。
这种方法在简化硬件架构的同时,依然具备高性能均衡能力,在成本、效率与实际应用价值之间实现了理想平衡,因而成为先进BMS部署的高度实用且可扩展的解决方案。
图2.经过简化的主动均衡解决方案的示意图,采用LT8306、LT8309、ADP1612、MAX7312、MAX32670和ADBMS6830B
为什么电池包之间的均衡同样重要
在继续讨论建议的解决方案之前,让我们首先探讨为什么电池包之间的均衡也非常重要。
在由BMS和电池包组成的系统中,当BMS工作时,多个电路模块会消耗电力,包括电芯监控、隔离通信、温度传感器、主动均衡和被动均衡等。然而,让不同BMS电路实现相同的功耗水平非常有挑战性。即使两个BMS电路的功耗几乎相同,但如果它们监控的电池包具有不同数量的电芯(并不罕见),情况也会变得更加复杂。
在这种情况下,电芯较少的电池包需要为其电芯监控器提供更大的IMONITOR电流。随着时间推移,供电电流的差异会累积,两个电池包之间的不均衡会变得更加严重。如果没有适当的均衡调整,这种差异会导致电池包的容量显著不匹配。因此,电池包之间的均衡同样重要。参见图3。
图3.电池包之间不匹配情况的示意图
结语
本文介绍了市场上常见的几种主动均衡架构。通过综合利用每种架构的优势,我们提出了一种更具实用性、更能实现简洁与高效设计的解决方案。
然而,必须要承认的是,尽管这种均衡解决方案注重简洁与高效,但在实际应用场景下,任何单一设计都无法轻松解决所有电芯不匹配问题。随着单体电芯容量从320 Ah提升到600 Ah,甚至1000 Ah,电芯不匹配问题会更加明显。在这种情况下,任何均衡策略在部署到电池包之前,都必须进行仔细评估和验证。
ADI公司提供的解决方案涵盖了几乎所有主流的主动均衡架构,包括本文讨论的三种架构。每种架构都有其优点、局限性和理想应用场景。系统设计人员可以根据具体需求,灵活选择合适的解决方案。
推荐阅读:
简单制胜——第一部分:化繁为简!BMS秉承简单制胜原则兼顾效率与成本
Cadence与爱芯元智强强联合,为智能设备打造高性能“芯”引擎




