【导读】在射频电路设计领域,Peltz振荡器以其独特的双晶体管架构和稳定的振荡特性,成为学习高频电路原理的理想平台。本次实验将基于ADALM2000主动学习模块,完整展示Peltz振荡器的设计、仿真与实测流程,为电子工程学习者提供一套可落地的实践方案。
在射频电路设计领域,Peltz振荡器以其独特的双晶体管架构和稳定的振荡特性,成为学习高频电路原理的理想平台。本次实验将基于ADALM2000主动学习模块,完整展示Peltz振荡器的设计、仿真与实测流程,为电子工程学习者提供一套可落地的实践方案。

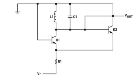
图1.Peltz振荡器基本配置
LC谐振电路的谐振频率由公式1得出。

电路原理深度解析
双晶体管协同工作机制
Peltz振荡器采用Q1、Q2两个晶体管构成的放大-反馈结构。Q1作为共基极放大器,其集电极负载由LC谐振电路(L1+C1)组成;Q2配置为射极跟随器,形成闭环正反馈。当谐振电路在特定频率处呈现最大阻抗时,共基极级获得峰值电压增益,与射极跟随器(增益≈1)共同构建大于1的环路增益,实现稳定振荡。

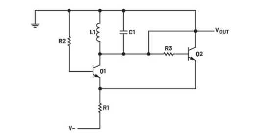
图2.提高输出摆幅
输出摆幅优化策略
基础配置中,LC谐振电路的峰峰值摆幅受限于晶体管结压降(约±0.6V)。通过引入基极串联电阻(R2、R3),在电压摆幅达到极限时分流基极电流,可有效将输出摆幅提升至±1.25V以上。这一改进显著增强了电路的实用性和观测效果。
实验实施全流程
仿真预验证阶段
●使用仿真软件构建图1、图2所示电路
●计算偏置电阻R1,确保双管集电极电流>200μA(-5V供电)
●配置L1(100μH)、C1(100pF),实现>1MHz谐振频率
●通过瞬态仿真验证摆幅提升效果,记录数据用于实测对比
材料
•ADALM2000主动学习模块
•无焊试验板
•跳线
•两个小信号NPN晶体管(2N3904)
•一个10 kΩ电阻
•两个4.7 kΩ电阻
•一个100 µH电感
•一个100 pF电容

图3.Peltz振荡器电路
硬件搭建要点
●按图3布局在无焊试验板上组装电路
●重点检查电源极性(-5V)及晶体管方向(2N3904)
●示波器通道1连接LC谐振电路,通道2监测发射极波形
●设置采集参数:200mV/div,时基1μs/div,上升沿触发

图4.Peltz振荡器电路试验板连接
实测数据分析
接通电源后,示波器应显示稳定的正弦振荡波形(参考图5)。通过对比仿真与实测结果,学生可以深入理解:
●实际元件参数与理想模型的差异
●布线分布参数对高频电路的影响
●晶体管非线性特性的实际表现
实验教学价值
本实验将抽象的高频振荡原理转化为可视化的电信号,帮助学生建立从理论计算、仿真验证到硬件实现的完整工程思维。特别适合作为《高频电子线路》、《射频电路设计》等课程的配套实验,培养学生的电路调试能力和系统分析能力。

图5.Peltz振荡器电路波形图
推荐阅读:







