电流传感器的中心议题:
- 闭环电流传感器结构原理与特征
电流传感器的解决方案:
- 基于ASIC技术的闭环电流传感器
- LTS-25-NP基本结构
- LTSR系列传感器应用广泛
摘要:本文主要介绍基于ASIC技术的闭环电流传感器结构原理与特征并对应用优势及举例作分析说明。
1、流行的电流隔离测量的最佳解决方案
由于其创新的设计理念,基于ASIC技术的闭环电流传感器,已经成为业界流行的电流隔离测量的最佳解决方案,并被广泛的应用于驱动器、高频大电流测量、UPS及电力电子行业上,使其成为是与电力电子行业发展与用户的需求同步的产品。值此以LEM公司的新型LTSR产品系列为例对其基于ASIC技术的闭环电流传感器特征与应用作分析介绍。
LTSR产品系列它允许额定测量电流值为6A的LTSR-6-NP,额定电流值为15A的LTSR-15-NP,额定电流值为25A的LTSR-25-NP.其LTSR中的“R”代表参考端。
LTS25-NP系列产品的目标是找到电力电子的领域中隔离测量的良好方法。由于数字器件、处理器在电力电子领域中的广泛应用,而这些器件都是单端5V供电的,LTSR也是单端5V供电。所以有了LTSR传感器使我们可以更加贴近电力电子领域。
LTSR可以为周围的元件提供参考电压,也可以接受外电压作为参考电压,如:DSP,ADC以及许多非常普遍的电子元件。
2、基本结构
LTS-25-NP是一种体积非常小的电流传感器,为PCB安装而设计。从新技术到新工艺角度上来说,这种产品的研发和生产都是一种挑战。
LTSR系列闭环电流传感器是以闭环原理传感器的基本结构与原理(见图1所示)发展起来的,所以分析LTSR是闭环原理的传感器只需以图1为基本结构与原理作说明就可以了。

LTSR是闭环原理的传感器,它基于原、副边磁场补偿原理。这就是说,由于被测量电流产生的磁通,被传感器中的HALL(霍尔)元件感应到,HALL元件产生一个感应电流,供给副边线圈,然后在磁芯中产生相反的磁通来补偿原边产生磁通。原边电流的数值比例缩小等于线圈中的电流实际值.其闭环原理传感器的基本结构与原理,见图1所示。
产品的设计思想,是依据下述标准,即体积小,5V单端供电传感器。产品体积小,相应的磁材也比较小,这就导致传感器原边和副边之间的距离比较短。这种结构有利于传感器拥有抗高dv/dt的能力。这种抑制高频特性dv/dt(见图2所示曲线2-紫线)非常适合电机控制应用。因为在电机控制中,在电机三相负载中由于桥臂的不停的导通关断会产生高dv/dt(见图2所示所示曲线1-黄线)。

原边和副边之间有高度绝缘能力的电气元件都可以耦合并隔离电势。在高频率开关的应用环境,会有频率非常高且斜率非常大的尖峰出现(如:原边电压的高速变化),这就导致了不必要的电磁干扰(EMI)。这种情况,在副边输出元件上,会产生一个干扰信号。如,一个10kV/μs的电压变化通过一个10pF的耦合电容产生的寄生电流为100mA。对于LTSR系列,这就是额定输出电流的8倍。
[page]
注意图中产生峰值为IPN l5.3%干扰(紫线2),这主要由于测试装置的布线造成的。注意图中小于800ns的扰动延迟,这是可以被滤掉的(重复建立时间为1.6μs),这对于数字控制电路进行PWM调制是非常有利的。在这种情况下,一个小型的滤波器就可以达到目的,而且不会削减动态特性。
由此可知,LTS25-NP是应用ASIC(专用集成电路)技术的第一种电流传感器。其独一无二的特征就是把磁场感应元件整合在一层,这样就可以部分的补偿HALL晶格由于温度漂移产生的变化。其基于ASIC技术的闭环电流传感器LTSR系列(现以LTSR25-NP为例)工作原理图如图3(a)所示与外形为图3(b)所示。


3.1具有更好的温度漂移特性
新一代ASIC技术基于硅晶技术,这是与第一代ASIC技术的产品LTS不同的。这种技术拥有比第一代更小的温度漂移特性。这对于内置在传感器中的控制环来说是非常重要的因素:漂移越小,控制环的稳定性就越好。
LTS25-NP的温度范围是-40℃到+85℃,在这个范围内,我们能接受的最大的偏置漂移是100ppm/℃。在同样的温度范围,LTSR的结构可以使偏置漂移降低为37.5ppm/℃。


新的ASIC技术同样可以改善驱动线圈电流能力,避免输出电压跌落到短路检测区域。如:原边电流是10倍的额定电流,如果参考电压是2.5V的话,那么输出电压不会下降2V而低于0.5V,从而不会触发短路检测。
3.2、LTSR的参考电压管脚(REF)的两个基本的工作模式
LTSR是闭环传感器,但是它有附加的参考电压管脚(REF)。此管脚为ASIC的参考电压通道,一般设置为2.5V(见图3(a)所示)。参考管脚有两个基本的工作模式。
第一种模式是参考输出模式(可参阅图6所示),在这种模式下,原边电流为0A,输出电压与参考管脚电压一致(在输出和参考点之间有最大±25mV的偏差)。原边电流改变也不会导致参考电压改变。

[page]
第二种模式是参考输入模式(可参阅图7所示),在这种模式下,可以对此参考管脚提供一个外部电压作为参考并驱动内部参考。这个电压允许值在1.9V到2.7V之间。源极可以吸收或提供源电流(source)最小1mA。这对于确保外部参考电压驱动内部参考电压是非常必要的。

当温度为25℃,参考电流Iref等于0的时候,内部的参考电压等于0。参考电压与以下条件有关:
*参考输出模式,参考电流Iref,是由连接的负载决定的。为了保证参考点在2.5V±25mV,我们应用最小的负载220kΩ保证Iref,最小。在参考输出模式,源电流应高于-125pA。低于此值将发生电压跌落。
*由外部参考(参考输入模式)提供电流的情况。在参考输入模式,外部参考源可以吸收或者提供与电压相匹配的电流,Vref=f(Iref)。(当外部参考大于内部参考电压Vref=2.5V±25mV或者外部参考电压小于内部参考电压Vref)。
|
用外部参考模式,传感器与其他装置(如:ADC)的互联是非常简单的(可参阅图7所示)。基于ASIC结构,这种特点会对测量范围产生一些影响。如:如果参考点为1.9V,反向电流的测量范围将会比提供的少0.6V,正向电流也是这种情况。
3.3、宽广的频带范围
优秀的耦合特性同样放映到带宽特性上,见图4曲线。LTSR的频带变化大概为0.3dB。由于器件和Hall件的影响,输入电流频率在100kHz的时候,响应频带变化会达到峰值,直到现在,从100kHz到200kHz,LEM闭环电流传感器的频带变化为3dB。
3.4、精确的快速响应特性
快速功率开关装置:IGBT需要非常快速的过流检测作为IGBT的保护。对于30A/μs速度的变化电流,实际上副边输出不会对原边电流变化有任何延迟。由于原边电路和补偿线圈之间优秀的耦合特性,LTSR才会有如此良好的表现。
3.5、优秀的精度及温度稳定性
25℃时LTSR系列电流传感器总体精度高于±0.2%。总体精度这个数值包括传感器所有的公差指标,如:线性误差,线圈误差以及长期稳定性。
|
大多数输出为电流值的闭环电流传感器相比,LTSR系列电流传感器是测量电阻内置的电流传感器,选择内置电阻的精度为±0.5%以及温度漂移为最大50ppm/K。

内部参考点,有着稳定的温度性,在(-10℃+85℃)最大50ppm/K在(-40℃…-10℃)最大100ppm/K。在大多数情况下,因为有外部辅助电路或者数字处理器控制(参考输出模式),参考点的绝对精度对于LTSR系列并不是非常重要。(类似的状况还有在于零点漂移指标)
虽然由用户的外部电路提供外部参考电压,电压漂移是由处理器控制的。在这种情况下(参考输入模式),你能给传感器提供在1.9到2.7V之间的参考电压,但是,这个电压低于处理器的控制能力,所以电压偏置叫以被校正,同时热量偏移也叫以被校正。
3.51 于LTSR25-NP在-10℃…+85℃的时候输出电压Vout具有最大的温度稳定性
*相对于Vref,Vout在工作温度范围内的偏置为37.5ppm/K。
*相对于0V,Vout在工作温度下范围的偏置为87.5ppm/K,在-40℃到—10℃的时候,为137.5ppm/K。
87.5ppm/k是由于Vout对于Vref的偏差(37.5ppm/k)加上Vref对于0V的偏差50ppm/K得到的。
137.5ppm/K是因为Vref偏置等于在工作温度范围为37.5ppm/K,在-40℃到-10℃时候,偏置为100ppm/K。
[page]
正如前面解释的如果控制器可以补偿Vref的漂移、偏置以及Vout在Ip=0时候的初始偏置,这样你可以提高精度。在工作温度范围内,提高公差,可以得到更高的精度。
4、主要参数特性
表1给出了LTSR电流传感器的一些主要参数特性。

电源电压是0到5V,这与许多控制器的供电电压都是相匹配的。与以前的闭环电流传感器对比,LTSR的测量范围可以是额定电流的3倍。这种改善是非常有利于应用的。LTSR25-NP系列在额定电流25A的时候最大的测量范围是80A。参考点为2.5V(参考输入模式和参考输出模式),精确为电源轨道电压的一半。放大器变化的范围为:0.625V/IPN,这样在+80A时输出电压为4.5V,在-80A的时候输出电压为0.5V(在参考输出模式)。电流传感器符合电力电子领域的相关标准。
5、关于基于ASIC技术的闭环电流传感器LTSR系列的应用
5.1应用范围宽、器件选择灵活
LTSR系列传感器,比上一代产品拥有更多的附加拓扑功能,在许多应用环境,传感器的输出可以很方便的接入ADC,并将数据输入DSP或其他微控制器。
LTSR设计为直接接入5V供电的DSP,但目前部分DSP或ADC供电电源为3.3V。这些3.3V供电芯片的内部参考点电压为1.8V。在这种情况下,可以将DSP的内部参考电压作为传感器的参考电压。这种连接方法,可以消除参考温度漂移。
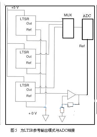
另外,可以用传感器内部的参考给ADC提供参考电压。即采用三个传感器将参考管脚连接在一起这种应用也是可能的,参考点电压将取三个内部参考电压的平均值,见图5的LTSR的参考输出模式,表示传感器在参考输出模式,将一个参考信号提供给ADC作为参考信号的典型应用示意图。
参考输入模式也可以应用此连接方法,见图6为LTSR参考输入模式与ADC连接示意图。论证了应用传感器的参考输入功能可以被用来同步几个传感器,使参考电压在同一水平。由于LTSR内部末端的负载47nF电容,可能会造成外接放大器的电压上升,所以如图6中放大器的输出电阻10Ω是为了避免放大器输出电压的上升。
图7为参考输出和一个微分放大器相连,消除输出偏置。另外,电路零点参考输出对于双端供电处理器的连接也是非常方便的。
5.2、原边电路的多种输入方式
LTSR具有三个U型原边连接端子和一个附加原边穿线圆孔,这给设计人员在电流测量上提供了灵活多样的多种选择范围。图8示意LTSR内部的连接方式。第一种模式:平行连接。这样可以测量最大的原边电流。
第二种模式:串联连接。虽然减少测量范围,但在小电流测量时提高了三倍精度。
第三种模式:微电流测量。测量不同的电流I1-I2。I2为孔内流过的电流,与印制电路板有一定的间隙距离。电流方向不同,感应测量值也不同。
5.3、应用举例
5.31.变频器中电气隔离电流测量
LTSR典型的应用在经典变频器上。由于优秀的精度和dv/dt抑制力,LTSR也非常适合伺服驱动器的应用。图9为在变频器中电气隔离电流测量的应用示意图。其优势在于:优秀的线性度,非常适合电机电流测量;又具短路保护的快速响应性,能保护短路和漏电;而良好的温度稳定性,适合精确的可重复的测量以及对于长距离电机接线的强电容电流变化的抑制能力。

5.32 用电流监控和调节的应用:
*在任何电流需要精确监控调节的地方,LTSR系列都可以应用到。这种应用适合交流测量系统。
*非线性负载产生包含方波的非正弦波。
LTSR系列传感器同样适合这种应用,因为它可以测量交流或者直流。LTSR同样可被用在DC装置,如电源、电池装置或者直流驱动。
5.33值此需要说明的是LTSR系列与分流器相比有以下优点:在高频大电流测量中具有更低的能量损失;电气隔离;更好的EMI特性。
6、结束语
6.1概括所有的LTSR的优点
单端供电0/5V,可测量正、负电流;可以输出内部参考电压Ref输出模式;外部电源绐传感器提供参考电压,即Ref输入模式;高温度稳定性和微小温度漂移;多量程测量概念可以使同样的传感器设备覆盖更多的原边电流测量跨度;低能量损耗;闭环原理提供优秀的线性度,宽广的频率范围,快速的响应时间,宽广的测量范围和测量高频电流脉冲的能力;易于安装;有竞争力的成本控制解决方案。
6.2在应用方面
LTSR可以应用于小功率电子系统,如:变频器、工业加热驱动装置,通风装置和空调装置等许多工业应用;如:伺服,小型UPS,电源和放大器能量管理系统,叉车和常用的电流监控。





