【导读】为了满足应用的要求,为PFC选择的拓扑结构是一个重要考虑因素,它们将决定整体的解决方案和性能。此外,并非所有拓扑结构都可以满足所有要求,就像并非所有拓扑结构都支持三电平开关或双向性。之前我们介绍过三相功率因数校正系统的优点和设计三相PFC时的注意事项,本文将介绍一些常见的三相拓扑结构并讨论它们的优缺点。
 
为了满足应用的要求,为PFC选择的拓扑结构是一个重要考虑因素,它们将决定整体的解决方案和性能。此外,并非所有拓扑结构都可以满足所有要求,就像并非所有拓扑结构都支持三电平开关或双向性。之前我们介绍过三相功率因数校正系统的优点和设计三相PFC时的注意事项,本文将介绍一些常见的三相拓扑结构并讨论它们的优缺点。
 
Vienna整流器(三开关升压)
 
在深入研究Vienna整流器的技术细节和特征之前,有必要了解一下它的历史,但更重要的是,我们要就所讨论的内容达成共识。Vienna整流器是一种脉宽调制整流器,由 Johann W. Kolar于1993年发明。在Kolar发明它之前,人们使用每相单相(带或不带中性线)和负载共享来平衡相电流。如今,“Vienna”一词通常主要指三相AC/DC转换器,但有时也指DC/AC或逆变器。例如,中性点钳位 (NPC) 和T−NPC三电平拓扑结构有时被称为“Vienna”,即使作为逆变器工作时也是如此。在讨论所谓的“Vienna”转换器时,建议确定是哪一种“Vienna”。
 
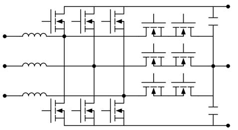
关于“Vienna”整流器的特性,它是一种三相连接升压PFC,如图7所示。单相升压PFC由电感、开关器件和整流二极管组成。在三电平结构中,每个半波或每个母线电压(不包括中间的公共接地)都有一个“升压”整流二极管 (DxBy)。然后,有一个双向开关, 由一个全波二极管整流桥(DxPy和DxZy)和其中的单向开关 (Qx)组成。我们得到如下原理图。
 
图7. Vienna PFC原理图
 
开关Qx的额定电压为600V或650V。所有二极管的额定电压也可以为600V。这将有助于减少损耗,因为不需要额定电压为1200V的器件。另一方面,二极管损耗很重要。电流路径中始终有两个串联的高频二极管。对于这些二极管,始终要在压降和反向恢复之间进行折衷。
 
对于PWM,它非常简单,因为每相只有一个开关。在反向Clark和Park帕克反向变换之后,调制直接应用于开关。但是,根据输入的正弦波方向,电流路径会发生变化。根据输入电压符号和/或电流方向/流动,二极管整流桥和“升压”二极管“自动”参与电流路径。这在图8中得到了很好的说明。
 
图8.Vienna升压PFC电流路径(用于存储和释放能量模式)和相电压
 
 
如前所述,由于电流分别从一相或两相流向其余两相或一相,因此上图仅画出一条支路(或一相原理图)。根据运行的扇区,可以使用上述方案导出每个相(U、V 或 W)的两种模式(相电压先将能量存储在升压电感器中,然后将能量释放到输出电容)。
 
这种拓扑结构的主要优点是每相使用一个开关。即使原理图看起来因所涉及的二极管数量而变得更加复杂,但它能使控制变得更加容易。该拓扑结构的成本也很低,因为开关数量非常少。该拓扑结构是单向的。
 
这种拓扑结构的一个主要缺点是二极管数量多。电流路径中始终有两个二极管,这会影响效率。所有驱动器都是浮地的,需要特定的浮动电源。
 
开关的选择可以根据功率级别,采用 超结MOSFET或 IGBT。对于更高频率的操作和/或更小的尺寸,也可以使用SiC MOSFET。对于二极管,建议使用硅STEALTH™ 2 或SiC二极管。
 
T−NPC升压
 
不同于“Vienna整流器(三开关升压)”部分介绍的原版“Vienna”,T型中性点箝位 (T−NPC) 以不同方式实现双向开关。T-NPC不是使用整流桥将单向开关转换为双向开关,而是使用背靠背开关配置,如图9所示。当开关未导通且电流与此开关的正常开关电流相比以“反向”方向流动时,也可以从体二极管导通。像IGBT这样的双极器件就是这种情况。使用MOSFET等单极器件,如果需要,可以打开开关以减少导通损耗。
 
图9.T−NPC升压PFC原理图
 
开关Qxy的额定电压为600V或650V。二极管DxBy额定电压为1200V。元件数量比原来的Vienna PFC少得多。导通损耗要低得多,因为一次只有一个二极管串联在电流回路中。但是,由于“升压”二极管是1200V器件,开关损耗略大于600V二极管。由于二极管少得多,因此很难预测哪种拓扑结构具有最佳效率。实际上,由于二极管数量较少,这种T−NPC拓扑结构具有更好的效率。图10突出显示了其中一相的电流路径。
 
图10.T−NPC升压PFC电流路径(用于存储和释放能量模式)和相电压
 
同样的反馈方法可以在这里与Clark和Park帕克直接和反向变换使用,以获得PWM信号。
 
由于两个背靠背开关共享相同的发射极或源极引脚节点,因此驱动器可以直接在控制环路之外使用相同的PWM信号驱动两个背靠背开关。否则,根据正弦波符号(正或负),需要驱动相应的开关。在这种情况下,有6个开关要驱动。这使得驱动正确开关的PWM解码方案稍微复杂一些。
 
在这两种情况下,驱动器都需要像原版Vienna那样是浮地的。
 
这种拓扑结构的一个优点是有源元件要少得多。对于原版Vienna,每相有6个有源元件。如果我们将体二极管视为开关的一部分,则T−NPC中每相只有4个有源元件。另一个优势是较低的导通损耗,使这种拓扑结构更适合更高的功率。
 
T−NPC的主要缺点是需要1200V二极管。这可能会抵消较低的导通损耗带来的效率增益,并可能影响总体成本。
 
T−NPC结构也用作逆变器。在这种情况下,“升压”二极管被开关取代,如图11所示。与PFC相比,输出方向是相反的。这样全部开关器件都是可双向工作的T-NPC拓扑就可以做到双向功率传输,由控制回路定义传输方向。
 
图11.双向T−NPC升压PFC原理图
 
NPC和A−NPC升压
 
双向开关的实现方案再次发生变化。NPC拓扑结构使用两个开关,分别用于每个(正或负)正弦波半周期。二极管桥现在是一个混合桥,结合了二极管和开关管,如图12所示。两个前端二极管用作一种“变速箱”,用于切换正相或负相周期。然后,连接到输出端的二极管和接地的开关管用作升压开关单元。这是显而易见的,因为此处描述的所有拓扑结构(Vienna、T-NPC和NPC)都在升压模式下运行。
 
图12.NPC升压PFC原理图
 
开关Qxy的额定电压为600V或650V。所有二极管(DxBy和DxPy)的额定电压也可以为600V或650V。这将有助于减少损耗,因为不需要额定电压为1200V的器件。另一方面,在电流路径中总是有两个组件 {即1个二极管与(1个二极管或1个开关)} 串联。这种NPC拓扑结构比T-NPC具有更高的导通损耗。
 
同样的反馈方法可以在这里与Clark和Park帕克直接和反向变换使用,以获得PWM信号。
 
这里的3个开关是浮地的,需要浮地的栅极驱动。其他3个开关接地,它们不需要浮地驱动器。这可以视为一种优势,但这种优势可能被两个原因影响。首先,根据功率水平,可能需要开尔文引脚到开关节点来驱动开关并提高效率。其次,为避免电流谐波,要求正负正弦波相位对称运行。这意味着浮动和接地栅极驱动信号应具有相同的延迟。因此,出于这个原因,浮动开关和接地开关通常使用相同的驱动原理图。
 
根据正弦波极性(正或负),需要驱动相应的开关。这使得驱动正确开关的PWM解码方案比三开关Vienna稍微复杂一些。此拓扑结构的电流路径如图13所示。
 
图13.Vienna升压PFC电流路径(用于存储和释放能量模式)和相电压
 
由于没有1200V二极管,这种拓扑结构在损耗方面具有明显优势,与原版 Vienna 相比,组件更少。驱动器配对和延迟匹配很关键,可以看作是一个缺点。
 
在这种结构中,用开关代替二极管也使拓扑结构成为双向的,如图14所示。这种结构称为A−NPC(有源中性点钳位)。
 
图14.双向NPC升压PFC原理图,也称为A-NPC升压PFC
 
半桥PFC升压
 
6-switch、6-Pack, 或称三相半桥逆变被广泛用于驱动电机,尤其是 BLDC 电机。当电机制动时,能量从电机的旋转中拉出并存储在总线电容器中。逆变器以反向模式工作,为电机轴提供动力。它与PFC的功率流相同。电源从三相电源流向直流母线。在这种断路运行模式下,电机电感器用作“升压”电感器。这种电机制动模式与PFC模式的区别在于控制回路给出的控制策略。因此,6-switch PFC与反向模式下的电机逆变器原理图相同(其中负载是源,反之亦然)。如图15所示,它是最简单的拓扑结构。所有开关 (Qxy) 都是1200V器件。在任何时候,功率流中每相只有一个开关。这是一种效率上的优势,可以弥补额定为1200V的器件的不足。它也是一个 两电平拓扑结构。所以,调制是直接的。如今,一些额定电压为900V的器件也可用于此拓扑结构。那些 900 V 器件的性能优于1200V器件。这有助于减少650V以上的开关器件的缺点。
 
图15.双向三相半桥两电平升压PFC
 
由于我们有3个接地的半桥,使用半桥驱动器构建驱动器要容易得多,并且可以使用自举等技术来创建浮动电源。这使用众所周知且广泛使用(在电机控制应用中)的技术简化了原理图。为了更好地理解,图16显示了返回和正向路径。由于没有中间点(因为它是两电平拓扑结构),电流路径在这种情况下不是很明显。
 
图16.用于存储和释放(升压)能量模式和相电压的三相半桥升压 PFC 电流路径
 
可提供用于电机驱动的功率模块,也可用于超高功率应用的 PFC 应用。此拓扑结构本质上是完全双向的。如本文开头所述,主要缺点主要是与两电平拓扑结构的客观优缺点有关。
 
并联单相带中性线
 
相比于使用具有复杂控制(通常需要数字控制器)的专用三相拓扑结构,一种更简单的替代方法是使用三个具有中性线连接的单相PFC,如图17所示。在此配置中,如果系统不平衡,中性线是必不可少的,即使三个单相PFC连接到负载分配控制以在三相之间平均分配功率也是如此。
 
图17.三相PFC使用3个单相PFC并联
 
由于单相PFC非常流行,以这种方式使用似乎更容易。有人认为三个独立转换器的优势体现在发生故障的时候:即使一个失效,仍有两个可用。如果故障不扰乱电网,那确实如此。例如,如果输入级出现短路故障,并且这种短路会在保险丝熔断之前以某种方式传输到电网。如果它扰乱了电网并且中性点在此故障期间发生了变化,则可以向剩余的PFC施加完整的相间电压。为避免失效,剩余的PFC将不得不维持此瞬态电压,这会增加PFC损耗、尺寸和成本。
 
这种结构的优点是设计起来简单得多,因为单相PFC被广泛使用。但是,由于需要使用中性线,使得配电网络更加昂贵并且不是最优的。此外,单相PFC无法处理几千瓦以上的功率。若要处理更高的功率,需要并联。
 
三相拓扑结构总结
 
表1总结了每种拓扑结构在前面讨论的设计标准方面的优缺点。
表 1.本文中讨论的通用拓扑结构的优缺点总结
 
 
 
结论
 
三相PFC系统很复杂,有多种可能的设计来满足相同的电气要求,需要考虑的范围很广,需要权衡取舍。要为每个应用找到最佳解决方案并非易事,需要系统层面和组件层面的系统专业知识。
 
安森美 (onsemi) 能为您的三相电源开发助力,创造更多价值。我们的应用笔记、评估板、仿真模型和专家应用团队可助您深入了解三相PFC 。我们支持开发人员根据应用要求选择合适的拓扑结构,并为每种情况找到最佳组件。
 
 
免责声明:本文为转载文章,转载此文目的在于传递更多信息,版权归原作者所有。本文所用视频、图片、文字如涉及作品版权问题,请联系小编进行处理。
 
 
推荐阅读:
Rivian 使用 MATLAB 和 MATLAB Parallel Server 扩展整车仿真
 





