【导读】在65W~150W 输出功率范围应用下,CrM PFC + QR Flyback 拓朴是非常普遍被选用的架构,在小型化集成线路趋势下,QR combo 控制芯片应运而生。 另外对于消费型电子产品,不仅能效需要符合法规的要求,其待机损耗也是相当重要的评判指标。
在65W~150W 输出功率范围应用下,CrM PFC + QR Flyback 拓朴是非常普遍被选用的架构,在小型化集成线路趋势下,QR combo 控制芯片应运而生。 另外对于消费型电子产品,不仅能效需要符合法规的要求,其待机损耗也是相当重要的评判指标。 SO20封装不仅整合了PFC 与 QR 控制器的功能,也整合了高压启动与X2 cap 放电机制, 当然IC也必须考量到绝缘空脚距离以致于有些脚位的功能是复合性的,就像HV/X2, BO/X2, PCS/PZCD... 在这之中尤其是以小信号检测PCS/PZCD比较敏感,避免用户在应注意而未注意情况下进行不恰当的PCB布局设计,产生异常动作保护触发的现象,以下就为大家介绍NCP1937相关的应用经验与注意事项。
NCP1937集成了功率因数修正 (PFC) 和准谐振(QR)反激式控制器,旨在用于电源适配器并实现高能效、紧凑型开关电源,例如: PD快充、工业通信电源、电动工具快充等方案。 这是一款采用混合数字内核架构的AC-DC器件,能够提供更高能效、增强灵活性及简化系统设计应用。 该 PFC 级以最大频率箝位在临界导通模式 (CrM) 下运行时表现出接近1的功率因子。 该电路结合了构建一个坚固紧凑的 PFC 级所需的所有必要功能,同时最大限度地减少外部器件的数量。 准谐振电流模式反激级具有专有的谷值锁定电路,确保稳定的谷值开关。 该系统工作到第四个谷值并切换到一个频率折返模式,最小频率箝位超出第4阶谷以消除可听噪声。 跳周期模式操作允许在轻负载条件下具有出色的效率,同时待机功耗非常低。
电流路径和接地点对噪声的影响
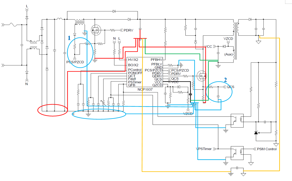
在任何电源转换器中,PCB 布局和布线需要考虑尽量减少噪声的产生和确保稳定运转。 作为组合IC,NCP1937控制两个可变开关频率转换器而且彼此独立运行。 事实上,PFC 部分栅极驱动器和 QR 部分栅极驱动器可以在任意点开启和关闭。 因此有必要特别关注当前的电流路径和接地点,以避免噪声在两个转换器之间的相互作用。 在为NCP1937布置PCB之前,建议区别并注释各种接地点(如图1所示)。 下面的表 1说明了不同电流路径的接地点,并表示为 PGNDx。 同时,为了区别模拟或信号接地点,将其表示为 AGNDx。 星形接地在业界众所周知,是很好的实践布局方式。 图2是NCP1937的应用线路在初级侧星形接地配置的范例。
以下是针对初级侧电流路径的PCB布局以及接地点的说明:
一)分别提供单独的路径给PFC和反激式转换器的开关电流。 从图1可知,PGND3 到PGND4 的电流路径(PFC电流路径)和 PGND4 到 PGND5 的电流路径(反激式转换器电流路径)是完全隔开,有各自的电流回路。 这将避免开关电流和栅极来自两个转换器的驱动电流重叠。
二)PGND6 和 PGND4 之间的路径可以改善的浪涌(surge)的耐受度。 建议使用单独的走线以及足够的线宽,将PGND6接回PGND4。
三)建议PGND4 和PGND5 之间的接线尽可能越短越好。
四)PGND4 将是整个模拟信号地的星形连接中心点。 连接PGND4 和 AGND 1 之间应尽可能短且尽可能宽。
五)PGND1、PGND2、PGND3 之间可以是连续路径,即不需要隔离这些路径。
针对初级侧模拟信号的PCB布局以及接地点的说明:
一)AGND1 是 模拟信号接地端的星形中心点。 AGND2和AGND3应在该点相交。
二)AGND3 來自 PFC 扼流圈辅助绕组,应单独连接至AGND1。
三)AGND2 应单独连接至AGND1。
图1:NCP1937的应用电路以及各种接地点的区别
表1:说明图1中的各个接地点
图2:NCP1937使用星形接地范例
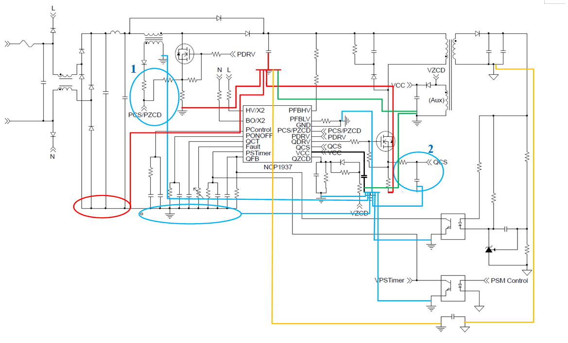
用例:90W电源适配器应用电路的PCB布局
图3为安森美(onsemi) 90W 电源适配器的展示板。 接下来透过应用线路(图4)来进一步说明实践的PCB布局方式。
一)摆放NCP1937時, IC 可靠近 PFC 电流感测电阻。
二)PFC 电流感测电阻尽可能靠近Bulk cap 的接地端。
三)建议PCS/PZCD和QCS loop 可优先布线,路径尽可能愈短愈好。 任何高频驱动信号及高dv/dt信号, 禁止穿越或靠近PCS/PZCD和 QCS信号回传路径
四)PFC 功率电流必须单独回到Bulk cap GND. (红色power grounding)
五)Flyback 功率电流必须单独回到 Bulk cap GND,不可以经过PFC 功率电流路径才回到Bulk cap GND
六)PFC 扼流圈辅助绕组的接地端, 必须直接连接到VCC SMT 电容的接地端
七)VCC SMT 电容以及PCS/PZCD 滤波电容 必须靠近IC 的GND
八)所有小信号grounding 必须都先连接到VCC SMT 电容。也就是VCC SMT 电容的接地端会呈现星形分散連接到所有的小信号grounding (蓝色grounding )
九)QR Aux winding GND 必须先连接到VCC的 电解电容,再从电解电容分成两路各连接到VCC SMT 电容GND 及Bulk cap GND (绿色接地)
十)PCS/PZCD 的RC滤波必须靠近IC pin 脚(蓝圈1)
十一)QCS 的RC滤波必须靠近IC pin 脚(蓝圈2)
十二)QZCD high low line 补偿电阻靠近IC pin 脚
十三)HV/X2 and HV/BO pin 可以预留落地高压滤波电容 (~ 470pF)
十四)一、二次侧的Y cap 应单独回路连接到Bulk cap GND 及 output cap GND。不可先汇入power loop 或是小信号grounding loop
图3:安森美90W 电源适配器的展示板
图4:应用线路以及接地的布局方式
通过PCB布局优化ESD,避免误触发保护机制
另一方面为了通过ESD测试,会透过PCB布局的方式优化ESD能量的路径,避免误触发IC的保护机制。 图5是优化前的接地方式,ESD能量会通过Y cap 到一次侧会经过独立Trace 回到Bulk cap GND,但是另一个路径则会经过变压器绕组耦合到一次侧时,AUX 绕组grounding 若先连接到Current Senes 的power Trace 时,就会在CS 信号受到ESD injection 能量产生distortion造成误触发OCP保护机制。 然而ESD 表现较好的布局,如图6,可以看到不仅Y cap 到一次侧会经过独立Trace 回到Bulk cap GND,而另一个路径则会经过变压器绕组耦合到一次侧时,AUX 绕组grounding 则会先连接到Bulk cap GND,不会让CS 信号受到ESD injection 能量产生distortion而造成误触发OCP保护机制。
简言之,针对Combo IC控制器来操作两个电源转换器,PCB布局是电源转换器可发挥高效能以及稳定操作的关键因素。 遵循上述的接地建议,将有效减少一个转换器的噪声耦合其他转换器的敏感控制讯号。
图5:优化前,辅助电源绕组的GND连接到PFC电流感测电阻的负端
图6:优化后,辅助电源绕组的GND连接到PFC bulk电容的负端
免责声明:本文为转载文章,转载此文目的在于传递更多信息,版权归原作者所有。本文所用视频、图片、文字如涉及作品版权问题,请联系小编进行处理。
推荐阅读:













