【导读】本文为大家讲解恒温电烙铁的工作原理是怎么样的?同时分享给大家自制恒温电烙铁的电路图。本电路图采用的是热电偶传感器,控温精度高达±5%,控制电路采用的是交流市电直接降压、滤波、稳压供电方案,大家可以借鉴。
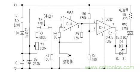
如图所示。该电烙铁控温范围是100℃~400℃,调温标志标明低、中、高位,控温精度标称±5%,采用了热电偶传感器。控制电路采用了交流市电直接降压、滤波、稳压供电方案。

市电AC220V经R1降压、D1半波整流、D2削波稳压、C1滤波后作为比较器件IC的电源电压及调温设定电压源。IC-A③脚为热电偶检测电压输入端(与温度值对应);②脚为调温设定电压。在②、③脚两端电压比较后,由①脚输出。其中R5的作用是将输入的很少一部分反馈至同相输入端③脚,以使在小信号波动时输出锁定不变。当热电偶检到温度偏低时;③脚电平相对②脚低,使输出①脚也低。进而使IC-B放大器⑥脚相对于固定偏置的⑤脚偏低,使输出⑦脚为高。由于IC-B⑤脚电压是由AC220V经R6、R7分压而得,因而,频率、相位完全与AC220V相同。与⑥脚直流比较后在⑦脚输出交流电压。该交流电压经C2、D4、D3和D4反向并联(作用同双向二极管)触发双向可控硅,使相应的电压加到烙铁电热丝上,以达到恒温的目的。
相关阅读:





