【导读】在现代开关电源设计中,75W以上功率等级的离线式电源必须引入功率因数校正(PFC)技术。该技术的核心目标是调整输入电流波形,使其实时跟随交流输入电压变化,从而令电源系统对电网呈现近似纯电阻特性。在正弦电压输入条件下,实现理想PFC的关键在于对输入电流进行精确采样与波形整形。采用峰值电流模式的控制策略,可有效提升电流跟踪精度与系统动态响应性能。
在上期中,我们探讨了使用第二级滤波器来减少电压纹波。
本期,为大家带来的是《采用峰值电流模式控制的功率因数校正》,将介绍一种无需采样电阻、避免中点采样问题的创新 PFC 控制方法。
引言
在现代开关电源设计中,75W以上功率等级的离线式电源必须引入功率因数校正(PFC)技术。该技术的核心目标是调整输入电流波形,使其实时跟随交流输入电压变化,从而令电源系统对电网呈现近似纯电阻特性。在正弦电压输入条件下,实现理想PFC的关键在于对输入电流进行精确采样与波形整形。采用峰值电流模式的控制策略,可有效提升电流跟踪精度与系统动态响应性能。
设计人员通常会在 PFC 应用中使用以下两种电流检测方法的其中之一。第一种方法是在 PFC 接地回路中放置一个电流采样电阻器(在图 1 中指定为 R1)以检测输入电流,该电流将送至平均电流模式控制器(如图 2 所示),以强制输入电流跟随输入电压。由于电流采样电阻器可检测全部升压电感器电流,因此这种电流检测方法可提供良好的功率因数并降低总计谐波失真 (THD)。不过,电流采样电阻器会导致额外的功率损耗,这在需要高效率的应用中可能是个问题。

图 1. PFC 的常用电流检测方法。

图 2. PFC 的传统平均电流模式控制。
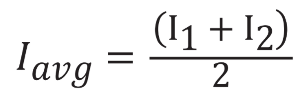
第二种方法是将电流互感器与升压开关串联以检测开关电流(在图 1 中指定为 CT 和 R2)。如果无法使用电流采样电阻(例如对于交错 PFC 和 semi-bridgeless PFC),最好使用这种方法。电流互感器仅检测开关电流 (IQ)(而非全部电感器电流),因此要控制全部电感器电流,一种简单的解决方案是在电流互感器输出的中间(脉宽调制 [PWM] 导通时间的中间)进行采样。采样将起作用,因为在连续导通模式 (CCM) 下,中点瞬时电流值等于平均电感器电流值(如图 3 所示)。与第一种方法相比,这种方法的功率损耗更少,但也存在限制:PFC 的占空比在 0% 至 100% 之间变化。当占空比较小时,PWM 导通时间很短;因此,很难在 PWM 导通时间的中间准确采样。任何采样位置偏移都会导致反馈信号误差,并使 THD 和功率因数变差。

图 3. CCM 下的 PFC 电感器电流波形。
本文介绍了控制 PFC 并实现单位功率因数的新方法 - 一种特殊的峰值电流模式。这种方法不需要电流采样电阻,因此消除了功率损耗。虽然它仍使用电流互感器来检测开关电流,但无需在 PWM 导通时间的中间进行采样,从而避免了采样位置偏移问题。除此以外还有其他好处。
CCM PFC 的峰值电流模式控制
峰值电流模式控制广泛用于直流/直流转换器,但它不适用于 PFC,因为 PFC 需要控制平均电流,而不是峰值电流。控制电感器峰值电流会导致较差的 THD 和较低的功率因数。
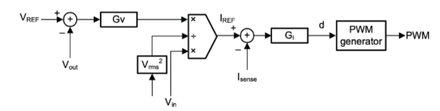
通过使用特殊的 PWM 发生器(如图 4 所示),PFC 可以实现峰值电流模式控制。图 4 比较了检测到的开关电流 IQ 与锯齿波。锯齿波峰值电压 (VRAMP) 在每个开关周期开始时开始,其幅度在开关周期结束时线性下降至 0V。升压开关 (Q) 在开关周期开始时导通。当 IQ 超过锯齿波时,Q 关断。
这种 PWM 发生器已存在于几乎所有数字电源控制器中,例如 TI 的 C2000™ 实时微控制器和 UCD3138。这些数字控制器具有一个带可编程斜率补偿的峰值电流模式控制模块。对具有斜率 VRAMP/T 的补偿进行编程可生成预期的锯齿波。

图 4: CCM 中建议方法的 PWM 波形生成。
要实现单位功率因数,可通过方程式 1 计算锯齿波 VRAMP 的峰值:

方程式 1
其中 Gv 是电压环路输出,Vout 是 PFC 输出电压,L 是升压电感器的电感,R 是电流互感器输出端的电流检测电阻,Ton 是 PFC PWM 导通时间。
由于 PWM 导通时间在两个连续开关周期中几乎相同,因此您可以使用上一开关周期中的 Ton 信息来计算此开关周期的 VRAMP 值。
了解如何使用此控制方法实现单位功率因数。从图 3 可以看出,在 Ton 时间内,输入电压施加到电感器,导致电感器电流从 I1 上升到 I2。采用方程式 2:

方程式 2
其中 Vin 是 PFC 输入电压。方程式 3 计算每个开关周期中的平均电感器电流:

方程式 3
将方程式 2 代入方程式 3 可得到方程式 4:

方程式 4
从图 4 中,方程式 5 为:

方程式 5
方程式 6 适用于在 CCM 稳定状态下运行的 PFC:

方程式 6
将方程式 6 代入方程式 5 并求解 I2 可得到方程式 7:

方程式 7
将方程式 1 和方程式 7 代入方程式 4 可得到方程式 8:

方程式 8
在方程式 8 中,Gv 是 PFC 电压环路输出。它在稳定状态下是恒定的;因此,Iavg 与 Vin 成正比,并跟随 Vin 的形状。如果 Vin 是正弦波,则 Iavg 也是正弦波。控制电感器峰值电流可实现单位功率因数。
与传统的平均电流模式控制相比,这种方法消除了电流采样电阻器引起的功率损耗。与需要精确采样位置的电流互感器检测方法相比,该方法无需对电流进行采样。模拟比较器会确定 PWM 关断瞬间,从而避免了采样偏移问题。
为了节省系统成本,一些设计人员更喜欢使用组合控制,通过单个控制器控制 PFC 和直流/直流控制器。您可以将组合控制器置于交流/直流电源的初级侧或次级侧;每一侧都有其优缺点。如果选择将组合控制器置于初级侧,则需要跨越隔离边界,将直流/直流输出电压和电流信息发送到初级侧,并且控制器和主机之间的通信也需要跨越隔离边界。如果选择将组合控制器置于次级侧,因为传统的平均电流模式控制方法需要输入交流电压信息,因此必须检测输入电压并将其用于调制电流环路基准。跨越隔离边界检测输入电压颇具挑战。
在新控制方法中,方程式 1 仅包括 Vout,不包括 Vin。因为不需要检测 Vin,所以可以去除 Vin 检测电路。此控制方法仅需要电流互感器输出和 Vout 信息。由于电流互感器提供隔离,因此低成本的光耦合器可以检测 Vout 并将其送至次级侧。然后,您可以将 PFC 控制器放置在交流/直流电源的次级侧,并将其与同样位于次级侧的直流/直流控制器组合以构建组合控制器,从而大大降低系统成本。
DCM PFC 的峰值电流模式控制
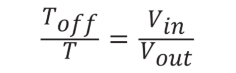
您可以将相同算法扩展到不连续导通模式 (DCM) 运行。图 5 显示了 DCM 中的电感器电流波形。电感器电流在 Toff 结束时下降为零,并在其余 Tdcm 期间保持为零;因此,T= Ton + Toff + Tdcm。PWM 波形发生器与图 4 相同,但 PWM 关断时间为 Toff + Tdcm,而不是 Toff(如图 6 所示)。

图 5:DCM 下的 PFC 电感器电流波形。

图 6:DCM 中建议方法的 PWM 波形生成。
将方程式 4 重写为方程式 9 可计算一个开关周期内 DCM 下的平均电流:

方程式 9
在稳定状态下,电感器伏秒必须在每个开关周期中保持平衡,从而得到方程式 10:

方程式 10
求解 Toff 并代入方程式 9 可得到方程式 11:

方程式 11
从方程式 6 中,方程式 12 为:

方程式 12
方程式 13 计算锯齿波 Vramp 的峰值:

方程式 13
将方程式 13 代入方程式 12 并求解 I2 可得到方程式 14:

方程式 14
将 I2 代入方程式 11 可得到方程式 15:

方程式 15
在方程式 15 中,Gv 在稳定状态下是恒定的;因此,Iavg 与 Vin 成正比,并跟随 Vin 的形状。如果 Vin 是正弦波,那么 Iavg 也是正弦波,从而实现单位功率因数。
从方程式 9 到方程式 15 对 CCM 和 DCM 均有效,因此,如果根据方程式 13 生成了锯齿波信号峰值,则可以为 CCM 和 DCM 实现单位功率因数。
方程式 1 是方程式 13 的特殊情况,其中 T = Ton + Toff。对于轻负载(PFC 在轻负载下处于 DCM 模式)、THD 和功率因数不太重要的应用,可使用公式 1 来简化实现。
测试结果
已在 360W PFC 评估模块 (EVM) 上验证了这一建议的控制方法。图 7 显示了输入电流波形,从中可以看到良好的正弦电流波形。

图 7:360W PFC EVM 上的测试结果。
结论
与传统的平均电流模式控制方法相比,这种新型 PFC 峰值电流模式控制方法具有许多优势。通过将 PFC 控制器放置在交流/直流电源的次级侧来构建具有直流/直流控制器的组合控制器可以降低成本。消除电流分流电阻器可消除功率损耗,从而提高效率。使用电流互感器时,通过消除因 PWM 占空比较小而产生的反馈信号误差可改善 THD。最后,通过 C2000 MCU 和 UCD3138 等现有数字电源控制器可轻松实现这种控制方法。
本文来源于德州仪器《模拟设计期刊》。《模拟设计期刊》由德州仪器工程师和专家精心撰写并汇编,覆盖从基础知识到先进技术、从数据转换器到传感器应用的广泛主题,为模拟设计新手和资深用户提供实用信息和解决方案。
推荐阅读:





