【导读】在多输入多输出(MIMO)无线通信系统中,确保多个收发器共享一个高精度、低噪声的参考时钟,是保障系统整体性能(如低误差矢量幅度EVM)的关键。时钟信号在分配过程中,任何负载不匹配或信号串扰都可能导致同步失效。MAX2470与MAX2471缓冲放大器,凭借其高反向隔离度、灵活的负载驱动能力及低成本特性,为此提供了高效的解决方案。
在多输入多输出(MIMO)无线通信系统中,确保多个收发器共享一个高精度、低噪声的参考时钟,是保障系统整体性能(如低误差矢量幅度EVM)的关键。时钟信号在分配过程中,任何负载不匹配或信号串扰都可能导致同步失效。MAX2470与MAX2471缓冲放大器,凭借其高反向隔离度、灵活的负载驱动能力及低成本特性,为此提供了高效的解决方案。

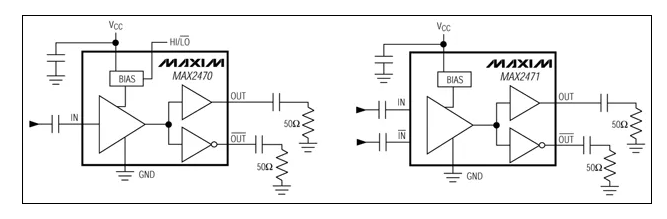
图1. MAX2470、MAX2471结构框图
1.1 核心特性:不止于缓冲
MAX2470/MAX2471的核心价值在于它们作为 “信号桥梁” 的稳定性。

1.2 实战MIMO时钟分配:架构与要点
在MIMO系统中,一个参考时钟源需要驱动多个物理上分离的收发器。
典型应用架构:参考时钟源首先接入MAX2470的输入端。由于其两个输出信号存在180°相位差,不能同时用于驱动MIMO系统中的不同收发器。标准的做法是:将其中一个输出端用50Ω电阻进行端接,另一个输出则分配给系统中的各个收发器。
功率考量:设计时必须注意,当使用50Ω负载时,MAX2470的输出功率通常应设置为-5dBm或更低。工程师需要计算并验证分配到每个收发器的信号功率,确保满足其最小参考电平要求。
1.3 实现最佳性能:PCB布局与电源滤波
再优秀的芯片也离不开精心的电路板设计,尤其是在高频应用场景。
总结
MAX2470与MAX2471通过提供高反向隔离、灵活的负载驱动能力及稳定的差分输出,有效解决了MIMO系统中参考时钟分配的关键难题,确保了多收发器的同步性能。结合正确的电路匹配与严谨的PCB布局,它们是实现高效、可靠MIMO射频系统设计的优选器件。
推荐阅读:
创新强基,智造赋能:超600家企业齐聚!第106届中国电子展打造行业盛宴







