【导读】作为一种常见的电源故障现象,开关电源的间歇振荡相信大家并不陌生。鉴于开关电源间歇振荡的高故障率,本文将为大家梳理一下会导致开关电源间歇振荡的三个很常见的故障原因。帮助工程师朋友们故障维修!
开关电源的间歇振荡,是一种较为常见的故障现象,故障率远远高于无输出电压、输出电压偏高或偏低,其检修难度和故障表现,也复杂于上述三种故障。其表现为:输出电压时高时低或时有时无,伴随轻微的“嗒、嗒”声,或“唧咦,唧咦”声。
如果简单梳理一下,其故障原因,可分述为过载型、欠电压型、空载型等三种情况。
1、过载型
该型故障在四种故障中,较为常见,检修难度为二星级。通常由开关变压器二次侧的整流二极管击穿、滤波电容漏电,或负载电路的IC器件、散热风扇等损坏所致。当解除相应负载支路后,或摘除电源本身故障元件后,电源即由间歇振荡转为正常输出状态。
①若属电压采样,如+5V负载支路或电源本身产生的故障(如滤波电容漏电),测其它支路的输出电压上冲最大值,可能会略超过额定电压,如+15V输出可能会上冲至+17V;
②若属稳压采样以外的供电或负载支路产生的故障,则输出电压上冲最大值一般会小额定值。如+15V输出上冲为8V。
虽属间歇振荡,但输出电压有一定的幅度。
2、欠电压型
通常由于3844的7脚供电支路不良,或开关变压器一次绕组所并联开关管反向电流吸收回路有漏电元件所造成,检修难度为三星级或四星级。
①由于3844的7脚供电支路不良,如整流二极管低效(测量正、反向电阻和导通压降,都是好的)、滤波电容失效,如从100u变为10u。不能正常提供振荡芯片所需的工作能量(开关管的激励能量),马儿不能吃饱,也就拉不动车。
此类故障,如果确认其稳压环节尚属正常的话,为3844的7、5脚提供外加DC18V电源后,电源即由失常变为正常,若此时检查滤波电容无问题,要毫不犹豫地换掉整流二极管!
②开关变压器一次绕组所并联开关管反向电流吸收回路有漏电元件,使自供电绕组的感生电压大为降低,也不足以提供振荡芯片和开关管所需的工作能量。检查3844的7脚供电支路无异常后,检查重点,就应该转移至本电路上来。故障产生的根源以高速高反压二极管或稳压管的漏电最为常见,而困难的是,测量二极管或稳压器,感觉又是好的。可以暂时断开吸收回路,或代换元件试验,往往能快速解决问题。
对于欠电压故障,测开关变压器二次绕组输出的各路电压,均较低,如在零点几伏至几伏以内波动,感觉电源就没有劲儿输出。哈哈。
3、空载型
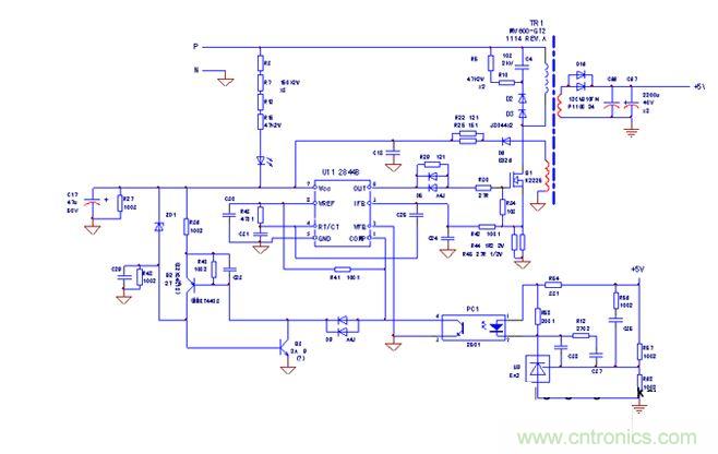
这是一个故障特型。只在单独检修开关电源/驱动板时,才会碰到。检修难度为几星,我就不说了。如下图电源所示,①该反馈光耦的输出侧直接与3844的12脚相连;②开关变压器二次绕组,尤其是采样电压绕组的滤波电容,其容量较为,为千微安级。当负载支路空载时,因不能形成最小的稳定负载电流,致使能源供给一方因失去供给目标,而无所适从,不是配给多了就是配给少了,也就形成了间歇振荡。
赛恩开关电源电路原理图
这本身不是故障,而是因负载支路“悬空”所引起,当与MCU直接连接时(尤其注意连接显示面板,数码管需用较大的工作电流),电源即会正常工作,一定意义上讲,无须检修。可单独检修时,以必须将电路“动”一下,使开关电源能正常工作,以利检修的开展。方法是,在图中C87电容两端并联2W,30~100Ω负载电阻,就中。

如果当成是一种故障,则有一个显著的表现特征:当测量开关变压器二次侧各路输出电压,会发现波动范围较大,而且电压上冲值会远高于额定电压值,如+5V变为8V,或+15V,变为20V以上。而下冲值,可至0V。






