【导读】硅材料虽为半导体产业基石,但在速度、功率密度上的瓶颈日益突出。宽禁带半导体技术为开关模式电源带来突破,其中氮化镓(GaN)因低电容、高击穿电压等优势成为热门替代方案。本文剖析硅的局限与GaN的特性,探讨GaN应用中的核心优势与实际挑战,并给出解决方案,为电路设计人员提供技术实践指引。
宽禁带技术在开关模式电源中越来越受欢迎。如果电路设计人员有兴趣在未来设计中使用这项相对较新的技术,则有必要了解这项技术的优势和挑战,并积累相关经验。
宽禁带半导体
硅是电子产品中使用的一种神奇材料。生长出高纯度体硅并通过掺杂形成p型和n型特性,造就了令人瞩目的微电子基础设施与产业。于是,低成本、高可用性器件不断渗透到我们的生活中。然而,随着工程师逐渐把手中的工具发挥到极致性能,我们也在不断寻找更好的晶体管。对于各种应用中的许多用例,硅固然表现出优异的性能,但硅的某些材料特性也限制了它在速度、功率密度和温度范围等方面的提升。虽然市面上提供许多其他半导体技术,比如砷化镓(GaAs)、碳化硅(SiC)和氮化镓(GaN),但设计师在使用硅构建电路方面已经积累了丰富的经验,涵盖研究、开发工具链和生产环节。据SEMI.org统计,2023年晶圆出货量为126.02亿平方英寸,面积足够覆盖1000个足球场。对于始终追求更小解决方案的半导体行业来说,这无疑是令人赞叹的壮举!1
得益于对硅材料的熟悉,随着时间的推移,半导体行业能够将硅的性能不断向前推进。然而,半导体行业迫切需要认真考虑替代硅的半导体技术,而宽禁带半导体的相关研究已取得切实的成果。
GaAs是一种III-V禁带半导体,用于微波、激光二极管和太阳能电池等高频应用。得益于高饱和电子速度和迁移率,GaAs能够在100 GHz以上的频率下正常工作。
电子产品中使用SiC由来已久,其早期应用主要是发光二极管。凭借耐高温和耐高压的能力,碳化硅用作电源中的功率级元件。此外,碳化硅能够实现电压范围远高于1000 V的开关和二极管。
在电源应用中,GaN是一种能够替代或增强硅基电路的特定技术。在20世纪90年代初,GaN主要是研究级材料,但到了2003年,从产量来看,GaN跻身三大半导体材料之列,仅次于硅和GaAs。GaN的早期用例包括固态照明和射频电子产品。2
2012年,GaN原型首次用作电源开关(pGaN HEMT器件),替代开关模式电源中的硅场效应晶体管(FET)。在此类电源中,与传统硅FET器件相比,GaN实现了更高的电源转换效率。无论是过去还是现在,GaN器件的主要制造难点一直在于能否生长出大尺寸的单晶,从而用来生产高质量的大尺寸晶圆。
与硅相比,GaN有很多优势。主要优势包括在给定电流和电压额定值下具有较低的漏极和栅极电容。此外,GaN开关的尺寸比硅小,因此解决方案也更小。GaN材料的击穿电压较高,可用于运行电压在100 V及以上的应用。而对于100 V以下的不同电源设计,GaN的功率密度和快速开关能力也带来诸多优势,比如提高电源转换效率。
GaN是宽禁带半导体,其禁带电压为3.4eV,而硅的禁带电压为1.1eV。但是,在电源设计中,品质因数的重要性不尽相同。举例来说,在400 V中间总线应用中,比如在240 V AC电源转换器中,我们使用650 V击穿电压FET,漏源电流约为30 A。使用硅FET时,需要93 nC的栅极电荷,而使用GaN FET时,仅需9 nC的栅极电荷。3 使用此类开关的应用将在约1 kW至8 kW的功率电平下运行。使用具有小栅极电容的GaN器件的好处在于,开关转换时间显著加快,开关损耗降低,最终实现更高的电源转换效率,特别是当开关频率较高且采用较小的磁性元件时。
在开关模式电源中使用宽禁带半导体
用GaN器件替代硅基MOSFET时,肯定会遇到一些挑战。这些挑战与GaN栅极驱动、开关过程中的快速电压变化及死区时间内的高导通损耗有关。
首先,GaN开关的栅极电压额定值通常低于硅FET。大多数GaN制造商建议的典型栅极驱动电压为5 V。一些器件的绝对最大额定值为6 V,建议的栅极驱动电压和临界阈值之间没有太多裕量,若超过此临界阈值,将会损坏器件。建议的栅极驱动电压因制造商而异。这一限制,再加上GaN器件中的栅极电荷非常小,意味着驱动器级必须严格限制最大栅极驱动电压,以免损坏GaN器件。
此外,必须关注电源开关节点处的快速电压变化(dv/dt),这有可能导致底部开关误导通。GaN器件的栅极电压非常小。任何在邻近区域(比如开关节点处)发生的快速电压变化,都有可能以电容耦合的方式作用于GaN开关的小尺寸栅极,从而使其导通。为了更好地控制导通和关断曲线,需要布置单独的上拉和下拉引脚,并精心设计印刷电路板布局。
此外,GaN FET在死区时间的导通损耗较高,在死区时间,电桥配置的高侧和低侧开关均断开。死区时间对于防止高侧电压轨与接地端之间发生短路必不可少。在死区时间内,低侧开关通常会产生流经低侧开关体二极管的电流。要解决此类死区时间内导通损耗较高的问题,一种方法是尽可能缩短死区时间的时长。与此同时,还必须注意高侧和低侧开关的导通时间不能重叠,以避免接地端短路。
另外值得一提的是,GaN提供更宽的转换范围,快速的上升和下降时间能够实现比硅MOSFET更小的占空比。
使用除硅以外的其他开关
在电源转换行业,硅开关多年来一直用作功率级开关。现在,GaN开关已可供电源设计人员使用,但如何用它们来取代硅开关?它们是直接替代产品,还是在功率级设计方面有所不同?
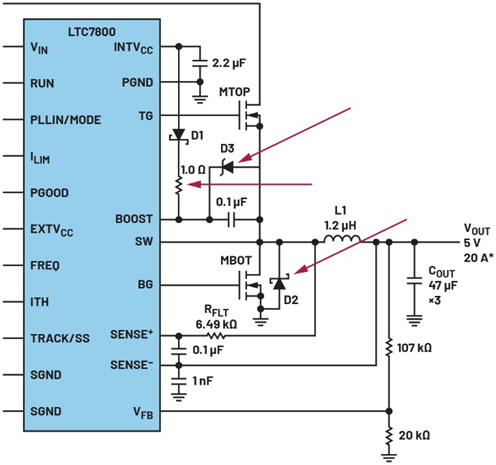
图1所示为典型降压稳压器开关模式电源的功率级。红色箭头表示在开关模式电源中使用GaN开关时可能需要的额外组件。GaN开关不具备体二极管的便捷性。硅MOSFET中的体二极管是p-n结,该p-n结通过硅工艺的结构形成。GaN技术的工艺略有不同,因此无法使用简单的p-n结体二极管。4 然而,GaN开关虽采用不同的机制,但可产生类似的结果。GaN器件的导通仅涉及多数载流子,因此不存在反向恢复。5 但是,不同于硅MOSFET,GaN FET不具备体二极管的正向电压,因此GaN FET上的电压可能会变得非常大。所以,死区时间内的功率损耗相当高。这便是为什么与硅开关相比,在使用GaN开关时务必要缩短死区时间。
硅MOSFET具有体二极管,在开关模式电源的死区时间内,电源设计会大量使用体二极管。在降压稳压器的低侧开关中,流经体二极管的电流提供电感所需的连续电流。如果低侧开关中没有体二极管,则每段死区时间都会导致降压稳压器中的开关节点电压趋于负无穷。在达到负无穷之前,电路无疑会因为电压超出开关的额定电压而失去能量,最终烧毁。4
使用GaN开关时,如果源极和栅极处于相同电位,但使用电感器等连续电流源,则GaN FET将反向导通。
不同于硅MOSFET,GaN开关不包含p-n结体二极管,因此在构建低侧开关时,需要在低侧开关周围设计一条备用电流路径,以允许电流在死区时间内流动。图1所示为放置在低侧GaN开关漏极和源极之间的简单肖特基二极管(D2)。在电路的死区时间内,该二极管将迅速接管电感电流。
在GaN FET中,由于GaN FET的对称性,漏极和源极在反向导通期间会发生翻转。栅极保持在接地电位,但开关节点自偏置为GaN FET的最小导通阈值。这个低电压是导通GaN FET所需的最小阈值(通常为GND-2V至GND-3V)。由于VGS未优化,RON会受到反向导通的影响。外部肖特基是备用路径,无需在反向导通时导通GaN FET。
如图2所示,使用GaN开关时,对电路进行的第二个修改是将电阻与二极管D1串联,为电路的高侧驱动器提供来自INTVCC电源电压的基本电压。可能需要这个电阻来限制高侧驱动器的峰值电流。
此外,要防止高侧驱动器电源电压上的电压尖峰过量,可能需要齐纳二极管D3。
图1.使用GaN技术作为LTC7800降压转换器功率级中的电源开关时有必要考虑的组件。
虽然图1中的额外组件看起来相当简单直接,但要确保该电路在所有工作条件下都能可靠运行,需要在工作台上进行微调和全面评估。此外,将需要考虑组件的数值在生产环境和老化过程中的变化。最严重的风险是GaN开关永久性损坏。
使用特殊GaN控制器
如果开关模式电源的功率级使用GaN开关,要想免去对于保护功能的关键评估,一个简单方法是选择电源控制器IC。LTC7891单相降压控制器专为GaN功率级开关而设计。选择专用GaN控制器可以简化GaN电源设计,增强其稳健性。前面提到的种种挑战都可以通过GaN控制器来解决。如图1所示,采用GaN FET等专用GaN控制器,将大大简化降压电源设计。
图2.专用GaN控制器有助于实现稳健且密集的电源电路
此类专用的开关控制器不仅实现了简单的设计,还提供所需的灵活性,可与当今市场上的不同GaN开关配合使用。此外,GaN开关技术的发展和创新还远未结束。未来的GaN开关将不同于当今的产品,而且将变得更加出色。然而,与如今现成的开关相比,未来的GaN开关可能需要采用略微不同的处理方法。图2中的LTC7891等器件为两种开关提供专用的上、下栅极驱动引脚。如此一来,便可以单独控制GaN开关栅极电压的上升和下降斜率。这有助于完全通过GaN开关驱动功率级,并最大限度减少振铃和过冲。
如图2所示,与传统硅MOSFET降压控制器的显著区别在于上升沿和下降沿的单独栅极驱动引脚。然而,LTC7891与专为硅开关设计的传统控制器之间还存在许多其他差异。内部Bootstrap开关用于防止高侧驱动器在死区时间内过度充电。此功能可以可靠地实现,而不需要依赖外部的组件。
另一个重要特性是智能的近零死区时间控制。该特性可以实现可靠的操作,并显著提高电源转换效率,同时还支持高开关频率。LTC7891的额定开关频率高达3 MHz。
另一个独特之处是可以将栅极驱动电压从4 V精确调整至5.5 V,从而优化市场上各种GaN FET所需的VGS。
使用任意控制器IC
除了使用外部无源修复措施来使传统硅控制器与GaN开关配合使用,或使用专用GaN控制器之外,工程师也可以考虑使用传统控制器IC,并利用针对GaN进行了优化的驱动器级。这种方法可解决GaN带来的挑战,实现简单而稳健的设计。图3为采用LT8418驱动器IC实现的降压稳压器功率级。该驱动器采用小巧的WLCSP(晶圆级芯片规模封装),可实现非常低的寄生电阻和电感,从而降低快速电流变化导致的电压失调。
图3.专用GaN驱动器根据来自传统硅基MOSFET控制器的逻辑PWM信号控制功率级
通过仿真助力电路设计
选定合适的硬件、控制器IC和GaN开关之后,可通过详细的电路仿真来快速获得初步评估结果。ADI公司的LTspice提供完整的电路模型,可免费用于仿真。这是学习使用GaN开关的一种便捷方法。图4所示为LTC7891的仿真原理图。另提供双通道版本LTC7890。
图4.LTspice,一款实用的GaN电源仿真工具
集成宽禁带
尽管GaN技术非常适合构建FET并将FET用于先进的功率级,但要将GaN用作开关模式电源的控制电路,GaN未必具有这样的能力,或者不具有足够的成本效益。因此,在可预见的未来,我们将采用混合方法。控制电路将以硅为基础,通过高度优化的控制和驱动电路来驱动高功率GaN开关。就目前的技术而言,这种方法是可行的,且具有成本竞争力。然而,这将需要在一个电路中使用多个裸片。如本白皮书中的示例所示,可以采用单独的GaN开关,也可以采用ADI的全集成混合方法,将多个裸片集成在电源转换器CI或µModule®电源解决方案中,并集成电感器等多种无源元件。
如前所述,生长大尺寸、高质量的GaN依然是个难题。金刚石基GaN是制造GaN开关的一种方法。然而,自大约2010年以来,硅基高电子迁移率晶体管(HEMT)成为GaN制造的主流选择,因为HEMT可能实现更大的晶圆直径,与现有硅加工基础设施相关的成本也更低。2 HEMT在早期遇到的技术挑战也已解决。但HEMT技术还需要经过多年的进一步开发。使用HEMT方法时,GaN器件使用硅晶圆上的GaN外延制成,因此不会像硅或SiC那样生长为体晶。
针对采用GaN开关的宽禁带电源,请参见表1,了解ADI目前提供的产品。
表1.专为GaN电源开关设计的现有电源管理器件
GaN技术的未来
GaN技术在开关模式电源领域已经取得了许多成果,可用于许多电源应用。未来,GaN开关技术仍将持续迭代更新,进一步探索应用前景。ADI公司现有的GaN开关模式电源控制器和驱动器灵活且可靠,能够兼容当前及今后由不同供应商研发的GaN FET。
现在,我们正朝着实现GaN应用的方向努力,而且在许多方面已经取得了进展。首先,如今的GaN开关本身已十分稳健。但对于这项相对较新的技术,要让用户完全接受和认可开关的可靠性,还需要时间和进一步的技术发展。其次,GaN开关的制造工艺将进一步改进,提高良率,降低缺陷密度,从而降低成本并提高GaN开关的可靠性。再者,越来越多的专用GaN驱动器(如LT8418)和开关控制器(如LTC7890和LTC7891降压控制器)推向市场,能够简化基于GaN的开关模式电源的实现。
常见的GaN电压是100 V和650 V。因此,第一批采用GaN技术的电源的最大电压范围为100 V和650 V。而GaN的一些特性,尤其是所需的栅极电荷较小这一特性,在电压下降至较低水平时也依然有效。未来,我们还将看到最大电压范围在40V以下的低电压电源,以便更好地利用GaN的优势。而且可能会看到电压高达1000 V的GaN开关,在如此高的电压下,快速开关非常有用。
结语
以GaN为代表的宽禁带半导体,正凭借优异特性重塑开关模式电源的设计与应用。虽GaN在栅极驱动等方面存挑战,但专用控制器(如LTC7891)、驱动器(如LT8418)及仿真工具(如LTspice)已推动其落地应用。目前GaN在100V与650V电源中成效显著,未来随工艺成熟与电压范围拓展,应用将更广泛。硅基控制与GaN功率开关的混合架构将成主流,持续创新将让宽禁带技术为高效小型化电源提供核心动力。
参考文献
1 “SEMI报告:2023年全球硅晶圆出货量和收入下降”,SEMI,2024年2月。
2 Felix Ejeckam、Daniel Francis、Firooz Faili、Daniel Twitchen和Bruce Bolliger,“金刚石基GaN:发展历史简介”,2014年Lester Eastman高性能器件会议(LEC)
3 Larry Spaziani和Lucas Lu,“硅、GaN和SiC:所有材料都能大展拳脚”,2018年IEEE第30届国际功率半导体器件和集成电路年会(ISPSD)。
4 “GaN是否有体二极管?如果有,就正向压降和反向恢复特性而言,GaN与硅MOSFET相比如何?”,EPC,2022年2月。
5 “P-n结”,大英百科全书。
6 Yaozong Zhong、Jinwei Zhang、Shan Wu、Lifang Jia、Xuelin Yang、Yang Liu、Yun Zhang和Qian Sun,“硅基GaN电力电子器件综述”,Fundamental Research,第2卷第3期,2022年5月。






