【导读】随着电池供电设备的设计变得越来越紧凑,功耗功能越来越多,留给电池的空间也变得越来越局限,且大部分电池均不可拆卸,因此,设备的工作时长变成了头等大事。为了提高设备的便携性,大家经常会使用更大电池容量的辅助充电设备,比如智能手机的移动电源、用于耳塞和电子烟的充电盒等。
由于便携式设备性能的增长需求与电池大小和容量限制之间的冲突,移动电源多年来广泛用作辅助充电设备。但是,若想要移动电源具有更良好的性能,则需要更紧凑的设计(重量更轻)和更高的效率(操作时间更长),充电盒之类的设备也同样如此。
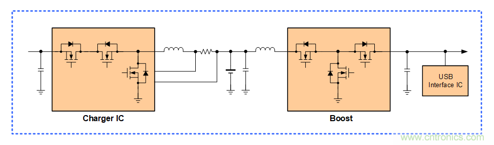
传统解决方案是采用单独的充电设备-线性充电器IC或开关充电器IC,以及带阻断FET的升压变换器分别作为电源的输入和输出 (见图1) 。然而,这并不能满足消费者/制造商的需求。

图 1:传统IC充电器+升压变换器
新款产品
MPS最新推出的一款高集成单节电源管理IC MP2696A 配置灵活,功能丰富。MP2696A 集成了尽可能多的模拟电路,搭配最经济、最简单的单片机 (MCU) ,为移动电源提供了可编程、全功能的极简解决方案(见图 2)。

图 2:高度集成的双向工作模式
与传统解决方案相比,此方案可以为客户节省一个开关充电器、一个电感和一个USB接口IC。 MP2696A 功能丰富,在效率和性能提升方面都可圈可点:
● 双向工作模式,可以使用单个电感进行充电和放电
● 集成了带有保护和独立控制功能的直通路径
● 可编程的JEITA电池温度保护阈值
● 集成低导通阻抗的FETs
● 集成可编程的输入电流限制和输入电压限制功能
● 空载时自动休眠模式
● 连接至智能手机时,自动INT输出
● 集成USB协议接口,可为智能手机提供最大输出功率
MP2696A可由MCU通过I2C接口通信,它能工作在充电或升压放电的双向工作模式下,是移动电源和充电应用的完美之选。且可以通过 MCU 灵活地设置工作模式和参数,还可以通过状态和故障寄存器指示工作状态和故障事件。
充电模式
MP2696A为USB接口设计,可以耐受高达16V的输入电压。由于USB端口的典型输入电压为5V,故即使在线缆插拔瞬间产生高的脉冲电压也不会对移动电源产生任何威胁。
它还集成了一个可编程的输入电流限制和输入电压限制功能。高达3A的输入电流限制允许 MP2696A 兼容 15W Type-C 电气特性要求 (见图 3)。配合MCU程序,MP2696A可以依据输入电源来设置输入电流的限值,确保其满足BC1.2和USB Type-C 规格要求。
鉴于额外的输入电压限制功能,MP2696A可以使用优化后的充电电流进行充电,无论采用何种适配器,都能缩短充电时间。

图 3:充电模式下的功率流动
放电模式
MP2696A 同时具有放电功能,可以提供5V的放电输出,最大输出电流可以达到3.6A (见图 4)。MP2696A具有输出电流环路,当负载电流达到输出电流限制时,MP2696A 会通过输出电流环路限制输出电流。MP2696A 具有输出线缆压降补偿功能,当负载电流增加时,MP2696A 会略微调高输出电压,这样可以保证通过电缆后的输出电压恒定,而且补偿的幅度也可以自由设置。
极低导通阻抗的FET使得MP2696A具有非常高的效率,特别适用于高度集成的小型设计应用。

图 4:放电模式下的功率流动

图 5:放电模式下的效率
保护功能和独有的智能检测功能
The MP2696A 在所有模式下都能提供可靠的保护功能。在充电模式中,它具有输入过压保护、电池过压保护、安全充电定时器。在放电模式下,它具有电池欠压锁定保护和输出短路保护。这些硬件保护功能可以保证在MCU软件故障时安全充电。
电池温度检测和保护功能对于受电便携式设备来说,变得越来越重要。日本电子和信息技术工业协会(JEITA)标准--优化不同电池温度条件下的充电参数,已成为电池充电应用中的强制性功能。MP2696A 不仅支持JEITA标准,还具有可编程的温度保护阈值调节功能 (见图 6)。由于热敏电阻值会随温度的变化而变化,所以 MP2696A 可以监控NTC与VNTC之间的电压比例,提供电池温度信息。然后 MP2696A 会将测量的额定值与内部额定值进行对比,以确定温度范围以及如何调节充电电压和电流。因此,客户可以通过更改I2C寄存器内的参数来调整温度阈值,无需更改电路板上的寄存器分压器。这种方式配置I2C寄存器可使软件工程师节省大量的MCU编码工作。

图 6:温度保护
在放电工况中,如果负载电流小于设定的可编程阈值,MP2696A 会通知 MCU:负载已经解除,此时 MCU 经过若干计时时间后,可停止升压放电,从而使MP2696A进入待机模式。在待机模式中,MP2696A可以检测负载插入的动作并且报告给MCU,由MCU决定响应与否并且唤醒放电输出。这样就无需使用过多的外部分立元器件来检测负载插入。
The MP2696A还能提供电池电流的信息,不管是充电时还是放电时,电池电流的信息都会成比例的显示在IB管脚上,可以帮助系统更精确地了解电池容量。
结论
MP2696A结合简单的MCU,可以为移动电源或充电盒应用提供紧凑高效的设计解决方案。MP2696A 集成了低导通阻抗的功率FET,可支持双向工作模式,还含有负载连接检测电路和USB放电协议接口,实现了更紧凑的设计和更低的BOM成本。此款芯片支持可编程的JEITA保护,可轻松满足不同客户的电池特性要求,并且具有杰出的效率性能和各种硬件保护功能。最重要的是,MP2696A易于使用,可以利用提供的参考设计节省设计时间。
推荐阅读:






