【导读】电力电子飞速发展,产品研发对供电交流电源更高要求,即具备高精度、可编程、宽范围等优势的可编程交流电源。本篇简要介绍PWR系列高性能可编程交流电源的波形编辑功能和典型应用。
波形编辑功能
可编程电源最大特点是具备波形编辑功能,可通过上位机或机身操作面板进行编辑设定自定义输出波形,比如设置实现输出1s的220V正弦波,而后再输出1s的110V方波。PWR系列高性能可编程交流电源的波形编辑功能非常强大与丰富,主要有波形库调用、线路仿真、步阶功能(Step),序列功能(List)、符合IEC标准的电压输出、波形导入还原输出等。同时标配上位机软件PWR-Controller,便于通过上位机编辑波形、操作控制可编程交流电源。

图1 高性能可编程交流电源输出波形图
波形库调用
首先常用功能是波形库调用,波形库最大可存储30组波形,每个波形分配一个ID便于识别波形,其中1-10波形是系统预设波形,支持直接调用编辑输出;11-30用于存储自定义波形,存储完成后支持直接调用与输出。

图2 波形函数库
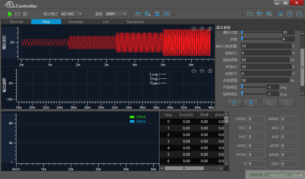
步阶功能(Step)
步阶功能(Step)可模拟电网停电、电压下降(dip)、电压上升(pop)等。步阶功能(Step)输出主要特点是设定简单,输出电压、频率规律变化的波形。实际使用时仅设置初始电压与频率、步进电压幅值、步进频率等即可实现目标波形输出,如下图,初始10VAC/50Hz,步进10VAC/50Hz的输出波形。步阶功能(Step)典型应用是测试电子产品的工作电压和频率范围。

图3 步阶功能(Step)上位机软件界面
线路仿真功能
线路仿真功能可模拟电压突变(如跌落/突升等),其特点是输出波形只有一部分突变。线性仿真功能的典型应用测试验证电子产品对供电电网突变的抗扰能力。

图4 线路仿真输出示意图
序列功能(List)
序列功能(List)非常强大,可轻松模拟许多复杂的输出波形,对输出电压、频率、时间等设定组合,按顺序调用实现,就像堆俄罗斯方块一样,可让多种类型的波形按照预先设置的序列输出。PWR-Controller软件支持excel表格编辑以及导入导出。序列功能(List)典型应用模拟特定输出波形验证电子产品性能和功能。

图5 波形文件excel编辑功能
符合IEC标准的电压输出
在实际的供电环境中,由于电网、电力设施的故障或负荷突然出现较大变化会导致供电电压出现暂降甚至短时中断,这些因素都会对采用交流供电的设备工作产生影响。这就要求交流电源能按照IEC61000-4 中的相关标准对设备进行测试,以保证设备在供电异常情况下 还能正常运行或者恢复。

图6 IEC标准模拟输出
本文转载ZLG自致远电子。
推荐阅读:






