【导读】当前市场在不断动态变化,促使设计周期越来越短,系统功能越来越强,而且终端系统更具便携性。这就要求必须采用新方法来简化这些挑战,同时又不增加设计复杂度。 本文将讨论控制和测量方面的一些关键系统挑战;许多不同应用都涉及到控制和测量,包括数据采集系统、工业自动化、可编程逻辑控制器和电机控制。
本文将探讨双极性数模转换器(DAC)架构的最新进展,以及这些拓扑结构如何应对终端系统挑战,例如:通过[比如]在相同或更少的空间中提供更多功能和智能。 本文还会探讨分立式和功能更完整的解决方案。 最后,本文会说明多种替代传统设计拓扑的方案,这些方案在设计重用和系统模块化方面具有更高的灵活性。
应当注意的是,下面的图形并非实际原理图,而是关于如何利用多功能DAC和其他器件来实现应用的示意图。 虽然并未包括电源电路、旁路和其他无源元件等方面,但这些图形显示了应用[此类应用]的一般实现方法。
数据采集系统
数据采集系统(DAQ)用于测量电压、电流或压力等电气或物理特性,并利用微控制器或微处理器(MPU)来处理数据。 DAQ由传感器、放大器、数据转换器和控制器组成,其中控制器利用嵌入式软件控制采集过程。
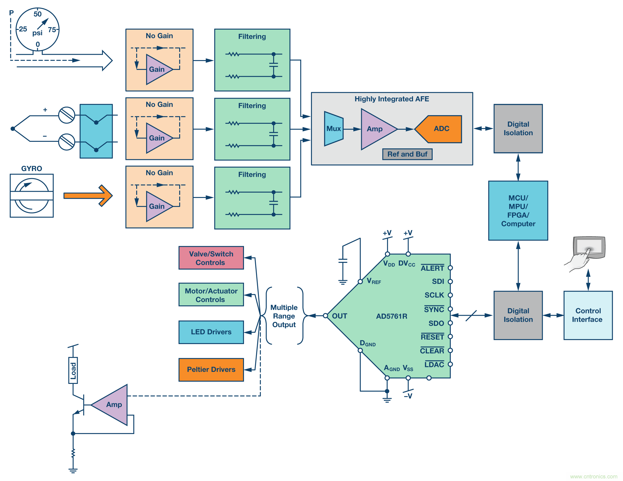
在过程控制应用中,传感器必须足够敏感以便保障待测信号的质量,这点非常重要。 但是,即便传感器足够敏感,增益和失调等信号链误差也可能会干扰信号质量。 在高性能应用中,数据采集系统利用DAC自动校准调理电路。 图1是一个压力检测系统的框图。 它显示了AD5761R 等双极性DAC及该系列产品如何用于自动增益和失调校准方案。
精密电桥传感器收到来自压力传感器的激励信号,产生输出电压。 由于电桥传感器的信号幅度较低,通常会使用仪表放大器来放大信号。 这种低幅度信号容易受误差影响。 此类误差通常包括温度变化引起的漂移误差、电路板上的寄生误差以及无源器件的容差。
利用AD5761R,系统可实现增益和失调校准,从而在系统工作期间动态校正误差。 根据调整水平和所需的极性,完整、高分辨率、多功能、双极性DAC可大大简化校准过程。 AD5761R可通过高速4线SPI接口进行编程,该接口的串行数据输出(SDO)线可为菊花链和回读操作提供便利。

图1. 压力检测系统的自动校准
工业自动化
工业自动化应用多种多样。 但无论什么应用,此类自动化系统的功能和性能都取决于其信号采集和控制单元。 在采集方面,传感器的灵敏度、调理电路的适应性以及从低电平信号采集正确信息的速度是非常重要的。 在控制方面,能够灵活适应不同执行器和驱动器的要求至关重要。
图2是一个工业自动化系统的示例。 一个带冷结补偿的热电偶用来测量激光加工机床或重型电机等工业设备的温度。 电压经过放大和滤波后送至集成模拟前端(AFE) IC进行转换,数字数据送入处理器进行分析。 基于处理过的数据,处理器将信号送至一个同样完全隔离的控制DAC,以驱动工业风机、激活Peltier之类的冷却装置或开启水冷系统的阀门。 此外,用户可通过控制接口设备输入超控命令。
经过改造后,该系统也可用于压力和振动的测量与控制。 油品和化学品储罐监控通常使用压力传感器系统,快速运动机器头部的振动监控通常使用陀螺仪系统。 这些应用可采用相同的AFE,它与外部环境完全隔离。
AD5761R是一款高电压、高分辨率、双极性DAC,内置低漂移基准电压源并提供软件可选的输出范围,可以很好地取代多个DAC或单个复用DAC。 它提供单极性和双极性电压并保持相同的精度,还有超范围输出选项。 该双极性DAC支持执行器的不同需求,包括通过软件调整控制单元,以免修改硬件。
AD5761R及该系列产品提供两种小型封装——3 mm × 3 mm引脚框架芯片级封装(LFCSP)和16引脚超薄紧缩封装(TSSOP),并且支持–55°C至+125°C的宽工作温度范围。 这种新型工业控制方法对缩小电路板空间和降低成本非常有帮助。

图2. 工业自动化系统简图
可编程逻辑控制器
可编程逻辑控制器(PLC)集成电源、中央处理单元和多个模拟/数字I/O模块,以便控制、激活、监测复杂的机器变量。 PLC广泛用于各行各业,它们提供扩展的温度范围,不受电气噪声影响,并且能够耐受振动和冲击。 图3显示了一个过程控制系统的基本构建模块。 报告过程变量状态的输入信号通过输入模块来监控,并传输到MCU进行分析。 基于分析结果,输出模块作出必要的响应来控制系统中的设备。

图3. 过程控制系统构建模块

图4. 完整PLC系统框图
输入和输出模块的精度和分辨率要求大不相同。 在高端应用中,输入模块需要监控高度精确的过程数据采集,而输出模块本质上是以16位分辨率和精度调整输出。 因此,PLC系统的输入模块常常使用Σ -Δ型ADC,市场上有各种各样的隔离式、单通道/多通道、同步采样ADC可供使用。
输出模块可提供精密电压DAC、精密电流DAC或二者的结合。 针对PLC模拟输出,可利用多种方法来产生电流和电压电平。 AD5761R等精密双极性DAC的发展,提供了额外的功能和高集成度,对PLC系统相当有利,可降低系统复杂度、缩小电路板尺寸并减少成本。
电机控制
在电机控制环路中,例如在输液泵系统中,DAC是必不可少的。 输液泵广泛用于医疗服务中,可为所有年龄层次的病人提供治疗。 输液泵的作用是断续或连续地向病人的心血管系统输送液体、药物或补充剂。
虽然输液泵要求具备资格的用户来设置治疗的特定参数,但相比于手动管理,其暗含的优势无疑会提高用户的信心。 在自行操作模式下,此类仪器能够以设定的间隔精确输送小剂量液体,无需护士或医生手动控制液流以输送给病人。 输液泵系统能够实时显示关于剂量限制的系统信息,医生和医疗管理员可以借助输液泵系统的安全性实现滴定安全性,防止输液过量,并确保物理输送机制本身的可靠性和准确性。

图5. 大容量输液泵系统
工作过程中,微控制器接收来自直流电机的速度和方向信号,并进行分析和调整(如需要)以达到设定值。 正馈路径中的DAC提供对系统的调整,反馈路径中的ADC监控每次调整的效果。 DAC设定的电压通过驱动器网络放大,以向直流电机提供所需的驱动电流。
ADI公司提供高性能模拟和混合信号处理解决方案,用于检测、测量、控制化学分析仪、流式细胞分析仪、输液泵、透析设备、呼吸器、导管及其他医疗仪器中的传感器和执行器。 具体而言,AD5761R这款提供8个软件可选输出范围且保持同一精度的高分辨率、双极性DAC,便非常适合电机控制应用,其支持电机所需的不同电压摆幅。
结论
对于许多控制系统和简单的转换电路,以及其他复杂应用,DAC在决定其性能和精度方面起着重要作用。 AD5761R及该产品系列是完整的16位分辨率、精密双极性DAC,提供多种可编程输出范围,适合上述应用。 AD5761R系列DAC高度可配置的范围(0 V至5 V、0 V至10 V、0 V至16 V、0 V至20 V、±3 V、±5 V、±10 V和−2.5 V至+7.5 V;5%超范围),使得该系列DAC具有普遍适用性,支持数据采集系统、工业自动化、可编程逻辑控制器和电机控制器等所有解决方案。 AD5761R产品系列的高集成度,包括输出缓冲器和2 ppm/°C内部缓冲基准电压源,可大大简化电路板设计,缩小电路板尺寸,并使功耗和成本最低。
推荐阅读:





