【导读】在模拟通信与射频实验教学中,理解信号调制原理是掌握现代通信系统的关键一步。其中,平衡调制器作为一种高效电路,其核心功能是产生抑制载波的双边带(DSBSC)信号——即在输出中巧妙移除射频载波分量,仅保留携带信息的和频与差频分量。这种调制方式在保留全部信息的前提下,显著降低了传输功耗,是深入理解频谱效率与调制解调技术的经典实践课题。本次ADALM2000实验活动将以经典的二极管环形调制器为实践对象,引导学习者亲手搭建电路,观察并分析DSBSC信号的生成与特性,从而深化对调制理论的认识。
目标
本次实验旨在帮助了解二极管环形调制器的工作原理,探讨它的典型应用,并掌握生成双边带抑制载波(DSBSC)信号的基本方法。
材料
• ADALM2000主动学习模块
• 无焊试验板
• 四个100 Ω电阻
• 两个1 kΩ电阻
• 四个1N914二极管
• 两个三线并绕变压器(如有)
背景知识
在模拟通信与射频实验教学中,理解信号调制原理是掌握现代通信系统的关键一步。其中,平衡调制器作为一种高效电路,其核心功能是产生抑制载波的双边带(DSBSC)信号——即在输出中巧妙移除射频载波分量,仅保留携带信息的和频与差频分量。这种调制方式在保留全部信息的前提下,显著降低了传输功耗,是深入理解频谱效率与调制解调技术的经典实践课题。本次ADALM2000实验活动将以经典的二极管环形调制器为实践对象,引导学习者亲手搭建电路,观察并分析DSBSC信号的生成与特性,从而深化对调制理论的认识。
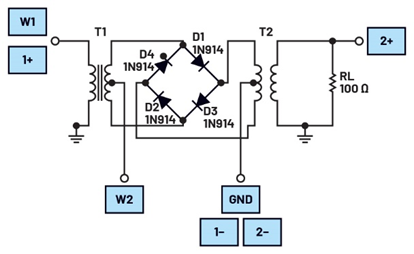
最常见的平衡调制器之一是二极管环形调制器,也称为格型调制器。它由四个最初呈环形排列的二极管(因此得名)及输入和输出变压器组成。调制器有两个输入:一个单频载波和一个调制信号,后者可以是单频或复杂波形。载波施加于输入和输出变压器的中心抽头,调制信号施加于输入变压器的初级。然而,输出在输出变压器的次级端被测量。图1显示了两种不同电路方向的二极管环形调制器。

图1.二极管环形调制器
二极管环形调制器是电子通信中使用最广泛的电路之一。除了生成DSBSC信号外,它还用于频率和相位调制系统及数字调制系统,例如PSK和QAM。
环形调制器中二极管的方向不得与二极管桥式整流器的方向混淆。它们可能呈现类似的环形,但环形调制器的所有二极管都朝顺时针或逆时针方向,而桥式整流器的二极管则朝左或右。
工作原理
二极管环形调制器中使用的二极管可以是硅二极管、硅肖特基势垒二极管或砷化镓二极管。这些二极管用作开关,控制输入信号是否以180°相位反转的方式通过。载波信号以高速率控制二极管的通断。务必明白,为使调制器正常工作,载波的幅度必须显著大于调制信号的幅度,通常需要高出约六到七倍。

图2.正半周操作
在正半周期间,D1和D2正偏导通,而D3和D4反偏开路。载波电流在输入变压器的次级中心抽头处均匀分配,并沿相反方向通过绕组的上半部分和下半部分。上部和下部的电流各自产生一个大小相等但方向相反的磁场。因此,所产生的磁场相互抵消,载波被抑制。结果,调制信号从输入变压器通过D1和D2传送到输出变压器,相位不反转。图2显示了调制器的正半周操作。

图3.负半周操作
图3展示了二极管环形调制器的负半周操作。二极管D1和D2反偏关断,而D3和D4正偏导通。同样的现象再次出现在载波电流上。它在输出变压器的初级均匀分配,两个电流产生大小相等但方向相反的磁场。这两个电流在输入变压器的次级合并,磁场相互抵消,载波被抑制。调制信号通过输入变压器并发生180°相位反转,然后到达输出变压器。
图4以时序图的形式显示了二极管环形调制器的波形。

图4.二极管环形调制器波形:(a)调制信号,(b)载波信号,(c)输出变压器初级处的DSBSC信号,(d)滤波后的DSBSC波形。
在二极管环形调制器的输出波形中,载波信号被抑制,输出由输入频率的和频与差频组成。这些RF脉冲以载波信号的频率为周期,复现调制信号的形状和幅度。理想情况下,载波信号会被完全抑制。但实际上,这种情况不会真正发生。输出信号总是会伴随一个小的载波分量,这被称为载波泄漏。这种现象由几个原因引起:其一,变压器的中心抽头位置不够精确;其二,二极管未完全匹配。
硬件设置

图5.二极管环形调制器试验板电路
在无焊试验板上构建图5所示的电路。使用1N914快速开关二极管搭建二极管环路。将W1设置为1 kHz正弦调制信号,其峰峰值幅度为1 V,将W2设置为10 kHz正弦载波,其峰峰值幅度为3 V。输入和输出变压器需要1:2的匝数比。您可以尝试其他变压器匝数比,并将输出结果加以比较。本实验需要一个采用HP3、HP4、HP5或HP6绕组布局的Hexa-Path Magnetics变压器。如果没有,您可以使用LTspice®仿真继续实验。
程序步骤
观察电路的输出波形。它应该类似于图6所示的仿真波形。

图6.DSBSC波形
问题
1. 改变输入和输出变压器的匝数比。观察并比较输出波形。
2. 将电路中W1和W2的位置互换。将其与原始输出波形进行比较。输出波形发生了什么变化?
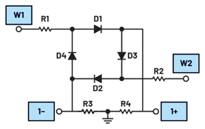
简化二极管环形调制器

图7.简化的无变压器二极管环形调制器
如图7所示,我们可以从传统二极管环形调制器中去掉变压器,从而简化设计。通过使用ADALM2000和两个低阻值输入电阻R1和R2(从而无需输入变压器),将载波和调制信号的和频与差频送入二极管环的两个相对结点。输出可以在高阻值输出电阻R3和R4两端测量。这些电阻取代输出变压器。

图8.简化的无变压器二极管环形调制器的试验板连接
硬件设置
这种无变压器版本的二极管环形调制器很容易通过ADALM2000的信号发生器驱动:在一个结点提供载波与调制信号的和频,在另一个结点提供差频。设置试验板,将第一个波形发生器W1的输出连接到R1的另一端,第二个波形发生器W2的输出连接到R2的另一端。示波器输入1+连接到D1、D3和R4的结点。示波器输入1-连接到链接D2、D4和R3的节点。最后,将R3和R4之间的节点连接到地。连接参见图8。
程序步骤
本实验将使用波形公式为fc = 3sin(10kt)的载波和公式为fm = 0.5sin(1kt)的调制信号。最初,这两个波形相乘,输出信号是两者的乘积。其中包含上边带频率fusf和下边带频率flsf。具体的定义为:
fusf = fc + fm flsf = fc – fm,其中:
• fc = 载波信号
• fm = 调制信号
对于这种简化方法,我们直接将边带馈送到输入端。注意载波和调制信号:对于上边带,有f(t) = 3sin(10kt) + 0.5sin(1kt);对于下边带,有f(t) = 3sin(10kt)–0.5sin(1kt)。
在信号发生器中:对于W1 (Ch1),设置公式f(t) = (3 × sin(10×t)) + (0.5 × sin(t)),频率为1 kHz;对于W2,设置f(t) = (3 × sin(10×t))–(0.5 × sin(t)),频率同样为1 kHz。在示波器中,水平轴设置为200 µs/div,垂直轴设置为500 mV/div。运行信号发生器和示波器,观察波形。结果应该与图9中的波形相似。

图9.简化的无变压器二极管环形调制器
推荐阅读:
单芯片干翻传统方案!两相升压转换器如何将低压大功率密度拉满?
CES 2026现场直击:XMOS新一代DSP亮相CES,多款终端产品落地开花






