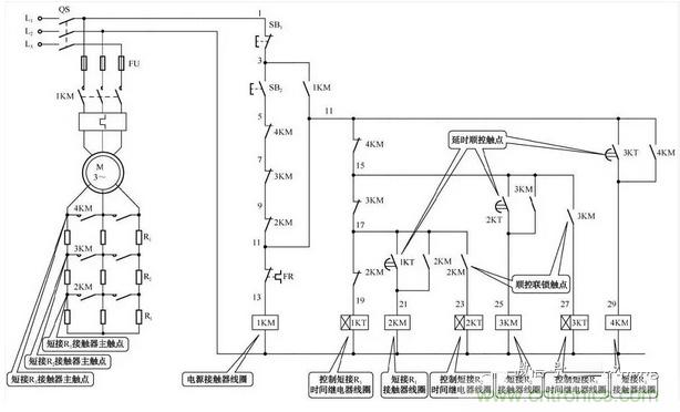
【导读】电路原理分析:转子回路中的3组启动电阻,由接触器2KM、3KM、4KM在时间继电器1KT、2KT、KT3的控制下被顺序短接;在正常工作时,只有接触器1KM和2KM的主触点闭合。
1.原理图

时间继电器控制电动机转子统组串电阻启动电路
2.原理图分析
转子回路中的3组启动电阻,由接触器2KM、3KM、4KM在时间继电器1KT、2KT、KT3的控制下被顺序短接;在正常工作时,只有接触器1KM和2KM的主触点闭合。
3原理图说明
(1)启动→4KM、2KM、2KT得电吸合 按下SB2→1KM得电吸合→主触点闭合→电动机串全阻启动;→1KM5-11闭合,自锁→1KT得电吸合→经延时→1KT17-21闭合→2KM得电吸合→2KM9-11断开;2KM17-21闭合,自锁→主触点闭合→第一级电阻R1被短接;2KM17-19断开→1KT失电释放→1KT17-21复位断开;2KM17-23闭合→2KT得电吸合→开始延时。
(2)启动→3KM、3KT得电吸合2KT得电吸合→开始延时,延时时间到→2KT15-25闭合→3KM得电吸合→3KM7-9断开;3KM15-25闭合,自锁;主触点闭合→第二级电阻R2被短接;3KM15-17断开→2KM失电释放→主触点断开;2KM9-11复位闭合、2KM17-21复位断开、2KM17-23复位断开、2KM17-19复位闭合;2KT失电释放→2KT15-25复位断开。
(3)启动→4KM得电吸合。
3KM15-27闭合→3KT得电吸合→开始延时,延时时间到→3KT11-29闭合→4KM得电吸合→4KM11-29闭合,自锁,主触点闭合→第二级电阻R3被短接→电动机全压运行;4KM5-7断开;4KM11-15断开→3KT失电释放→3KT11-29断开;3KT失电释放→主触点断开;3KM15-25复位断开;3KM15-27复位断开;3KM7-9复位闭合;3KM15-17复位闭合。
(4)停止。按下SB1→1KM、4KM失电释放→电动机停转。
EPLAN绘制的电路图实物图分享:


来源:维修电工讲解(微信公众号)






