【导读】差分运算放大电路,对共模信号得到有效抑制,而只对差分信号进行放大,因而得到广泛的应用。
差分运算放大电路,对共模信号得到有效抑制,而只对差分信号进行放大,因而得到广泛的应用。
差分电路的电路构型

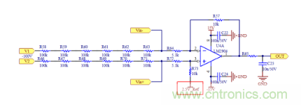
图1 差分电路
目标处理电压:是采集处理电压,比如在系统中像母线电压的采集处理,还有像交流电压的采集处理等。
差分同相/反相分压电阻:为了得到适合运放处理的电压,需要将高压信号进行分压处理,如图1中V1与V2两端的电压经过分压处理,最终得到适合运放处理的电压Vin+与Vin-。
差分放大电路:
反馈,对于运算放大电路来说,运放工作在线性区,所以这里一定是负反馈,没有反馈(开环)或者是正反馈,那是比较器电路而不是放大电路,这时候运放工作在饱和区或称为非线性工作区,正因为饱和,输出才是电源电压的幅值。
图2是一种带正反馈的运放电路,这里就不能叫运算放大电路了,因为运放的开环放大倍数理想是无限大,当然实际中不可能无限大,所以如下结构是迟滞电压比较器,运放工作在非线性区或饱和区。

图2
图3,依然是电压比较器结构,上面已经提到,运放开环增益很大,不带负反馈,工作就如非线性区,当做电压比较器来使用。

图3
运算放大器,反馈电阻从输出接到反相端"-"就是负反馈,当然在输出信号不超过电源电压时(注:一切信号的能量来源是电源,输出当然不可能超过电源幅值),实现的功能就是放大信号的功能;接到同相端"+"就是正反馈,电路功能是电压比较器。当然在实际当中我们并不提倡用运放去做电压比较器,而是选用专用的比较器,如LM339、LM393、LM211等,因为比较器和运放在实际当中内部器件的工作状态还是有区别的。
比较器接了限流电阻—"R74、R77",这是因为比较器在幅值切换时,快速上升或下降沿对后级容性负载进行充放电,这个充放电电流确来自这个有源器件—比较器,因此加限流电阻目的是防止电流冲击。
RC滤波:可以酌情调节,目的是防止输出过冲等信号失真问题
差分输入电压的计算
图4电路,为了便于计算,我们给定每个阻值。
差分电路的另一个特点是对称性,R40=R56及R47=R55,差分分压两个支路电阻也是相等的。

图4
Vin+和Vin-的值是如何计算的?
我们先通过繁琐的计算来得到,然后再简化计算。
首先,运放的同相端5引脚和反相端6引脚,利用"虚短"得到,其中系数6是指6个100k的电阻,方便简化式子:

那么通过分压关系得到Vin+:

再次通过分压关系得到Vin-:

那么就得到Vin+减Vin-的值。
其实还有一种简单方法得到Vin+减Vin-的值,利用运放的虚短特点,可将电路等效为:

图5

图6
所以要计算Vin+减Vin-的值,变得很容易,只是一个简单的分压电路而已,如下计算得到:

得到差分电压输入值是0.84V。
差分放大电路的计算

图7
计算公式推导,依旧遵循运放的虚短和虚断特性,当R56=R40,R47=R55时,差分计算可以简化为:

实际应用电路中,我们为了简化计算,也是用最简方法计算,经常使用的电路也是上述电路,令电阻相等关系,简化计算。
放大电路的"偏移计算"
为什么要对输出电压进行偏移?这是因为如当采集负值时,我们的采样芯片和MCU几乎都不支持负值采样的时候,你就必须进行偏移,使得输出总是为正值。
偏移电路,如图8,在原来同相端电阻接地GND的地方,我们接一个电压值,通常也称为偏移电压。那么最终表达式是什么?

图8
通过叠加定理最终得到:

这里公式的成立,保证R64=R72,R73=R57,那么最终得到偏移公式是在原来基础上加个电压偏移量2.5V_Ref:

只要根据实际应用选择合适的偏移量,输出总会为一个正值。

图9
比如,图9电路,输入电压变为-100V,那么最终输出电压就为:

这样就将负电压偏移为正电压,处理器符合处理器处理要求了,偏移电路在采集如交流电、以及存在负直流电压的控制电路中广泛使用。
免责声明:本文为转载文章,转载此文目的在于传递更多信息,版权归原作者所有。本文所用视频、图片、文字如涉及作品版权问题,请电话或者邮箱联系小编进行侵删。




