【导读】最新研发的精准串联主动电压定位技术为μModule稳压器带来了突破性进展。该创新方案通过优化负载瞬态响应特性,成功将所需输出电容降低高达50%,显著节约了电路板空间,为全陶瓷电容解决方案的实现创造了条件。相较于传统分流架构,串联AVP设计在负载线精度方面表现卓越,有效提升了输出电压的精准度,实测数据充分验证了其优异的负载瞬态响应性能。
摘要
最新研发的精准串联主动电压定位技术为μModule稳压器带来了突破性进展。该创新方案通过优化负载瞬态响应特性,成功将所需输出电容降低高达50%,显著节约了电路板空间,为全陶瓷电容解决方案的实现创造了条件。相较于传统分流架构,串联AVP设计在负载线精度方面表现卓越,有效提升了输出电压的精准度,实测数据充分验证了其优异的负载瞬态响应性能。
引言
主动电压定位(AVP)或主动下垂技术能够调节电源输出:轻载时维持较高输出电压,重载时维持较低输出电压。实现AVP控制技术的一大好处是可以改善负载瞬态响应并降低输出电容,因为AVP为电源响应负载瞬变提供了更多空间。μModule稳压器是完整、经过测试且合格的封装电源解决方案。对于电信和数据中心应用,μModule稳压器凭借快速负载瞬态响应、极小的电路板占用空间及全陶瓷电容式解决方案而备受青睐。然而,使用传统非AVP控制技术很难满足所有要求。
本文介绍了一种精准串联AVP实现方法,在反馈控制环路中添加两个电阻。这种串联AVP方法的优势在于,负载线精度几乎与gm放大器增益变化无关;而对于分流AVP1等其他AVP实现方法,如果gm放大器增益的变化较大,负载线精度将降低。实现这种串联AVP后,输出电容可减少多达50%,同时峰峰输出电压瞬态也略有改善。由于电容减少50%,因此仅需要陶瓷电容,由此可以大幅提高系统可靠性并优化成本,因为铝电解电容的可靠性远低于陶瓷电容,而且成本更高。
实现AVP控制技术的另一个好处在于,当负载电流较大时,可以降低输出电压,从而降低负载功耗。LTM4650-2示例显示,净功耗节省为1.4 W或5.6%,大大节省了功耗并延长了电池续航时间。
串联AVP实现
AVP是指稳压器的输出电压根据负载电流的变化而动态调整的一种方式,而如果采用传统方法(非AVP),输出电压在所有负载下始终固定在标称值VOUT,如图1所示。如果采用AVP方法,当输出电流增加时,输出电压逐渐降低。在轻载条件下,输出电压设为调节至略高于标称值,而在重载条件下,输出电压设为调节至略低于标称值。1 当负载电流突然增加时,输出电压从高于标称值的电平开始,因此输出电压可以下降更多幅度并保持在额定电压范围内。当负载电流突然减小时,输出电压从低于标称值的电平开始,因此输出电压可以有更多的过冲并保持在额定电压范围内。对于所有负载电流范围,输出电压应限制在额定电压限值内(VMAX和VMIN之间)。

图1.采用AVP的VOUT与采用传统方法(非AVP)的固定标称值VOUT。
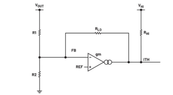
图2显示AVP串联补偿电路。内部基准电压(VREF)和VOUT反馈分别连接到误差放大器的正输入和负输入。与RHI连接的VHI(或INTVCC)向放大器输出(ITH或COMP)提供适当的直流电压,以防止输出进入饱和状态。RLO(反馈电阻)位于输出(ITH)和负输入(或FB)之间。因此,RLO决定了gm放大器增益。RHI和RLO值应远高于R1和R2。
负载线公式1:

Ki是电流检测增益,RSENSE是电流检测电阻值(或DCR检测的电感DCR值)。
与AVP分流补偿电路1相比,串联补偿电路的优势在于负载线取决于R1/RLO增益,几乎与误差放大器跨导(gm)的容差无关。IC工艺和设计多种多样。遗憾的是,一些IC的gm值在器件间的差异高达±30%,而且分流补偿电路AVP的负载线与1/gm增益成正比。因此,分流AVP的负载线较差。

图2.AVP串联补偿电路。
LTM4650-2稳压器上的AVP解决方案
在LTM4650-2(电流模式同步降压稳压器)上,标称1 V输出能够提供25 A负载,瞬态窗口约为±8%(160 mV pp)。在这种传统稳压器(非AVP)上,需要外部RC滤波电路来实现快速II型控制环路补偿。输出端有一组5个100 μF陶瓷电容和2个470 μF POSCAP。当负载阶跃为19 A(满载的75%)且摆率为19 A/μs时,瞬态响应为136 mV pp,如图3所示。

图3.非AVP电路的负载瞬态波形,输出电压瞬态为136 mV pp,COUT1 = 5× 100 μF陶瓷电容,COUT2 = 2× 470 μF POSCAP电容。
如图4所示,实现AVP时,在COMP上应用了AVP补偿电路,但不需要RC补偿。在半载(12.5 A)条件下,通过微调R2,特意将输出电压设为标称值(1 V)。对于负载瞬态响应,获得了95 mV pp的VOUT,如图5所示。瞬态性能已得到改善。当输出电压设为1 V且电流为25 A(满载)时,负载功率为25 W。通过将输出电压降低至0.945 V(25 A负载时),负载功率现在为23.6 W,单个输出的功耗节省现在为1.4 W。对于两个输出,净功耗节省总计为2.8 W。

图4.采用AVP的电路(串联补偿电路)。

图5.采用AVP的电路(图4)的负载瞬态波形,输出电压瞬态为95 mV pp。COUT1 = 5× 100 μF陶瓷电容,COUT2 = 2× 470 μF POSCAP电容。
采用AVP实现方案时,两个POSCAP可替换为两个陶瓷电容,因此COUT1上共使用7个100 μF陶瓷电容。使用陶瓷电容的优势是等效串联电阻(ESR)和等效串联电感(ESL)更低、成本更低、尺寸更小、性能更可靠。瞬态性能已改善,测量结果是VOUT为104 mV pp,如图6所示。

图6.采用AVP的电路的负载瞬态波形,输出电压瞬态为104 mV pp。COUT1 = 7× 100 μF陶瓷电容。
表1显示了上述测量的非AVP(基准)、AVP和仅使用输出陶瓷电容的AVP的负载瞬态响应V p-p,以供比较。
表1.非AVP、AVP和仅使用输出陶瓷电容的AVP之间的负载瞬态响应V p-p比较

结论
在LTM4650-2 μModule稳压器上实现AVP串联补偿电路不仅提高了瞬态响应性能,还降低了高负载条件下的负载功耗。输出电容需要小于50%。因此,可以用陶瓷电容代替POSCAP,从而降低成本并最大限度减少占用的电路板空间。这种AVP电路也适用于许多其他具有外部补偿引脚和外部RC补偿网络的μModule稳压器(例如LTM4630-1、LTM4626、LTM4636、LTM8055-1等)。
参考文献
1 Robert Sheehan,“主动电压定位可减少输出电容”,凌力尔特,1999年。
推荐阅读:





