【导读】电磁辐射 (EMR)、电磁干扰 (EMI) 和电磁兼容性 (EMC)是涉及来自带电粒子的能量以及可能干扰电路性能和信号传输的相关磁场的术语。随着无线通信的激增,通信装置不计其数,再加上越来越多的通信方法 (包括蜂窝、Wi-Fi、卫星、GPS 等) 使用的频谱越来越多(有些频带相互重叠),电磁干扰成了客观存在的事实。
为了减轻此影响,许多政府机构和监管组织对通信装置、设备和仪器可发射的辐射量设定了限制。这类规范的示例之一是 CISPR 16-1-3,它涉及无线电干扰和抗扰度测量设备和测量方法。
根据其特征,电磁干扰可分为传导干扰(通过电源传输)或辐射干扰(通过空气传输)。开关电源会产生两种类型的干扰。ADI为减少传导干扰和辐射干扰实施的一项技术是扩频频率调制(SSFM)。
该技术用于我们一些基于电感和电容的开关电源、硅振荡器和 LED 驱动器,将噪声扩展到更宽的频带上,从而降低特定频率下的峰值噪声和平均值噪声。
SSFM 不允许发射能量在任何接收器的频带中停留过长时间,从而改善了EMI。有效SSFM的关键决定因素是频率扩展量和调制速率。对于开关稳压器应用来说,典型扩展量为 ±10%,最佳调制速率取决于调制方式。SSFM 可采用各种频率扩展方法,例如使用正弦波或三角波调制时钟频率。
调制方法
大多数开关稳压器都会呈现与频率相关的纹波:开关频率越低则纹波越多,开关频率越高则纹波越少。因此,如果对开关时钟进行频率调制,则开关稳压器的纹波将呈现幅度调制。如果时钟的调制信号是周期性的 (例如正弦波或三角波),则将呈现周期性的纹波调制,而且在调制频率上存在一个明显的频谱分量 (图 1)。

图 1. 由时钟的正弦波频率调制引起的开关稳压器纹波图解
由于调制频率远低于开关稳压器的时钟频率,因此可能难以滤除。由于下游电路中的电源噪声耦合或有限的电源抑制,这可能导致可听音或明显的伪像等问题。伪随机频率调制能够消除这种周期性纹波。采用伪随机频率调制时,时钟以伪随机方式从一个频率转换到另一个频率。由于开关稳压器的输出纹波由类噪声信号进行幅度调制,因此输出看似没有进行调制,而且下游系统的影响可以忽略不计。
调制量
随着 SSFM 频率范围的增加,带内时间的百分比减少。从下方图 2 中可以看到,与单个未调制的窄带信号相比,调制频率呈现为宽带信号而且峰值降低 20 dB。如果发射信号不常进入接收器的频带而且停留的时间很短 (相对于其响应时间),则可以显著降低 EMI。例如,在降低 EMI 方面,±10% 的频率调制比±2% 的频率调制有效得多。不过,开关稳压器所能容许的频率范围是有限的。一般来说,大多数开关稳压器都能轻松容忍±10% 的频率变化。

图 2. 扩频调制在更宽的时钟频带内产生更低的峰值能量
调制速率
与调制量类似,对于某个给定的接收器,随着频率调制速率的增加 (跳频速率),给定接收器的 EMI 处于带内的时间将减少,因此 EMI将降低。然而,开关稳压器所能跟踪的频率变化速率(dF/dt) 具有一个限值。其解决方案则是找出那个不影响开关稳压器输出调节性能的最高调制速率。
测量 EMI
测量 EMI 的典型方法为峰值检测、准峰值检测或平均值检测。对于这些测试而言,适当地设置测试设备的带宽,以反映实际目标带宽并确定 SSFM 的有效性。在进行频率调制时,检测器会随着发射扫描整个检测器的频带而进行响应。当检测器的带宽相较于调制速率较小时,检测器的有限响应时间会导致 EMI 测量值衰减。
相反,检测器的响应时间不会影响固定频率发射,从而不会观测到 EMI 衰减。峰值检测测试显示通过SSFM得到的改善直接对应于衰减量。准峰值检测测试还可以显示进一步的 EMI 改善,因为它包括了占空比的影响。具体而言,固定频率发射产生 100% 的占空比,而来自 SSFM 的占空比随发射在检测器频带内所占的时间量而减少。
最后,平均值检测测试能够显示最明显的 EMI 改善,因为它使用低通过滤峰值检测信号,从而生成平均带内能量。在固定频率发射时,平均值和峰值能量相等,SSFM 则不同,它对峰值检测能量和带内时间量均进行衰减,从而产生更低的平均值检测结果。许多监管测试要求系统通过准峰值和平均值两种检测测试。
SSFM 和接收器带宽
无论是否启用 SSFM,在任何时刻,开关稳压器的峰值发射可能看起来都是相同的。这怎么可能?SSFM的有效性部分取决于接收器的带宽。要接收瞬时的发射快照,需要无限带宽。每个实际系统的带宽都是有限的。如果时钟频率的变化快于接收器的带宽,将显著降低接收干扰。

图 3. 使用启用 SSFM 和未启用 SSFM 的 LTC6908 开关稳压器的输出频谱 (9 kHz 分辨率带宽)
硅振荡器中的 SSFM
LTC6909, LTC6902 和 LTC6908是具有扩频调制的八相、四相和双相输出的多相硅振荡器。这些器件通常用于为开关电源提供时钟。多相操作有效地增加了系统的开关频率 (因为相位表现 为开关频率的增加),并且扩频调制使每个器件在一定频率范围内开关,从而在更宽的频带上扩展传导 EMI。LTC6908 具有 5 kHz至 10 MHz 的频率范围,提供两个输出,并具有两种可选版本:
LTC6908-1 提供具有 180° 相移的两个输出,而 LTC6908-2 提供具有 90° 相移的两个输出。前者非常适合同步两个单开关稳压器,后者则非常适合同步两个双相双开关稳压器。
四通道LTC6902 具有 5 kHz 至 20 MHz 的频率范围,可编程用作等间距的双相、三相或四相输出。LTC6909 具有 12 kHz 至 6.67 MHz 的频率范围,最多可编程提供八相输出。
为了解决上述周期性纹波问题,这些硅振荡器使用伪随机频率调制。利用该技术,开关稳压器时钟以伪随机方式从一个频率转换到另一个频率。频率偏移率或跳频速率越高,开关稳压器在给定频率下的工作时间越短,并且对于给定的接收器间隔,EMI 在带内的时间将越短。
但是,跳频速率有一个限制。如果频率以超出开关稳压器带宽的速率跳变,则可能会在时钟频率转换边沿发生输出尖峰。较小的开关稳压器带宽会导致更明显的尖峰。因此,LTC6908 和LTC6909 包含一个专有的跟踪滤波器,可以实现从一个频率到下一个频率的平滑转换 (LTC6902 采用一个 25 kHz的内部低通滤波器)。内部滤波器跟踪跳频速率,为所有频率和调制速率提供最佳平滑性能。

图 4. 伪随机调制说明了 LTC6908/LTC6909 内部跟踪滤波器的影响
对于许多逻辑系统来说,这种滤波调制信号可能是可接受的,但必须仔细考虑逐周期的抖动问题。即便使用了跟踪滤波器,给定稳压器的带宽仍有可能不足以满足高速率频率调制的要求。为应对带宽限制,LTC6908/LTC6909 的跳频速率可以从默认速率 (即标称频率的 1/16) 降低到标称频率的 1/32 或 1/64。
电源中的 SSFM
开关稳压器基于逐周期运行,以将功率传输到输出。在大多数情况下,工作频率要么是固定的,要么是基于输出负载的常数。这种转换方法在工作频率 (基波) 和工作频率的倍频 (谐波)下产生较大的噪声分量。
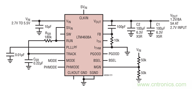
LTM4608A:具有 SSFM 的 8 A、2.7 V 至5.5 IN DC/DC µModule 降压型稳压器
为了降低开关噪声,可以将 LTM4608AA 的 CLKIN 引脚连接到 SVIN (低功耗电路电源电压引脚)以启用扩频功能。在扩频模式下,LTM4608A的内部振荡器设计用于产生时钟脉冲,其周期在逐周期的基础上是随机的,但固定在标称频率的 70% 到 130% 之间。这有利于在一定频率范围内扩展开关噪声,从而显著降低峰值噪声。如果 CLKIN 接地或由外部频率同步信号驱动,则禁用扩频操作。图 5 显示了启用扩频操作的工作电路。必须在PLL LPF 引脚上放置一个 0.01 μF 的接地电容,以控制扩频频率变化的压摆率。元件值由以下公式确定:
RSR ≥ 1 / −(ln(1− 0.592/VIN)*500*CSR) 

图 5. 启用扩频的 LTM4608A。
LT8609 具有 SSFM 的 42 V 输入、2 A 同步降型转换器
LT8609是一款微功率降压型转换器,可在高开关频率下保持高效率 (2 MHz 时为 93%),从而允许使用更小的外部元件。SSFM模式的操作类似于跳跃脉冲工作模式,其主要区别在于开关频 率由 3 kHz 三角波上下调制。调制范围的低端通过开关频率 (由RT 引脚上的电阻设置) 设置,高端则设置为比 RT 设置的频率高约 20%。要启用扩频模式,须将 SYNC 引脚连接到 INTVCC 或将其驱动到 3.2 V 和 5 V 之间的电压。
LTC3251 / LTC3252 具有 SSFM 的电荷泵降压型稳压器
LTC3251/LTC3252 是 2.7 V 至 5.5 V、单路输出 500 mA/双路输出250 mA 的电荷泵降压型稳压器,可生成时钟脉冲,其周期在逐周期的基础上是随机的,但固定在 1 MHz 到 1.6 MHz 之间。图 6和图 7 显示了与传统降压型转换器相比,LTC3251 的扩频特性显著降低了峰值谐波噪声并几乎消除了谐波。LTC3251 提供可选的扩频操作,而LTC3252 则始终启用扩频。

图 6. 禁用 SSFM 的 LTC3251

图 7. 启用 SSFM 的 LTC3251
LED 驱动器中的 SSFM
LT3795:具有 SSFM 的 110 V 多拓扑 LED 控制器
对于汽车和显示屏照明应用的 EMI 问题而言,开关稳压器 LED 驱动器也是个麻烦。为了提高 EMI 性能, LT3795 110 V 多拓扑LED 驱动控制器集成了 SSFM。如果 RAMP 引脚上有一个电容,则会产生一个介于 1 V 和 2 V 之间的三角波。然后将该信号馈入内部振荡器,在基频的 70% 和基频之间对开关频率进行调制,基频由时钟频率设置电阻 RT 设定。
调制频率计算公式如下:
12µA/(2 • 1V • CRAMP) 
图 8 和图 9 显示了传统的升压开关转换器电路 (将 RAMP 引脚连接到 GND) 和启用扩频调制的升压开关转换器 (RAMP 引脚上为 6.8nF) 之间的噪声频谱比较。图 8 显示了平均值传导 EMI,图 9 显示了峰值传导 EMI。EMI 测量的结果易受使用电容选择的 RAMP 频率的影响。1 kHz 是优化峰值测量的良好起点,但为了在特定系统中获得整体 EMI 的最佳结果,可能需要对该值进行一些微调。

图 8. LT3795 平均值传导 EMI

图 9. LT3795 峰值传导 EMI
LT3952:具有 SSFM 的多拓扑 42 VIN, 60V/4A  LED 驱动器
LT3952是一款 60 V/4 A 电源开关式、恒流、恒压、多拓扑 LED 驱动器,提供可选的 SSFM。振荡器频率以伪随机方式从标称频率(fSW) 变化到高于标称值的 31%,步长为 1%。这种单向调整使LT3952只需将标称频率编程至其上方一点就可以避免系统中的敏感频带 (例如 AM 无线电频谱)。成比例的步长允许用户轻松确定适用于指定的 EMI 测试仓大小的时钟频率值 (RT 引脚),并且伪随机方法可以从频率变化本身提供音调抑制。
伪随机值的更新使用 fSW/32 的速率,与振荡器频率成正比。该速率允许整组频率在标准 EMI 测试停留时间内多次通过。

图 10. LT3952 平均值传导 EMI。
ADI 还提供许多其他产品,可以有效地利用设计技术来降低 EMI。如上所述,使用 SSFM 是其中一种技术。其他方法还包括 减缓快速内部时钟边沿和内部滤波。采用我们的 Silent Switcher™ 技术实现了另一种创新方法,通过布局有效降低 EMI。
LT8640
● Silent Switcher® 架构:
(1)超低 EMI / EMC 辐射
(2)扩频调制
● 在高频下实现高效率
(1)在 1MHz、12VIN 至 5VOUT 转换时达 96%
(2)在 2MHz、12VIN 至 5VOUT 转换时达 95%
● 宽输入电压范围:3.4V 至 42V
● 5A 最大连续电流,7A 峰值瞬态输出
● 超低静态电流突发模式 (Burst Mode®) 操作:
2.5μA IQ (调节 12VIN 至 3.3VOUT)
(1)输出纹波 < 10mVP-P
● 快速最小接通时间:30ns
● 在所有条件下均可提供低压差:100mV (在 1A)
● 强制连续模式 (仅限 LT8640-1)
● 可在过载情况下安全承受电感器饱和
● 可调及可同步频率范围:200kHz 至 3MHz
● 峰值电流模式操作
● 输出软起动和跟踪
● 小外形 18 引脚 3mm x 4mm QFN 封装
LT8640是一款独特的 42 V 输入、微功率同步降压型开关稳压器,它将 Silent Switcher 技术和 SSFM 相结合以降低 EMI。因此,当您在设计中再次遇到 EMI 问题时,请务必查看我们的低 EMI 产品,以帮助您更轻松地符合 EMI 标准。
推荐阅读:



