【导读】超级电容的优势在于其充放电次数显著多于传统铅酸电池,同时能够更迅速地吸收能量而不减少其预期寿命。这些特点还使超级电容对工业后备电源系统、快速充电无绳电动工具和远程传感器具有吸引力,因为对这些应用来说,频繁更换电池是不切实际的。
超级电容(Supercapacitor [SC] 或ultracapacitor)亦称双电层电容(electric double-layer capacitor),目前越来越广泛地用于各种电源管理系统。在汽车应用(如具有再生制动功能的起停系统)中,超级电容能够提供使起动器啮合所需的能量,以重启燃烧发动机,并接收在制动期间回收的动能。
超级电容的优势在于其充放电次数显著多于传统铅酸电池,同时能够更迅速地吸收能量而不减少其预期寿命。这些特点还使超级电容对工业后备电源系统、快速充电无绳电动工具和远程传感器具有吸引力,因为对这些应用来说,频繁更换电池是不切实际的。
本文讨论了有关为这些大电容充电的挑战,并向电源系统设计工程师介绍了如何评估和选择适合后备能量存储应用的最佳系统配置。文中介绍了一种超级电容充电器解决方案范例,并提供了波形和详细解释。
系统详述
许多系统配置都使用超级电容组作为后备能量存储组件。一开始,设计工程师需要确定其能量存储配置目标,然后决定可用多大电压来存储能量。解决方案选择取决于负载的功率和电压要求,以及超级电容的能量和电压能力。在确定了最佳解决方案后,还必须对整体性能与成本进行平衡。
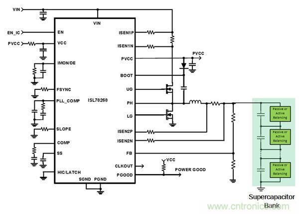
图1显示了一种高效率解决方案的框图,其中的负载是需要稳定输入电压(3.3V、5V、12V等)的器件。48V主电源为正常工作的开关稳压器2(SW2)供电,同时通过开关稳压器1(SW1)为超级电容组充电,使其电压达到25V。当主电源断开时,超级电容组向SW2供电,以维持负载的连续运行。

图1.一种使用超级电容组的电池后备系统的框图
系统设计和挑战选定超级电容后,系统工程师还必须选择为超级电容充电的目标电压,其根据是超级电容的定额曲线。大多数超级电容单元的额定电压范围为室温下2.5V-3.3V,此额定值在更高温度时下降,随之带来更长的预期寿命。通常,充电目标电压设置值应低于最大额定电压,以延长超级电容的工作寿命。
接下来需要选择超级电容组的预期电压和SW2拓扑。超级电容组配置可为并联、串联或者并联的串联电容串组合。因为单元电容电压额定值通常低于3.3V,且负载常常需要相等或更高的供电电压,所以针对电容单元配置和SW2的选项是,使用一个电容单元与一个升压转换器,或串联的多个电容单元与一个降压或降压-升压稳压器。若使用升压配置,我们必须确保在超级电容放电时,电压不会下降至低于SW2的最小工作输入电压。该电压下降可能多达超级电容充电电压的一半之多,为此,我们举一个由串联超级电容组合和一个简单降压稳压器(SW1)组成的超级电容组的例子。然后,如果能量要求需要的话,将并联多个串联电容串。
如果选择超级电容的串联组合,则必须根据电容串顶端的最大预期电压来选择所用电容单元的数目。更多的串联电容意味着超级电容串的电容值更小而电压更高。例如,假设选择使用两串由四个2.7V 10F电容组成的电容串和由八个相同电容(串联)组成的一个电容串。虽然两种配置可存储总电荷和能量是相同的,但电容串的可用电压范围使单个串联串具有优势。例如,如果有一个需要5V偏压的负载,则SW2需要的电压为6V左右(考虑到其最大占空比和其他压差因素)。
●电容中的能量W=CV2/2,可用能量W= C/2(Vcharge2 - Vdicharge2)
●对于每串4个电容的两个电容串,可用能量W = 2*[(10F/4)/2*((2.7V*4)2-6V2)] = 201.6J
●对于包含8个电容(串联)的单个电容串,可用能量W = 1*[(10F/8)/2*((2.7V*8)2-6V2)] = 269.1J
因为两个电容组可存储相同的总能量,所以电压较低的电容串的充电浪费/不可用百分比更大。在本例中,优先选择更高的电容串电压,以充分利用超级电容。
第三个系统挑战来自如何为超级电容组充电。一开始,当超级电容电压为0时,由于高电容值,SW1 需要在类似输出短路的条件下工作相当长时间。常规 SW1 可能陷于打嗝模式而无法为超级电容充电。为了保护超级电容和 SW1,在充电阶段开始时需要附加的电流限制功能。一种令人满意的解决方案是让 SW1 在几乎无输出电压的条件下提供加长时间的连续充电电流。
为超级电容充电有许多方法。恒定电流/恒定电压(CICV)是常用的首选方法,如图2(CIVE曲线)所示。在充电周期开始时,充电器件(SW1)在恒定电流模式下工作,向超级电容提供恒定电流,使得其电压呈线性增加。在超级电容充电至目标电压时,恒定电压回路激活并准确地控制超级电容充电电平,使之保持恒定,以避免过度充电。同样,该优先解决方案也提出了对电源管理功能的要求,需要在设计中加以考虑。

图2.CICV超级电容充电控制
再以图1为例,在48V主电源、25V超级电容组电压以及3.3V、5V、12V等负载电压的情况下,为SW1和SW2选择同步降压功能是合适的。由于主要挑战与超级电容充电有关,所以针对SW1的选择非常重要。针对SW1的理想解决方案对电源管理功能的要求是能够在高输入(48V)和输出(25V)电压下工作,同时提供CICV调制功能。
[page]
超级电容充电器解决方案范例
为说明超级电容充电行为,我们以同步降压稳压器为例。说明其关键问题和解决技术,并使用实验波形来帮助理解。

图3.实现CICV超级电容充电控制的同步降压稳压器简化原理图
图3显示了用Intersil的ISL78268控制的实现CICV模式的同步降压稳压器的简化原理图。为了在CICV控制下将超级电容组充电到25V,在选择控制器时考虑了以下功能:1. 能在VIN>= 48V和VOUT>= 25V条件下工作的同步降压控制器。
2. 恒定电流和恒定电压调节能力,可自动切换调节模式。
3. 在系统供电电压范围实现准确的电流感测输入以实现CI模式。参考图3,控制器可感测电感器的连续电流,即充电电流。控制器的电流感测放大器必须能够承受共模电压,在本例中为25V。
图4显示了ISL78268同步降压控制器的一小部分功能框图。如图所示,有两个独立的误差放大器,分别标记为Gm1和Gm2,用于实现恒定电压(Gm1)和恒定电流(Gm2)。
误差放大器Gm1用于CV闭环控制。它比较FB的反馈电压与内部1.6V参考电压,并在COMP引脚产生误差电压。FB引脚从输出电压连接至一个电阻分压器,并设置为当输出电压为预期电压水平时FB电压为1.6V。于是COMP电压即代表预期输出电压与实际输出电压之差。然后比较COMP与电感电流相比较,以生成PWM信号,来控制输出电压,使之保持恒定。
误差放大器Gm2用于CI闭环控制。它比较IMON/DE引脚电压与内部1.6V参考电压,并在COMP引脚产生误差电压。IMON/DE引脚电压是内部产生的,代表平均输出电感电流负载值。因此,COMP电压在Gm2回路激活时(Gm1和Gm2的输出之间的二极管有效地选择哪个回路是激活的)代表预期输出电流与实际输出电流之差。然后COMP与电感电流相比较,以生成PWM信号,来控制输出电压,使之保持恒定。
在超级电容电压达到目标电压之前的充电阶段,由Gm2的输出来驱动COMP引脚,产生PWM输出,以实现CI控制。当超级电容电压达到目标值时,充电电流减小,引起IMON/DE引脚电压降低和CI回路断开(当IMON/DE<1.6V时),于是CV回路自然地接管对COMP的控制,从而保持输出电压恒定。
ISL78268降压控制器既有峰值电流模式的PWM控制器(可靠的逐周期峰值电流调制器),也有非常适用于超级电容充电的外部恒定平均电流回路。

图4.ISL78268 CICV回路简化框图
[page]现在,我们可以重点介绍已实现的超级电容充电实现方案。图5、6和7显示了由ISL78268控制,来为超级电容组(12节50F/2.7V串联电容)充电的同步降压控制器的实验波形。超级电容将通过主电源充电至25V。

图5.超级电容充电的实验波形
图5显示超级电容充电有多个阶段。开始时,在第1阶段,Vo几乎为0。ISL78268的IMON/DE引脚上的平均电流信号还未达到1.6V(期望充电电流的参考值),所以CI回路还未接通(engage)。在此阶段,电感器的峰值电流被逐周期限制于固定的OC阈值。在VOUT处于低水平(FB<0.4V)的充电阶段开始时,开关频率最大值被限制在50kHz,以预防所提到的因为低VOUT时的峰值电流限制而引起的电感器失控问题。
图6显示了第1阶段的波形的放大图。第2阶段从IMON/DE引脚电压(黄色迹线)达到1.6V时开始。在此阶段,CI回路接通并拉低COMP信号(青色迹线),从而开始稳定输出电流并使IMON/DE引脚电压保持恒定。IMON/DE引脚电压代表所感测的平均输出电流信号。IL波形(绿色迹线)显示平均电流在第2阶段被控制为恒定水平。输出电压波形(粉色迹线)显示超级电容被恒定充电电流以线性方式充电。

图6.超级电容充电第1阶段的实验波形放大
第3阶段从FB引脚检测到0.4V电压开始(图7)。该触发之后恒定电流稳定回路将完全接通,所以开关频率可自动调节至预编程的300kHz。在更高的开关频率下,电感电流纹波(绿色迹线)显著减小。输出电压(粉色迹线)继续呈线性增加,表示超级电容被线性充电。

图7.超级电容充电的实验波形
回到图5,第3阶段一直到Vo达到25V的目标电压时结束。此时,CV回路接通并稳定输出电压。平均电流回路断开。图5显示输出电压(粉色迹线)趋平且电感电流降低。代表平均充电电流的IMON/DE引脚电流也下降,表示恒定电流稳定过程结束。
结束语
超级电容由于其固有物理特征对比传统电池具有的优势在汽车、工业和消费产品中被用作能量存储解决方案。为使超级电容组的可存储能量最大化,最佳方案常常是串联多个超级电容单元来实现高电容组电压。充电时,最好使用CICV方法来限制由于超级电容充电到恒定电压期间的低ESR而产生的高电流。恒定电流还可以使充电损耗可控制,这可以减少所生成的热量并延长超级电容的寿命。因此,让充电电路容忍高电压并提供CICV控制功能是有益的。
相关阅读:
高性能石墨烯微型超级电容器面世
选型必读:透彻理解超级电容的11个参数
新型小型超级电容器诞生,更小手机将有望




