【导读】由于具有良好的节能减碳效果,发光二极管(LED)现在已经成为了照明的一个趋势,成为了一中广泛的光源。而现代的液晶屏幕,也多选择LED作为背光。那么LED背光驱动的小窍门,小伙伴们知道吗?
对于讲究节能减碳的这个时代而言,发光二极管(Light-Emitting Diode,LED)已经是广为使用的一种光源,因为其具有相当优良的发光效率以及精巧的组件体积,且LED的电光转换效率相当的好,高于日光灯、冷阴极管(CCFL)或是灯泡等,所以当前之趋势为以LED来取代上述这些发光源。举例来说,现代的液晶屏幕(LCD panel),大都以LED来取代以往的CCFL来当作背光,LED几乎已经取代CCFL,成液晶面板(LCD panel)的背光光源。
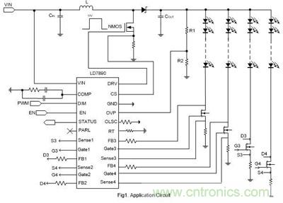
通嘉推出背光驱动IC——LD7890主要为升压拓扑架构,可驱动4 Channel LED light bar, 10V MOSFETDRV输出电压,高转换效率,外置4 Channel电流平衡驱动,恒电流LED。9V ~ 28V的宽输入电压范围,能配合各种电源以驱动LED产生均匀亮度,外置4 Channel的电流平衡驱动,应用时不受限于LED light bar之驱动电流或电压,仅需选用对应之外置组件即可。

LD7890内建创新专利技术的机制,可以满足如下系统商的规格
(1)对于系统要求的IC Thermal问题,使IC Package温度能低于客户的规范。
(2)可弹性应用于4 Channel LED light bar含以下之驱动,对于4 Channel LED light bar以上之应用亦提供并联之功能。
(3)LED Short Protection Threshold可调,具弹性仅需使用电阻不受控制器制程限制。
(4)单CH Fault侦测,可作单CH LED Open/Short保护,其它CH维持动作,使用具弹性。

LD7890聚焦在较大尺寸的LED TV,可提供LED短路与开路的保护机制,以及LED误动作讯号侦测的输出保护讯号,使系统能判断LED light bar的使用状况。
以LED当作LCD面板的背光光源时,因为LCD面板的面积相当的大,所以需要非常多颗的LED,而这些LED往往连接成数串,每串LED由一个可控制的电流源来驱动。譬如说,流经每串LED电流都控制成一样,使每颗LED的发光亮度相同。只要把每颗LED所发出的光线给予适当的传导,LCD面板就得以获得大致均匀的背光亮度。在所有LED当中,不论是哪一颗LED短路或是开路,都会影响到LCD面板的亮度均匀度。因此,LD7890具备一个良好的LED串驱动电路,和适当的保护侦测电路,侦测LED是否短路或是开路,进行相对应的防护措施。
简易设定LED短路保护功能
LED因接线间连结接触不良或是LED质量不良,LED串发生短路;当LED短路发生时,多余电压会跨在LED Driver的外部稳流NMOS上;PD=ILEDx VLED-Short。当LED Short颗数过多时,LED Driver及NMOS会有高温的现象发生。LD7890优点在仅需使用外部电阻即可设定,在LED串发生短路时,如满足VD–ISP×RSP > VLEDSP的条件下,STATUS Pin将会Pull low和将短路LED串关闭。如发生LED串头尾短路状况,仅需考虑短路时的能量,以选择适合电阻瓦数,计算方式参考区块说明.

简易设定LED开路保护功能
LED因本身质量不良或LED串连接系统间连接不良发生开路现象时,VD电压会接近0V,此时Boost升压转换器会因无侦测到回授信号进而将输出电压Vout提高,如未有LED开路保护将异常回路从升压转换器回授控制中隔离,则多余电压会跨于正常工作之LED Driver的外部稳流NMOS上;PD=ILED× VD。将会造成组件过热的问题发生。
LD7890任一LED串发生开路时,Boost升压转换器因无侦测到回授信号进而将输出电压Vout提高,直到OVP Pin到达2.5V,IC侦测VSENSE Pin如低于0.2V,表示此LED串有异常状况,LED Driver将会关闭故障的LED串并将STATUS Pin Pull Low。
VOUT短路保护功能说明
在LED串驱动电路刚刚接上电源时,很可能因为驱动电源还没有备妥,而导致LED串驱动电路认定LED串都无法驱动,因而误判LED串开路或短路之事件。这也是应该预防的。LD7890提供VOUT短路保护,当VSCP< SCPSET时LD7890会将LED Driver与PWM Controller关闭避免整个系统发生无法挽回的损害。

简易使用多颗Chip并联应用
LED Backlight在不同的应用或设计上LED串的串数需求没有固定,依据Panel模块厂的规格是有许多种的组合,而LD7890 在使用上具有弹性,在使用上可并连串数的大于4串或更多,应用LD7890 PARL Pin可连接多颗LD7890 IC,PARL Pin具有并联多颗LD7890 IC时选择最佳回授电位,供给升压拓朴正确的回授电位,PARL Pin具有当LED串发生短路与开路时正确的保护机制而不会发生误动作。
结论
LED取代CCFL当其背光源应用于笔记本电脑、桌上型显示器、电视等10吋以上大尺寸面板,其LED背光源模块之Backlight Driver IC ( Power Topology + LED Current Balance) 保护功能整合就显得格外的重要,综观上文之叙述,针对拓朴之输入、输出与LED Backlight提供一完整且全面的保护,且其为一将Boost架构与Current Balance 高度整合之LED解决方案,针对各串LED电流提供高精度之电流平衡度(<3%),高LED电流之驱动能力,对于3D的应用亦提供瞬间高电流之LED驱动能力。就其全面的失效保护功能又兼顾高LED驱动电流能力与电流平衡的高精度之考量下,LD7890实为一优异之LED Backlight驱动的解决方案。
相关阅读:
保护LED免受EOS损伤的两大防护方案对比
可支持PWM调光功能的新型LED驱动芯片
LED驱动电源知识集锦,看你知道多少





