【导读】以下介绍几种常用拓扑原理介绍及优缺点对比,分别是三种基本的非隔离开关电源、三种基本的隔离开关电源、反激变换器(Flyback)工作原理 (电流连续模式)等。
三种基本的非隔离开关电源

三种基本的隔离开关电源

反激变换器(Flyback)工作原理 (电流连续模式)






反激变换器(Flyback)优缺点

谐振复位正激变换器




谐振复位正激变换器优缺点

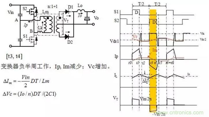
有源钳位正激变换器









有源钳位变换器优缺点

桥式变换器







桥式变换器优缺点

几种隔离式变换器之比较

AC/DC Application Block Diagram






