【导读】人体血糖值的偏高或偏低都有可能导致严重的健康威胁,因此监测血糖水平是重中之重。目前全球已有1.5亿人口罹患糖尿病,所以个人便携型血糖监测仪(BGM)的需求巨大。
图1所示的动态血糖监测仪(CGM),可帮助糖尿病患者实时检查血糖读数,也可在超长时间段内监测血糖值。CGM能够持续监测血糖水平,然后在用户血糖值达到危险值时提示用户。这款监测仪通常包含图2所示的传感器单元和图3所示的聚合器单元。

图1:动态血糖监测仪(CGM)
此传感器单元使用纽扣电池或硬币电池,在一定时间段内与人体连接(例如,8到10天)。聚合器单元是由电池供电的手持单元,可以利用如近场通信等无线射频(RF)技术来读取血糖数据。聚合器单元的电池管理子系统由电池充电器、电池电量计和保护器构成。3.7 V锂离子单电池就可运行一般的聚合器单元。其可通过电源适配器的USB或DC输入进行充电。

图 2:CGM传感器单元

图 3:CGM聚合器单元的示意框图
电池电量计可以预测并估算电池在不同负载状态下的剩余容量、充电状态、电量耗尽时间和运行状况,从而帮助解决电池管理中的难题。利用智能电池电量计,用户可以延长运行时间(如图4所示)和电池循环寿命。德州仪器(TI)的Impedance Track™测量算法实现了准确度高于99%的电池容量预测,使其具有卓越的模拟测量性能和电池特征建模功能。

图4:采用TI电量计实现超长运行时间
这款血糖监测仪提供多种单节电池测量选项,不仅外形小巧,经济高效,而且功耗超低。电量计可以搭载在电池组内或系统PCB上,后者更多见于便携型医疗应用。
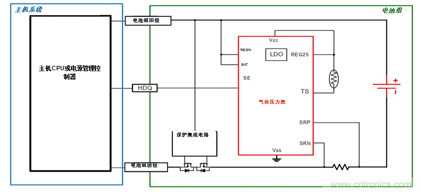
图5和图6分别展示了典型的系统侧和组侧电量计配置。系统PCB上的电量计,如BQ27426,只需要最低的用户配置,并且在正常工作时电流消耗也很小。对于更高级别的集成,某些电量计具有集成式检测电阻,如BQ27421-G1。
另一方面,如果电量计搭载在电池组内,则可以通过基于闪存的固件和256位集成式安全哈希算法(如BQ27Z561-R1)提供具有高准确性的解决方案。BQ2970等保护集成电路可提供电压、电流和反向充电器保护。

图 5:典型的主机/系统侧电量计配置

图 6:典型的电池组侧电量计配置
电池电量计提高了电源管理的先进性和智能水平。不具有准确电量计的系统只能在固定电压下关闭。许多设备关闭时系统电压为3.5 V,以便保护用于最坏情况的备用容量(保留电能用于关机),但如图4所示,只通过微控制器和模数转换器测量电池电压,进而生成低电池电量警告并不是测量剩余电量的可靠方法。这是由于大多数应用都具有可变负载。电池电量计将计算剩余电量并改变关机电压,以满足任何条件下所需的备用容量要求,从而增加运行时长。
除保有备用容量的优势外,由于应用产生的高瞬态脉冲负载,一些电池电量计还能够不报告0%的电荷状态,从而使电池电压降至终端电压以下。当电池仍然具有高电量时,这个特性很有优势,但是高瞬态负载会造成提前达到终止电压。
电池是复杂的电化学系统,受电池老化、温度和阻抗的影响。算法、紧凑设备和高级设备集成都是改进系统性能的关键特性。您在动态血糖监测仪等医用电池供电应用方面面临的最大挑战是什么?请在文末告诉我们您的观点。
推荐阅读:





