【导读】常见的DC-DC转换器问题是:在输入电压可能高于、低于或等于输出时生成稳压电压,也就是说,转换器必须执行升压和降压操作。从标称12 V电池为汽车电子供电,就是一个典型场景,从引擎冷启动(低至3 V)到负载突降(高达100 V),或者因为操作员出错导致出现反向电池电压(电压变化范围相当广泛)。
从SEPIC到4开关拓扑,有好几种DC-DC转换器拓扑可以执行升压和降压操作,但这些解决方案中没有任何一个能够在主动激活开关的情况,直接将输入电压输入到输出,现在依然是这样。
LT8210是一个同步降压-升压控制器,可以在直通 Pass-Thru™ 模式下运行,帮助消除EMI和开关损耗,并且最大化效率(高达99.9%)。当输入电压在用户可编程窗口内时,直通功能直接将输入传递到输出端。LT8210的输入电压范围在2.8 V到100 V之间,所以它的稳压范围从冷启动期间的最低输入电压,一直到未受抑制的负载突降的峰值幅度。LT8210可以作为传统的降压-升压控制器运行,支持引脚可选的连续导通模式(CCM)、脉冲跳跃或突发模式 Burst Mode® 运行,或者在直通模式中,输出电压可以根据编程窗口调节。当这个窗口中的输入电压在不主动开关FET的情况下被直接传输至输出时,运行时 IQ 极低,且没有开关噪声。
直通操作模式
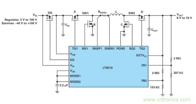
图1显示了简化的LT8210示意图,配置用于实施直通操作,输出调节范围为8 V至16 V。直通窗口的顶部电压和底部电压分别由FB2和FB1电阻分压器设置。

图2显示了此电路的输入/输出传输特性。当输入电压高于直通窗口时,LT8210将其降低到稳定的16 V输出。如果输入电压低于直通窗口,LT8210会增大该电压,并将输出保持在8 V。当输入电压在直通窗口范围内时,顶部开关A和D保持开启,使得输出可以跟踪输入,且部件可以进入低功率状态, VIN 和 VINP 引脚上的典型静态电流分别为4 µA和18 µA。在这种非开关状态下,既不存在EMI,也不存在开关损耗,因此效率可以达到99.9%以上。

图2. 在直通输入电压窗口中,直通操作效率可以达到99.9%

图3. 在直通模式下,LT8210会快速响应80 V未抑制负载突降脉冲,将输出限制在可编程的16 V最大值。

图4. 在直通模式下,LT8210通过增压至可编程的8 V最小输出电压来响应冷启动脉冲(<4 V)。

图5. 直通区域的效率达到将近100%(与持续导通模式下的效率相比)。

图6. LT8210在直通区域内具有超低静态电流。
结论
对于DC-DC转换器设计人员来说,汽车电池和类似的宽电压范围电源都是较为复杂的问题,它们需要提供保护,且要求能够高效进行降压和升压转换。LT8210同步降压-升压控制器将保护功能与输入范围广泛的降压-升压转换器和独特的直通选项结合在一起,以消除这种复杂性。其工作电压范围在2.8 V和100 V之间,提供内置反向电压保护。直通模式帮助消除开关损耗和噪声,同时达到超低的静态电流。在直通模式下,输出电压不会按传统方式调节,而是受可编程的电压窗口限制。

免责声明:本文为转载文章,转载此文目的在于传递更多信息,版权归原作者所有。本文所用视频、图片、文字如涉及作品版权问题,请联系小编进行处理。






