【导读】在本文中,我们将介绍施密特触发器,使用晶体管、运放的一些基本实现,施密特触发器如何工作以及一些重要的应用。
介绍
当在不使用反馈的开环模式下(例如在基本比较器电路中)操作运算放大器时,运算放大器的非常大的开环增益将导致最小的噪声电压来触发比较器。
如果将比较器用作过零检测器,则这种错误触发会引起很多问题。由于噪声的过零而不是实际输入信号的过零,因此可能会给出错误的过零指示。
为了避免在输出的高低状态之间进行这种不必要的切换,使用了一种称为施密特触发器的特殊电路,该电路涉及一个正反馈。
什么是施密特触发器?
施密特触发器由奥托·施密特(Otto Schmitt)于1930年代初发明。它是一种在正反馈的帮助下将迟滞添加到输入输出转换阈值的电子电路。这里的磁滞意味着它为上升沿和下降沿提供了两个不同的阈值电压电平。
本质上,施密特触发器是双稳态多谐振荡器,其输出会无限期地保持在任何一个稳定状态。为了使输出从一种稳定状态变为另一种稳定状态,输入信号必须适当地变化(或触发)。
施密特触发器的这种双稳态操作需要具有正反馈(或再生反馈)且环路gin大于1的放大器。因此,施密特触发器也被称为再生比较器。

例如,如果我们有一个如下所示的噪声输入信号,则施密特触发器电路的两个阈值将正确确定脉冲。因此,施密特触发器的基本功能是将有噪声的方波,正弦波,三角波或任何周期性信号转换为具有尖锐前缘和后缘的干净的方波。
使用晶体管的施密特触发器
如前所述,施密特触发器基本上是一个双稳态电路,其输出状态由输入信号控制。因此,它可用作电平检测电路。以下电路显示了基于晶体管的施密特触发器的简单设计。

即使该电路看起来像典型的双稳态多谐振荡器电路,但实际上却有所不同,因为该电路缺少从Q2的集电极到Q1的输入的耦合。Q1和Q2的发射极相互连接并通过R E接地。同样,R E充当反馈路径。
基于运算放大器的施密特触发器电路
由于施密特触发器电路本质上是具有正反馈的放大器,因此可以使用运算放大器或简单地使用运算放大器来实现此设置。根据施加输入的位置,基于运算放大器的电路可以进一步分为反相施密特触发器和同相施密特触发器。

施密特反相触发电路
顾名思义,在施密特反相触发器中,输入被施加到运算放大器的反相端子。在这种模式下,产生的输出具有相反的极性。该输出被施加到同相端子以确保正反馈。

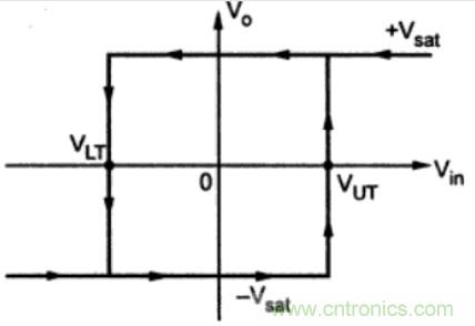
当V IN略大于V REF时,输出变为-V SAT;如果V IN略小于-V REF(比-V REF更大的负值),则输出变为V SAT。因此,输出电压V O为V SAT或-V SAT,可以使用R1和R2控制发生这些状态变化的输入电压。
V REF和-V REF的值可以表示如下:
V REF =(V O x R2)/(R1 + R2),V O = V SAT。因此, V REF =(V SAT x R2)/(R1 + R2)
-V REF =(V O x R2)/(R1 + R2),V O = -V SAT。因此, -V REF =(-V SAT x R2)/(R1 + R2)
参考电压V REF和-V REF称为上阈值电压V UT和下阈值电压V LT。下图显示了输出电压与输入电压的关系图,也称为施密特触发器的传输特性。

对于纯正弦输入信号,下图显示了反相施密特触发器电路的输出。

同相施密特触发器电路
对于同相施密特触发器,在这种情况下,输入被施加到运算放大器的同相端子。输出电压通过电阻R1反馈到同相端。

让我们假设,最初,输出电压为V SAT。直到V IN变少大于V LT,将输出保持在这个饱和水平。输入电压超过下阈值电压电平后,输出将状态更改为-V SAT。
输出保持在此状态,直到输入上升到高于上限阈值电压为止。
下图显示了同相施密特触发器电路的传输特性。

如果将纯正弦信号用作输入,则输出信号看起来像这样。

应用领域
施密特触发器的一项重要应用是将正弦波转换为方波。
它们可用于消除比较器中的颤动(由于输入信号通过阈值区域的摆动而产生多个输出转换的现象)。
它们还可以充当简单的ON / OFF控制器(例如,基于温度的开关)。
推荐阅读:





