【导读】本设计以 ARM 作为控制核心,结合推挽升压电路和 SPWM 逆变电路,实现了将12VDC 输入电压转换为110VAC 交流正弦电压输出。实验表明,该逆变器具有电压纹波小、动态响应高和全数字等特点,能够满足实际需要。
本设计以 ARM 作为控制核心,结合推挽升压电路和 SPWM 逆变电路,实现了将12VDC 输入电压转换为110VAC 交流正弦电压输出。实验表明,该逆变器具有电压纹波小、动态响应高和全数字等特点,能够满足实际需要。
1.系统总体方案
1.1 总体设计框图
如图1 所示, 逆变器系统由升压电路、逆变电路、控制电路和反馈电路组成。低压直流电源 DC12V 经过升压电路升压、整流和滤波后得到约 DC170V高压直流电,然后经全桥逆变电路 DC/AC 转换和 LC 滤波器滤波后得到AC110V 的正弦交流电。
逆变器以 ARM 控制器为控制核心,输出电压和电流的反馈信号经反馈电路处理后进入 ARM 处理器的片内 AD,经 AD 转换和数字 PI 运算后,生成相应的SPWM 脉冲信号,改变 SPWM 的调制比就能改变输出电压的大小,从而完成整个逆变器的闭环控制。
1.2 SPWM 方案选择
1.2.1 PWM 电源芯片方案
采用普通的 P W M 电源控制芯片,如 SG3525,TL494,KA7500等,此类芯片的优点是能够直接的产生脉宽调制信号,但是它缺点是波形线性不好,而且振荡发生器是依赖充放电电路而产生波形,当要 PWM 芯片产生 SPWM 信号需要附加额外很多电路。
逆变器是一种把直流电能(电池、蓄电瓶)转变成交流电(一般为220伏50HZ正弦波或方波)的装置。我们常见的应急电源,一般是把直流电瓶逆变成220V交流的。简单来讲,逆变器就是一种将直流电转化为交流电的装置。
不管是在偏远家村,或是野外需要或是停电应急,逆变器都是一个非常不错的选择。比较常见的是机房会用到的UPS电源,在突然停电时,UPS可将蓄电池里的直流电逆变为交流供计算机使用,从而防止因突然断电而导致的数据丢失问题。
本文将介绍两种比较简单的逆变器电路图。并附以简单的逆变器电路图说明,有兴趣的朋友可以研究下,自已动手做一个逆变器也确实是一件非常有成就感的事。以下就是一张较常见的逆变器电路图。
以上是一款较为容易制作的逆变器电路图,可以将12V直流电源电压逆变为220V市电电压,电路由BG2和BG3组成的多谐振荡器推动,再通过 BG1和BG4驱动,来控制BG6和BG7工作。其中振荡电路由BG5与DW组的稳压电源供电,这样可以使输出频率比较稳定。在制作时,变压器可选有常用双12V输出的市电变压器。可根据需要,选择适当的12V蓄电池容量。
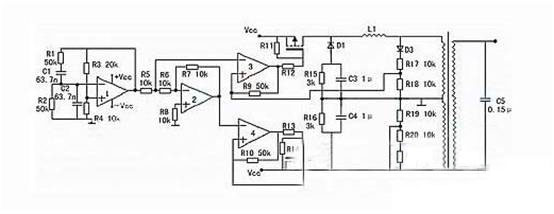
以下是一款高效率的正弦波逆变器电器图,该电路用12V电池供电。先用一片倍压模块倍压为运放供电。可选取ICL7660或MAX1044。运放1 产生50Hz正弦波作为基准信号。运放2作为反相器。运放3和运放4作为迟滞比较器。其实运放3和开关管1构成的是比例开关电源。运放4和开关管2也同样。它的开关频率不稳定。在运放1输出信号为正相时,运放3和开关管工作。这时运放2输出的是负相。这时运放4的正输入端的电位(恒为0)总比负输入端的电位高,所以运放4输出恒为1,开关管关闭。在运放1输出为负相时,则相反。这就实现了两开关管交替工作。
当基准信号比检测信号,也即是运放3或4的负输入端的信号比正输入端的信号高一微小值时,比较器输出0,开关管开,随之检测信号迅速提高,当检测信号比基准信号高一微小值时,比较器输出1,开关管关。这里要注意的是,在电路翻转时比较器有个正反馈过程,这是迟滞比较器的特点。比如说在基准信号比检测信号低的前提下,随着它们的差值不断地靠近,在它们相等的瞬间,基准信号马上比检测信号高出一定值。这个“一定值”影响开关频率。它越大频率越低。这里选它为0.1~0.2V。
总结
方波输出的逆变器效率高,对于采用正弦波电源设计的电器来说,除少数电器不适用外大多数电器都可适用,正弦波输出的逆变器就没有这方面的缺点,却存在效率低的缺点,如何选择这就需要根据自己的需求了。
免责声明:本文为转载文章,转载此文目的在于传递更多信息,版权归原作者所有。本文所用视频、图片、文字如涉及作品版权问题,请电话或者邮箱联系小编进行侵删。
推荐阅读:
650V 60mΩ SiC MOSFET高温性能测试对比,国产器件重载时温度更低





