【导读】leiditech开发了广泛的汽车电子系统的保护解决方案。一个典型的汽车应用有几个电路和接口,易受ESD,EFT和其他抛负载的影响。典型应用包括信息娱乐网络,ADAS,T-BOX,车身电子和供电系统。请参阅下面的首选保护解决方案。
以下方案已经过合资厂验证,满足汽车级的静电要求和浪涌保护。
1. CAN总线静电保护

2. LIN总线静电保护

3. RF天线接口静电保护

4. 汽车电源接口保护1

此方案可以通过7637-2 5B测试
5. 汽车电源接口保护2

此方案可以通过7637-2 5A测试
6. 汽车电源抛负载测试图片

7. 汽车电源接口保护3

此方案可以通过所有7637-2 5A测试
8. 触摸屏接口静电保护

9. FlexRay 静电保护

10. ECU/燃油注入系统静电保护

11. 100M/1000M接口静电保护

12. HDMI 1.3/1.4/2.0静电保护

13. ADAS电源系统静电保护


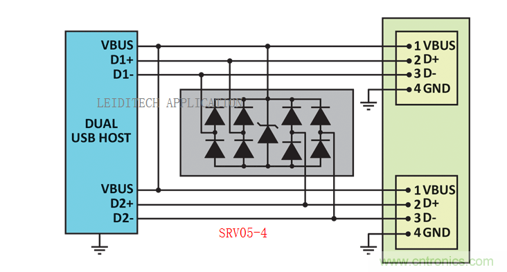
14. USB2.0静电保护


15. RS232/RS485静电保护


推荐阅读:





