【导读】集成电路中使用IICP来生成较小的负偏置轨。ADP5600独特地将低噪声IICP与其他低噪声特性和高级故障保护功能结合在一起。本文将借助ADP5600深入探讨交错式反相电荷泵(IICP)的实际例子。我们将ADP5600的电压纹波和电磁辐射干扰与标准反相电荷泵进行比较,以揭示交错如何改善低噪声性能。
本文将借助ADP5600深入探讨交错式反相电荷泵(IICP)的实际例子。我们将ADP5600的电压纹波和电磁辐射干扰与标准反相电荷泵进行比较,以揭示交错如何改善低噪声性能。
01 商用交错式反相电荷泵
集成电路中使用IICP来生成较小的负偏置轨。ADP5600独特地将低噪声IICP与其他低噪声特性和高级故障保护功能结合在一起。
ADP5600是一款交错式电荷泵逆变器,集成了低压差(LDO)线性稳压器。与传统的基于电感或电容的解决方案相比,其独特的电荷泵级具有更低的输出电压纹波和反射输入电流噪声。交错作为一种低噪声概念很巧妙,但交错通道并不能解决所有噪声问题。为了实现真正的低噪声,需要一种专门设计的IC来实现IICP的低噪声优势,同时保持解决方案的小尺寸和高效率。
固定和可编程开关频率
许多反相电荷泵的工作频率为几百kHz。这种相对较低的频率限值要求相对较大的电容,并限制了频率杂散可以放置的位置。ADP5600可以在100 kHz至1.1 MHz的开关频率下工作,因而能在现代系统中高效使用。此外,该频率始终是固定的,不随输出负载而变化。开关频率变化(展频调制)通常用于提高电荷泵效率,但在噪声敏感的系统中可能会产生问题。
外部频率同步
许多低噪声系统需要将高幅度开关噪声置于规定的频带中,以使所产生的噪声对系统的影响最小。考虑到这一点,在噪声敏感系统中,转换器的工作频率是同步的,但在电荷泵逆变器中,同步很少见。相比之下,ADP5600可以同步到高达2.2 MHz的外部时钟。
低压差稳压器
ADP5600的输入电压范围很宽,其电荷泵输出电压可能过高,无法为低压电路供电。因此,ADP5600内置了一个LDO后置稳压器。它还有一个以正电压为基准的电源正常信号引脚,以便在LDO输出处于稳压状态时轻松进行电源时序控制。
故障保护
最后,ADP5600具有一套全面的故障保护特性,适合于稳健的应用。保护特性包括过载保护、短路飞跨电容保护、欠压锁定(UVLO)、精密使能和热关断。另一个新颖的特性是飞跨电容限流,它也能降低飞跨电容充电时的峰值电流尖峰。
之前我们从理论上证明了与非交错解决方案相比,IICP架构可显著改善纹波。为简洁起见,但是其中说明的推导是理想化的,忽略了寄生效应、布局依赖性(IC和PCB)、时序失配(即不完美的50%振荡器)和RDS失配。这些因素导致与计算和测量的电压纹波有些偏差。一如既往,最好将ADP5600投入使用,观测其性能,并使用推导的方程式指导电路优化以获得最佳性能。
此处使用标准ADP5600评估板,但插入了RFLY,并修改了CFLY和COUT的值。此外,我们使用ADP5600的SYNC特性来改变开关频率。图1所示框图表明,各电荷泵以该SYNC频率的一半进行开关。也就是说,fOSC = ½ fSYNC。
图3和图4分别显示了在相同条件下运行时,交错式和非交错式反相电荷泵的输出电压纹波。

图1.ADP5600交错式反相电荷泵简化框图。

图2.ADP5600交错式反相电荷泵测试设置。

图3.ADP5600 IICP输出电压,VIN = 6 V,COUT = CFLY = 2.2 μF,fOSC = 250 kHz,ILOAD = 50 mA

图4.标准反相电荷泵输出电,VIN = 6 V,COUT = CFLY = 2.2 μF,fOSC = 250 kHz,ILOAD = 50 mA
在这些条件下,ADP5600的输入和输出电压纹波几乎比传统反相电荷泵低14倍。IICP的输出(或输入)电压纹波由下式给出:

使用式1,并将实际值代入ROUT和RON,便可比较计算出的和测量到的输出电压纹波。表1给出了多种测试配置下的结果,并指出了相对于非交错式电荷泵方案的改善幅度。

表1显示了交错电压纹波与式1的预测非常吻合。另外还显示了其相对于标准的非交错式反相电荷泵的改善幅度。此表中的某些设置还包括与CFLY串联的附加外部电阻RFLY。结果表明,RFLY进一步降低了电压纹波,但要以电荷泵输出电阻为代价。
除输出电压纹波外,IICP的电磁辐射骚扰与标准电荷泵相比也有所改善。为了衡量这一点,将一根25 mm天线放在评估板上(图5),并测试了多种配置。图6显示了这样一种配置与标准的非交错式电荷泵逆变器的比较。IICP拓扑可将第一和第三开关谐波的噪声降低12 dB至15 dB。

图5.采用ADP5600评估板的电磁辐射干扰测试设置

图6.电磁辐射干扰, VIN = 12 V,ILOAD = 50 mA,CFLY = COUT = 2.2 μF, fSYNC = 500 kHz。绿色 = 标准,蓝色 = IICP。
数据转换器、RF放大器和RF开关需要低噪声电源。这些系统中的电源设计面临的主要挑战是:
功耗和高温运行
EMI抗扰度和低EMI贡献
输入电压范围大
解决方案尺寸和面积应最小化
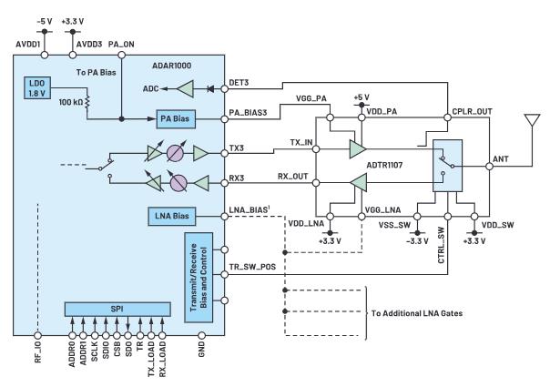
为了说明IICP的完整设计和优势,我们考虑一个为RF放大器、RF开关和相控阵波束成型器供电的应用。该应用包含在ADTR1107数据手册 中,图7复制自其中。此示例需要几个大功率正电压轨——在这里是感性降压转换器的工作。另外还需要两个负电压轨:AVDD1和VSS_SW。

图7.ADAR1000加上四个ADTR1107电源轨

图8.ADP5600和LT3093用于为AVDD1和VSS_SW供电
ADAR1000使用AVDD1为VGG_PA和LNA_BIAS生成低噪声偏置轨。AVDD1为–5 V、50 mA,VSS_SW为ADTR1107中RF开关的–3.3 V、<100 μA电源轨。每个ADAR1000使用四个ADTR1107,因此–3.3 V电源轨最大汲取1 mA电流。通常,这些系统的电源轨为12 V。
ADP5600是从12 V电压产生–5 V、50 mA和–3.3 V、1 mA电源轨的理想选择,因为它实现了低输入和输出电压纹波以及低电磁辐射干扰。此外,它能同步宽范围的开关频率,因而允许将开关噪声放在对系统影响最小的位置。图8显示了最终设计。
LT3093 是一款超低噪声LDO线性稳压器,支持高电压,允许将ADP5600电荷泵输出(CPOUT)直接连接到其输入。其–5 V输出由SET引脚上的电阻设置,当AVDD1电源轨符合要求时,可编程的电源良好引脚可以通知其他系统。ADP5600的LDO调节电流低得多的VSS_SW轨。尽管没有LT3093那么低的噪声或那么高的电源抑制比(PSRR),但它能够为VSS_SW提供稳定的电源轨。所有三个轨(电荷泵、AVDD1和VSS_SW)的输出电压纹波如图9所示。

图9.电荷泵输出电压纹波,VIN = 12 V,COUT = 10 μF(标称值),CFLY = 2.2μF(标称值),fSYNC = 1 MHz (fOSC = 500 kHz),ILOAD = 50 mA
本文利用ADI公司的新产品ADP5600构建并测试了一个完整解决方案,并使用数学模型对该解决方案进行了优化。另外还将其传导发射和电磁辐射干扰与标准反相电荷泵进行了比较。在某些情况下,与标准电荷泵逆变器相比,其改善幅度达到18倍,这对于满足现代精密和RF系统的低噪声要求非常重要。
免责声明:本文为转载文章,转载此文目的在于传递更多信息,版权归原作者所有。本文所用视频、图片、文字如涉及作品版权问题,请联系小编进行处理。
推荐阅读:







