中心议题:
- 接触式充电和感应耦合式充电技术
- 感应耦合充电标准—SAE J-1773
- 对感应耦合充电变换器的要求
- 感应耦合充电变换器拓扑选择
随着现代高新技术的发展和当今世界环境、能源两大难题的日益突出,电力驱动车辆又成为汽车工业研究、开发和使用的热点。但电动汽车的市场化一直受到一些关键技术的困扰。其中,比较突出的一个问题就是确保电动汽车电池组安全、高效、用户友好、牢固、性价比高的充电技术。本文根据SAEJ-1773对感应耦合器的规定,对电动汽车供电电池的充电器进行了讨论。根据感应耦合器的标准及不同的充电模式,确定了与感应耦合器相匹配的充电器的几种设计方案,对适合不同充电模式的电路拓扑进行了选择。最后给出了分别适合于不同充电等级的备选变换器拓扑方案。
1 充电技术
电动汽车电池充电是电动汽车投入市场前,必须解决的关键技术之一。电动汽车电池充电一般采用两种基本方法:接触式充电和感应耦合式充电。
1.1 接触式充电
接触式充电方式采用传统的接触器,使用者把充电源接头连接到汽车上。其典型示例如图1所示。这种方式的缺陷是:导体裸露在外面,不安全。而且会因多次插拔操作,引起机械磨损,导致接触松动,不能有效传输电能。

图1 接触式充电示意图
1.2 感应耦合式充电
感应耦合式充电方式,即充电源和汽车接受装置之间不采用直接电接触的方式,而采用由分离的高频变压器组合而成,通过感应耦合,无接触式地传输能量。采用感应耦合式充电方式,可以解决接触式充电方式的缺陷。
图2给出电动汽车感应耦合充电系统的简化功率流图。图中,输入电网交流电经过整流后,通过高频逆变环节,经电缆传输通过感应耦合器后,传送到电动汽车输入端,再经过整流滤波环节,给电动汽车车载蓄电池充电。

图2 EV感应耦合充电系统简化功率流图
感应耦合充电方式还可进一步设计成无须人员介入的全自动充电方式。即感应耦合器的磁耦合装置原副边之间分开更大距离,充电源安装在某一固定地点,一旦汽车停靠在这一固定区域位置上,就可以无接触式地接受充电源的能量,实现感应充电,从而无须汽车用户或充电站工作人员的介入,实现了全自动充电。
2 感应耦合充电标准—SAE J-1773
为实现电动汽车市场化,美国汽车工程协会根据系统要求,制定了相应的标准。其中,针对电动汽车的充电器,制定了SAE J-1772和SAE J-1773两种充电标准,分别对应于接触式充电方式和感应耦合充电方式。电动汽车充电系统制造商在设计研制及生产电动汽车充电器中,必须符合这些标准。
SAE J-1773标准给出了对美国境内电动汽车感应充电耦合器最小实际尺寸及电气性能的要求。
充电耦合器由两部分组成:耦合器和汽车插座。其组合相当于工作在80~300kHz频率之间的原副边分离的变压器。
[page]
对于感应耦合式电动汽车充电,SAEJ-1773推荐采用三种充电方式,如表1所示。对于不同的充电方式,充电器的设计也会相应地不同。其中,最常用的方式是家用充电方式,充电器功率为6.6kW,更高功率级的充电器一般用于充电站等场合。

表1 SAEJ-1773推荐采用的三种充电模式
根据SAE J-1773标准,感应耦合器可以用图3所示的等效电路模型来表示。对应的元件值列于表2中。

图3 感应耦合器等效电路模型

表2 充电用感应耦合器等效电路模型元件值
变压器原副边分离,具有较大的气隙,属于松耦合磁件,磁化电感相对较小,在设计变换器时,必须充分考虑这一较小磁化电感对电路设计的影响。
在设计中仍须考虑功率传输电缆。虽然SAE J-1773标准中没有列入这一项,但在实际设计中必须考虑功率传输电缆的体积、重量和等效电路。由于传输电缆的尺寸主要与传输电流的等级有关,因而,减小充电电流可以相应地减小电缆尺寸。为了使电缆功率损耗最小,可以采用同轴电缆,在工作频率段进行优化。此外,电缆会引入附加阻抗,增大变压器的等效漏感,在功率级的设计中,必须考虑其影响。对于5m长的同轴电缆,典型的电阻和电感值为:Rcable=30mΩ;Lcable=0.5~1μH。
[page]
3 对感应耦合充电变换器的要求
根据SAE J-1773标准给出的感应耦合器等效电路,连接电缆和电池负载的特性,可以得出感应耦合充电变换器应当满足以下设计标准。
3.1 电流源高频链
感应耦合充电变换器的副边滤波电路安装在电动汽车上,因而,滤波环节采用容性滤波电路将简化车载电路,从而减轻整个电动汽车的重量。对于容性滤波环节,变换器应当为高频电流源特性。此外,这种电流源型电路对变换器工作频率变化和功率等级变化的敏感程度相对较小,因而,比较容易同时考虑三种充电模式进行电路设计。而且,副边采用容性滤波电路,副边二极管无须采用过压箝位措施。
3.2 主开关器件的软开关
感应耦合充电变换器的高频化可以减小感应耦合器及车载滤波元件的体积重量,实现电源系统的小型化。但随着频率的不断增高,采用硬开关工作方式的变换器,其开关损耗将大大增高,降低了变换器效率。因而,为了实现更高频率、更高功率级的充电,必须保证主开关器件的软开关,减小开关损耗。
3.3 恒频或窄频率变化范围工作
感应耦合充电变换器工作于恒频或窄频率变化范围有利于磁性元件及滤波电容的优化设计,同时,必须避免工作在无线电带宽,严格控制这个区域的电磁干扰。对于变频工作,轻载对应高频工作,重载对应低频工作,有利于不同负载情况下的效率一致。
3.4 宽负载范围工作
感应耦合充电变换器应当能够在宽负载范围内安全工作,包括开路和短路的极限情况。此外,变换器也应当能够工作在涓流充电或均衡充电等模式下。在这些模式下,变换器都应当能保证较高的效率。
3.5 感应耦合器的匝比
原副边匝比大可以使得原边电流小,从而可采用更细线径的功率传输电缆,更低电流定额的功率器件,效率获得提升。
3.6 输入单位功率因数
感应耦合充电变换器工作在高频,会对电网造成谐波污染。感应充电技术要得到公众认可,获得广泛使用,必须采取有效措施,如功率因数校正或无功补偿等技术,限制电动汽车感应耦合充电变换器进入电网的总谐波量。就目前而言,充电变换器必须满足IEEE5191992标准或类似的标准。要满足这些标准,加大了感应耦合充电变换器输入部分及整机的复杂程度,增加了成本。而且,根据不同充电等级要求,感应耦合充电变换器可以选择两级结构(前级为PFC+后级为充电器电路)或PFC功能与充电功能一体化的单级电路。
4 变换器拓扑选择
根据SAE J-1773给出的感应耦合器等效电路元件值,及上述的设计考虑,这里对适用于三种不同充电模式的变换器拓扑进行了考察。
如图2所示,电动汽车车载部分包括感应耦合器的插孔部分及AC/DC整流及容性滤波电路。首先,对直接连接电容滤波的整流电路进行考察。适合采用的整流方式有半波整流,中心抽头全波整流及全桥整流。其中,半波整流对变压器的利用率低;全波整流需要副边为中心抽头连接的两个绕组,增加了车载电路的重量和体积;全桥整流对变压器利用率高,比较适合用于这种场合。
图4给出基于以上考虑的感应耦合充电变换器原理框图。图中,输出整流采用全桥整流电路,输出滤波器采用电容滤波,输入端采用了PFC电路以限制进入电网的总谐波量不会超标,这里采用的是单独设计的PFC级。低功率时,PFC也可与主充电变换器合为带PFC功能的一体化充电电路。

图4 感应耦合充电变换器原理框图
如前所述,充电器设计中很重要的一个考虑是感应耦合器匝比的合理选取。为使设计标准化,按3种充电模式设计的感应耦合充电变换器都必须能够采用相同的电动汽车插座。限制充电器高频变压器副边匝数的因素包括功率范围宽,电气设计限制和机械设计限制。典型的耦合器设计其副边匝数为4匝。对于低充电等级,一般采用1∶1的匝比,对于高充电等级,一般采用2∶1的匝比。
对于30kW·h以内的储能能力,随充电状态不同,电动汽车电池电压在DC 200~450V范围内变化,变换器拓扑应当能够在这一电池电压变化范围内提供所需的充电电流。
[page]
4.1 充电模式1
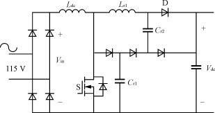
这是电动汽车的一种应急充电模式,充电较慢。按这种模式设计的充电器通常随电动汽车携带,在没有标准充电器的情况下使用,从而必须体积小,重量轻,并且成本低。根据这些要求,可采用单级高功率因数变换器,降低整机体积,重量,降低成本,获得较高的整机效率。图5给出一种备选方案:两个开关管的隔离式Boost变换器。在不采用辅助开关时,单级Boost级电路提供PFC功能并调节输出电压。当输入电压为AC 120V时,输入电压峰值为170V,由于变压器副边匝数为4匝,输出电压的调节范围为DC 200~400V,因而变压器可以采用1∶1的匝比,原边绕组均采用4匝线圈。典型的电压电流波形如图6所示。

图5 两个开关管的隔离式Boost变换器

图6 电压电流波形
当原边开关管S1及S2均开通时,能量储存在输入滤波电感中,同时输出整流管处于关断态。当开关管S1及S2中任一个开关管关断时,储存能量通过原边绕组传输到副边。由于变换器的对称工作,变压器磁通得以复位平衡。
为使输入电感伏秒积平衡,必须满足: Vinmax≤N1/N0VB(1-Dmin) (1)
假定变压器匝比为1∶1,最大输入电压为170V,则输出电压为DC 200V时占空比为0.15,输出电压为DC 475V时占空比为0.5。如图5所示,主开关管上的电压应力为2VB。当输出电压为DC 400V时,开关管电压应力是DC 800V,这一电压应力相当高。而且,由于传输电缆和感应耦合器的漏感,器件电压应力可能会更高。为了限制器件最大电压应力,可以采用图5所示的无损吸收电路。但无论是在哪种情况下,都必须采用1200V电压定额的器件。因高耐压的MOSFET的导通电阻较高,导通损耗就会很大。因而,要考虑采用低导通压降的高压IGBT。但IGBT器件开关损耗也限制了开关频率的提高。
开关管的平均电流为: ISavg=1/2ILavg (2)
对于1.5kW功率等级,输入电流有效值为15A,平均开关电流是13A,峰值电流为22A,需要电流定额至少为30A的开关器件。尽管这个方案提供了比较简单的单级功率变换,但也存在一些缺陷,如半导体器件承受的电压应力较高、输出电压调节性能差,输出电流纹波大。
为了降低器件的开关损耗,可以采用图5所示的软开关电路。给MOSFET设计的关断延时确保了IGBT的ZVS关断。在电流上升模式中,MOSFET分担了输出滤波电流,其电压应力为IGBT的一半。从而,可以采用600V的器件。同时,因关断损耗的降低,开关频率得以提高。
另一个降低器件电压定额的方案是采用两级变换结构。前级PFC校正环节可以采用带有软开关功能的Boost变换器,允许高频工作。后级DC/DC功率变换级,可以采用半桥串联谐振变换器,提供高频电流链。图7给出了适用于充电模式1的两级功率变换电路结构图。

图7 充电模式1采用的两级功率变换电路结构
若输入电网电压是AC 115V,为了降低DC/DC变换器的电流定额,输出电压可以提升到DC 450V。这样Boost级功率开关管可以采用500~600V的MOSFET,半桥变换器的开关器件可以采用300~400V的MOSFET。由于采用半桥工作,感应耦合器可以采用1∶2的匝比。若原边绕组为4匝,则副边绕组为8匝。Boost开关管的电流定额是30A,而半桥变换器开关管的电流定额是20A。
[page]
4.2 充电模式2
这是电动汽车的一种正常充电模式,充电过程一般在家庭和公共场所进行,要求给使用者提供良好的使用界面。
充电模式2的充电功率等级是6.6kW。230V/30A规格的标准电网电源足以给这种负载供电。其典型的充电时间为5~8h。
与充电模式1中充电功率变换器相类似,充电模式2也可采用单级AC/DC变换器。但由于带PFC功能的单级变换器,开关管的峰值电流很高,因而最好采用两级变换器。其中,PFC级可采用传统的Boost升压型电路,开关管采用软开关或硬开关均可。但为了提高效率,更倾向于选择软开关Boost变换器。图8给出两种采用无损吸收电路的软开管Boost变换器主电路功率级。图9给出两种采用有源开关辅助电路的软开管Boost变换器功率级。

(a) 无损吸收电路之一 (b) 无损吸收电路之二
图8 采用无损吸收电路的软开管Boost变换器

(a) ZCT (b) ZVT
图9 采用有源开关辅助电路的软开管Boost变换器功率级
若电网输入电压为230V,则输出电压可以调节到400V以上。这使得后级变换器的设计变得容易,感应耦合器可以取1∶1的匝比。因此,如果电池最高电压为400V,则前级输出电压可以采用DC450V。
与采用带附加有源开关辅助电路的软开管Boost变换器功率级相比,无损吸收软开管Boost变换器功率级因无需有源器件,因而更具优势。特别是图8(b),因其开关管的关断dv/dt得到了控制,开通为零电压开通,且主开关管上的电压应力为输出电压,因而整机性能得到大大改进。图10给出无损吸收电路的典型波形。

图10 无损吸收电路的典型波形
对于6.6kW的功率定额,450V的输出电压,需要采用600V/60A的MOSFET。可根据应用场合需要,整机设计可选择单模块或多模块并联方案。
对于后级DC/DC变换器,由于输入输出均为容性滤波器,因此,只有具有电流源特性的高频变换器适用。以下几种有大电感与变压器原边相串联的拓扑适合采用。其中一种形式是图11所示的全桥型变换器。

图11 全桥型充电变换器[page]
原边电路中采用串联电感,从而感应耦合器的漏感被有效利用起来,磁化电感也可利用来扩大变换器ZVS的工作范围。对于450V的输入总线电压,可以采用1∶1的匝比,也即原边绕组和副边绕组均采用4匝线圈。
桥式结构的变换器拓扑的缺点之一是峰值电流较高,特别在低压输入时峰值特别高。此外对应轻载时,变换器进入断续工作状态,主开关管的开通损耗增加,调节特性变差。因而,通常要保证一个最小负载电流,确保ZVS。
另一类具有高频电流源特性的变换器拓扑是谐振变换器。文献[8]对这些变换器拓扑进行了分类,分为电流型和电压型。在电流型变换器中,变换器由电流源供电。在这类拓扑中,电流得到有效的控制。但其缺陷是开关管上承受的电压未得到有效控制。因为,大多数功率器件对过流的承受能力比过压的承受能力要强。
另外,在电压源型变换器中,开关器件的电压得到很好的限制,但在全桥和半桥拓扑中,却可能会因击穿损坏。这些变换器通常被分为串联、并联和串并联谐振3种类型。
图12给出这些基本的谐振变换器拓扑示意图。在串联谐振变换器中,谐振电感与变压器原边串联,而其他类型变换器中,电容与变压器串联。只有串联谐振变换器是硬电流源特性,而其他类型变换器是硬电压源型。

图12 谐振变换器拓扑
为了有效利用感应耦合器磁化电感和匝间电容,可以采用不同的串联谐振变换器。一种拓扑形式是图13所示的串并联LLCC谐振变换器[9][10]。另外一些谐振变换器也可考虑。如前所述,匝间电容、磁化电感和漏感均得到了充分利用。这一方案因变换器和感应耦合器得到了很好的匹配,颇具吸引力。

图13 串并联LLCC谐振变换器
该变换器可以工作于高于谐振频率的ZVS状态,或低于谐振频率的ZCS状态,如图14所示。输出电压可采用变频控制。然而,为了优化感应耦合器性能,一般设计为高频对应于轻载工作,低频对应于重载工作,从而在频率变化范围内,变换器的开关损耗基本保持恒定。

图14 串并联谐振的两种软开关工作模式
由于并联谐振电路的升压特性,最大的变换器电压增益稍大于1。对于输入电压450V,输出电压400V,可用1∶1的匝比。这种变换器轻载工作时输出电压控制特性比较差,需要采用其他的一些控制技术。一种方案是使用输入Boost级调节输出电压,另一种方案是采用PWM或移相控制。这两种控制技术在相关文献中都有较详细的介绍。
[page]
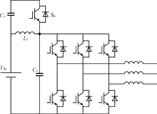
4.3 充电模式3
这是一种快速充电模式,主要针对长距离旅行情况进行充电。充电器对应高功率特性(>100kW),主要用于一些固定的充电站。对于100kW的功率等级,充电时间约为15min。为提高功率因数,降低输入电网谐波,变换器输入端一般需要采用有源整流电路,如图15所示。可以采用不同的控制方案,包括矢量控制,六阶梯波控制,数字控制技术等。

图15 有源输入整流电路
为了进一步提高变换效率,允许高频工作,可以采用如图16所示的ZVT电路。利用辅助电路实现了主开关器件的ZVT,主开关仍为PWM控制。

图16 ZVT三相Boost整流输入电路[page]
如前所述,高功率充电模式通常只在充电站使用。因为,充电站可能会装有多个充电器,每个充电器均采用单独的整流级必然会使系统体积庞大,成本大大增加。为简化系统设计,可为整个充电站配备一个专门的PFC或谐波补偿变换器,从而充电主电路,都连接在同一个有源输入整流电路上,如图17所示。

图17 配备专门的PFC或谐波补偿器的充电器系统主电路结构
有源滤波器定额约为充电站额定功率定额的20%。在整流端一般采用直流侧电感来提高整流器的功率因数,可以选用串联或并联方式的有源滤波方案。
有源滤波器可以采用传统硬开关PWM逆变器电路,或采用软开关逆变器,从而工作在更高开关频率,提高控制带宽,对更高阶的谐波进行补偿。谐振直流环节变换器比较适合于在较宽中功率范围逆变器场合下工作。图18给出了有源箝位谐振直流环节逆变器功率电路。

图18 有源嵌位谐振直流环节逆变器功率电路
与传统PWM变换器不同的是,谐振直流环节逆变器采用离散脉冲调节(DPM,Discrete Pulse Modulation)控制,开关频率较高,所需的滤波器尺寸较小。此外,由于dv/dt得以控制,所产生的EMI较小。
与充电模式2类似,充电变换器可以直接采用全桥或带谐振的全桥变换器。但是,由于充电模式3功率级更高,与谐振式全桥变换器相比,一般的全桥变换器必然会对应很高的峰值电流。因此,应当考虑采用ZVS或ZCS谐振全桥拓扑来有效降低损耗。
如前所述,串并联全桥谐振型变换器是可选拓扑,它满足了感应耦合充电变换器的所有设计考虑,并且完全利用了感应耦合器的等效电路元件。根据功率器件性能差异,可分别选择ZVS或ZCS方案。
对于高功率等级和高频场合,具有相对较小导通损耗和高频能力的IGBT具有较大的吸引力。由于感应耦合器优化设计的频率范围为70~300kHz,因此,需要软开关技术来优化IGBT的性能。文献[10]中结果表明:在ZVS情况下,IGBT关断损耗仍然较大,管芯温度较高;而ZCS可使得IGBT在ZCS情况下关断,减小了关断损耗,使IGBT能够更好地用于高开关频率下。
为了进一步降低器件电流应力,减小传输电缆的尺寸和重量,可以采用较高电平的总线电压。此时感应耦合器可以采用2∶1的匝比。从而当副边采用4匝时,原边要采用8匝。对于400V的电池电压,直流总线电压至少必须为DC800V,此时必须采用定额为1200V/400A的IGBT。
5 结语
本文根据SAEJ-1773对感应耦合器的规定,对电动汽车供电电池的充电器进行了讨论。根据感应耦合器的标准及不同的充电模式,确定了与感应耦合器相匹配的充电器的几种设计方案,对适合不同充电模式的电路拓扑进行了选择。最后给出了分别适合于不同充电等级的备选变换器拓扑方案。





