【导读】目前快充市场可谓“百花齐放”,各种快充协议让人眼花缭乱。高通QC2.0/3.0、MTKPE 1.0/2.0和USB PD高压快充占据市场大壁江山;华为Super Charger、OPPO VOOC、努比亚NeoCharger、高通QC 4.0以及MTK PE3.0低压直充也发展迅速;魅族、小米、OPPO以及锤子等手机品牌也正在研究更大功率的电荷泵高压直充充电技术。
快充业界尚未形成统一协议,各种协议互不兼容,用户使用起来诸多不便。将各种快充协议放到一个芯片内做一个全协议兼容的方案,可以一定程度上解决兼容性难题。
易能推出的EDP3032,是为全协议快充适配器设计的一颗 SOC 芯片,内部集成 QC2.0、QC3.0、PE1.0、AFC、FCP、SCP、 VOOC、BC1.2 DCP、APPLE 2.4A 快充协议;支持输出电压自适应,还集成了输出欠压、过压、短路保护等多重安全保护功能。
如何利用易能的EDP3032芯片制作一个18W全协议兼容的快充适配器?请看下文。

图1: 18W全兼容适配器
1.所需要的BOM贴片清单

图2:BOM贴片清单
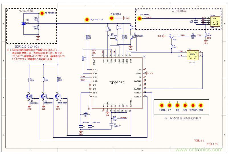
2.电路原理图

图3:电路原理图
3.PCB设计
(1)IC下面需敷铜散热,IC衬底要连接到PGND,散热面积尽量大,衬底焊盘打通孔到PCB底层,并适当露铜皮增强散热。
(2)LDO18脚的10uF电容要靠近芯片管脚;AGND用单点接连的方式回到PGND。
(3)采样电阻CSP,CSN端Layout应遵循如下规则:
① CSP,CSN走线要尽量避开干扰源器件比如电感、环路MOS、Vout等;
② CSP,CSN走线尽量在同一层,减少打孔的情况;
③ CSP,CSN两条线都必须靠近采样电阻,从采样电阻两端平行走线接入芯片且尽量靠近芯片,采样电阻到芯片端之间的连线不得过电流。同理,CSN也不可以直接和PGND相连。

图4:焊盘

图5:正确做法

图6:错误做法
④ 大电流通路(升降压环路部分电路:BAT–电感–MOS--VOUT):尽量走在同一层,而且尽量粗短,同时地的面积也尽量增大且要完整,从而增加散热,减小纹波并降低EMC干扰。
⑤ USB口外壳不可以直接接GND。由于某些USB线负极与外壳相连,而采样电阻需要接在接口负极与GND中间,若两者相连会导致采样电阻短路。
⑥ 为保证散热,EMC等性能最佳,推荐使用四层板。
推荐阅读:





